时间:2022-05-12 16:46
人气:
作者:admin
在本文中,我们介绍了三种不同的 RTD 配置:2 线、3 线和 4 线。
4 线 RTD 连接图
4 线 RTD 配置可提供最佳性能。与其他两种配置相比,系统设计人员面临的唯一问题是传感器本身的成本和 4 针连接器的尺寸。在这种配置中,由于引线引起的错误会被返回线固有地消除。4 线配置使用开尔文感应,通过两根线将激励电流传送到 RTD 和从 RTD 传出,而其余两根线则感应流经 RTD 元件本身的电流。由于引线电阻引起的错误会被固有地消除。4 线配置仅需要一个激励电流 IOUT,如图 1 所示。ADC 的三个模拟引脚用于实现单个 4 线 RTD 配置:一个引脚用于激励电流 IOUT。

图 1. 单个和多个 4 线 RTD 模拟输入配置测量。(来源:ADI)
当设计使用多个 4 线 RTD 时,可以使用单个激励电流源,激励电流被引导到系统中的不同 RTD。通过将参考电阻器放置在 RTD 的低端,单个参考电阻器可以支持所有 RTD 测量;也就是说,参考电阻由所有 RTD 共享。请注意,如果 ADC 的基准输入具有较宽的共模范围,则基准电阻器可以放置在高端或低端。因此,对于单个 4 线 RTD,可以使用高端或低端的参考电阻。但是,当在系统中使用多个 4 线 RTD 时,将参考电阻器置于低端是有利的,因为所有 RTD 可以共享一个参考电阻器。请注意,某些 ADC 包含参考缓冲器。这些缓冲区可能需要一些空间,因此,如果启用了缓冲器,则需要一个余量电阻。启用缓冲器意味着可以将更强大的滤波连接到参考引脚,而不会导致 ADC 内的增益错误等错误。
2 线 RTD 连接图
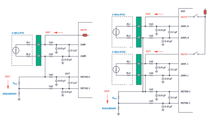
2 线 RTD 配置是最简单的配置,如图 2 所示。对于 2 线配置,只需要一个激励电流源。因此,ADC 的三个模拟引脚用于实现单个 2 线 RTD 配置:一个引脚用于激励电流 IOUT,两个引脚作为全差分输入通道(AINP 和 AINM)用于检测 RTD 两端的电压。 当设计使用多个 2 线 RTD 时,可以使用单个激励电流源,激励电流被引导到系统中的不同 RTD。通过按照 4 线配置将参考电阻器放置在 RTD 的低端,单个参考电阻器可以支持所有 RTD 测量;也就是说,参考电阻由所有 RTD 共享。

图 2. 单个和多个 2 线 RTD 模拟输入配置测量。(来源:ADI)
2 线配置是三种不同布线配置中精度最低的,因为测量点的实际电阻包括传感器的电阻以及引线 RL1 和 RL2,因此增加了 ADC 上的电压测量值。如果传感器是远程的并且系统使用很长的电线,那么错误将很严重。例如,24 AWG 铜线的 25 英尺长的等效电阻为 0.026 Ω/英尺(0.08 Ω/米)×2 × 25 英尺到 1.3 Ω。因此,由于导线电阻,1.3 Ω 导线电阻会产生 (1.3/0.385) = 3.38°C(大约)的误差。导线电阻也会随温度而变化,这会增加额外的误差。
3 线 RTD 连接图
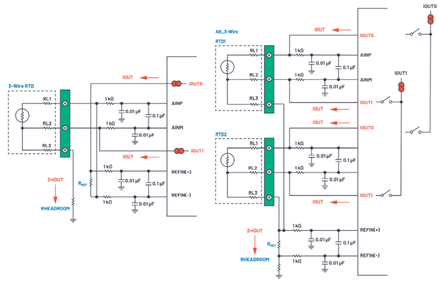
使用 3 线 RTD 配置可以显着改善由 2 线 RTD 配置的引线电阻引起的显着误差。在本文中,我们使用第二个激励电流(如图 3 所示)来消除 RL1 和 RL2 产生的引线电阻误差。因此,ADC 的四个模拟引脚用于实现单个 3 线 RTD 配置:两个引脚用于激励电流(IOUT0 和 IOUT1),两个引脚作为全差分输入通道(AINP 和 AINM),用于感测两端的电压RTD。

图 3. 单个和多个 3 线 RTD 模拟输入配置测量。(来源:ADI)
有两种方法可以配置 3 线 RTD 电路。方法 1 将参考电阻器放置在顶部,因此第一个激励电流 IOUT0 流向 R REF,RL1 然后流向 RTD,第二个电流流过 RL2 引线电阻并产生一个电压,以抵消 RL1 引线电阻上的电压降。 因此,良好匹配的励磁电流完全消除了由于引线电阻引起的误差。如果激励电流有一些失配,则使用这种配置可以最大限度地减少失配的影响。相同的电流流向 RTD 和 R REF;因此,两个 IOUT 之间的任何不匹配只会影响引线电阻计算。此配置在测量单个 RTD 时很有用。
测量多个 3 线 RTD 时,建议在底部使用参考电阻(方法 2),因此只能使用单个参考电阻,从而最大限度地降低总体成本。然而,在这种配置中,一个电流流过 RTD,而两个电流都流过参考电阻。因此,IOUT 中的任何不匹配都会影响参考电压的值以及引线电阻的消除。当存在励磁电流失配时,这种配置会比方法 1 有更大的误差。有两种可能的方法来校准 IOUT 之间的失配和失配漂移,从而提高第二种配置的精度。首先是通过斩波(交换)激励电流进行校准,对每个相位进行测量,然后对两次测量进行平均。另一种解决方案是测量实际励磁电流本身,然后使用计算出的失配来补偿微控制器中的失配。有关这些校准的更多详细信息,请参见CN-0383 。
Jellenie Rodriguez是ADI公司精密转换器技术部的一名应用工程师。她的重点是用于直流测量的精密 Σ-Δ ADC。她于 2012 年加入 ADI,并于 2011 年毕业于 San Sebastian College-Recoletos de Cavite,获得电子工程学士学位。
Mary McCarthy是ADI公司的一名应用工程师。她于 1991 年加入 ADI,在爱尔兰科克的线性和精密技术应用部门工作,专注于精密 sigma-delta 转换器。Mary 于 1991 年毕业于科克大学,获得电子和电气工程学士学位。
下一篇:电动汽车充电的高精度直流电流计量