概要
颜色识别
传感器又称色彩传感器或颜色传感器,它是将物体颜色同前面已经示教过的参考颜色进行比较来检测颜色的传感器,当两个颜色在一定的误差范围内相吻合时,输出检测结果。
颜色识别传感器的工作原理
色彩传感器分为三种不同类型:光到
光电流转换,光到
模拟电压转换,光到数字转换。前者通常只代表实际色彩传感器的输入部分,因为原始光电流的幅度非常低,总是要求放大,以将光电流转换成可用的水平。所以,最实用的模拟输出色彩传感器至少会有一个跨阻抗
放大器,并提供电压输出。
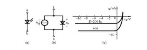
光到光电流转换器原理
光到光
电流转换器由光电
二极管或具有色彩
滤波器的光电二极管组成,光电二极管和发光二极管相似,核心也是p-n结,但光电二极管是把光能转为电能的转换器。在光电二极管外壳上有一个能让光照射到光敏区的窗口,光电二极管工作在反向电压下。无光照时,反向偏置的p-n结中只有微弱的反向漏电流一暗电流通过。当有光子能量大于p-n结
半导体材料禁带宽度的光波照射时,p-n结各区域中的价电子吸收光子能量后,将挣脱束缚而成为自由电子,同时产生一个空穴,这些由光照产生的自由电子和空穴称为光生载流子。在远离耗尽层的p区和n区中,因电场强度弱,光生载流子只能作扩散运动,在扩散过程中因复合而消失,不可能形成光电流。而耗尽层中由于电场强度大,光生自由电子和空穴将在电场力作用下以很大速度分别向n区和p区运动,并到达电极沿外电路运动,形成光电流。方向由光电二极管的负极到正极。将光转换成光电流。可以使用外部电路,将光电流转换成成比例的电压输出,然后可以通过模拟数字转换器将电压转换成数字格式,输送到
微控制器中。感测色彩的传统做法是采用把三至四个光电二极管组合在一块芯片上的结构,而将红、绿、蓝滤色器置于光电二极管的表面(通常将两个蓝滤色器组合在一起以补偿硅片对于蓝光的低灵敏度)。独立的跨阻抗放大器将每个光电二极管的输出馈送到具有8}t2位典型分辨率的A/D转换器中。
所以光到光电流转换器适合要求响应时间短、定制增益和速度调节及在光线变化条件下工作的应用。

光到模拟电压转换器原理
光到模拟电压转换器由搭配色彩滤波器的光电二极管阵列组成,并整合一个跨阻抗放大器。要求使用外部电路,将模拟电压转换成数字输出,然后才能输送到
数字信号处理器。光到模拟电压色彩传感器由色彩滤波器后面的光电二极管阵列与整合的电流到电压转换电路(通常是跨阻抗放大器)组成,落在每个光电二极管上的光转换成光电流,其幅度取决于亮度及入射光的波长(由于色彩滤波器)。如果没有色彩滤波器,典型的硅光电二极管会对从超紫色区域直到可视区域的波长作出响应,在光谱接近
红外线的部分,峰值响应区域位于800nm和950nm之间。红色、绿色和蓝色透射色彩滤波器将重塑和优化光电二极管的光谱响应。正确设计的滤波器将对模仿人眼的滤波后的光电二极管阵列提供光谱响应。三个光电二极管中的每个光电二极管的光电流会使用电流到电压转换器,转换成
VRout.VCout和VBout。所以光到模拟电压转换器适合要求设计周期较短、产品开发周期更快、光线条件和空间利用率设计精良的应用。

光到数字电压转换器
由捂配滤波器的光电二极管阵列、模似数字转换器及用于
通信和灵敏度控制的数字核心组成。输出允许直接
接口微控制器或其它逻辑控制通路,如2线串行接口。以进一步处理信
以RGB色彩传感器的装饰照明为实例:
1)使用色彩传感器测量
LED亮度随时间变化情况,提供
光学反馈,控制光源的色彩点
2)可与色彩
控制器技术结合使用,形成闭环色彩管理系统

颜色识别传感器的应用领域
随着现代工业生产向高速化、自动化方向的发展,生产过程中长期以来由人眼起主导作用的颜色识别工作将越来越多地被相应的颜色传感器所替代。例如:
图书馆使用颜色区分文献进行分类,能够极大地提高排架管理和统计等工作。
在包装行业,产品包装利用不同的颜色或装潢来表示其不同的性质或用途。
其中,你想要的颜色传感器以及其他传感器在这里可以找到:全球
知名半导体制造商ROHM(总部位于日本京都)开发出通过
Arduino及mbed*1等开放平台*2(通用微控制器开发板)可轻松测量加速度、气压、地磁、脉搏等8种信息的传感器扩展板(Expansion Board)“SensorShield-EVK-003”,并已开始销售 。
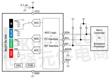
BH1749NUC是ROHM公司推出的一款带
I2C总线接口的数字彩色传感器。该IC可感应红色,绿色,蓝色(RGB)和红外线,并将其转换为数字值。高灵敏度,宽动态范围和出色的Ircut(红外滤波)特性使该IC可以获得环境光的精确照度和色温。它是调整电视,
手机和平板
电脑LCD背光的理想选择。
图1 BH1749NUC
该数字彩色传感器的照度检测范围可达80klx,且能够抑制由人工光源产生的50Hz和60Hz闪烁噪声。产品
电源的供电电压范围为2.3~3.6V,工作时电流典型值190μA,工作温度范围为 -40~+85℃。BH1749NUC采用WSON008X2120小型封装,尺寸仅为2.10 mm x 2.00 mm x 0.6 mm。
图2 BH1749NUC采用WSON008X2120封装示意图

图3 BH1749NUC产品典型应用电路图
BH1749NUC数字彩色传感器产品特性及主要参数
-
内置Ircut滤波器
-
过滤50 Hz / 60 Hz的光噪声
-
I2C总线接口(支持f/s模式)
-
可以选择2种类型的I2C总线从属地址
-
符合1.8 V逻辑接口
-
分辨率0.0125 lx / count
编辑:hfy