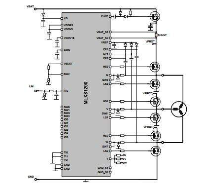
因此,MLX81200遵循Melexis路线图,以高集成度提供解决方案,以支持机电设计。集成有Power-FET-Predriver的高温16位嵌入式闪存微控制器提供了所需的灵活性,以便根据应用需求调整软件中的系统。支持多个通信接口,如PWM和LIN。
Melexis TruSense技术将磁阻测量与BEMF(反电动势)感测相结合,可在剧烈变化的负载下的宽动态范围内提供高精度的转子位置信息。
PWM驱动方案可以适应任何电动机电流形状,从而实现最佳效率,低转矩脉动和最小化的任何辐射发射。
MLX81200无传感器控制驱动的BLDC发动机冷却风扇和HVAC鼓风机
-
使用相位调节的正弦波电流控制,只需一个电流分流器,就可以以一种非常安静且节能的方式进行操作
-
通过转子位置反馈,可以控制到标称速度的5%…10%,
-
处理风铣效果

MLX81200支持发动机冷却风扇所需的最高150℃的环境应用温度。
1. MLX81200可用于任何BLDC电机:
-
Delta和Star电机(无需星点)
-
适用于梯形控制电机
-
可调节以适应不同的BEMF形状
-
可编程电流波形允许:
-
最大化效率
-
最小化转矩脉动
-
减少可听和EMC噪声
-
可编程死区时间控制
2.适合鼓风机的应用要求
-
通过正弦波电流控制实现低噪声运行
-
手持风磨效果
-
转子锁定检测和解锁程序
-
支持高环境温度范围:-40⁰C…150⁰C,用于机电一体化
3.动态运行
-
高动态速度范围约。带转子位置反馈的最小速度之间的5%…10%
-
电源电压工作范围为5 V-18 V,28 V跳跃启动条件,45 V负载突降
4.故障安全操作和诊断:
-
高端分流器,可编程超过电流限制
-
两个独立的看门狗
-
功率FET,连接器和相绕组的广泛诊断
-
过热检测
-
集成IC终端观察
-
在整个动态范围内进行转子位置检测,可实现强大的无传感器控制
5.较小的PCB尺寸
-
采用7 * 7毫米QFN和TQFP封装的高度集成,而对外部组件的需求最少:
-
基于具有30 kB闪存的16位RISC CPU的嵌入式电机控制器
-
振荡器,10位ADC,关闭输入,PWM控制模块,NFET –预驱动器
6.交流阶段:
-
高压保护的IO,用于双向单线或两线PWM通信
-
可能的LIN接口
-
使用通讯接口通过连接器进行Flash编程

编辑:hfy