时间:2020-09-13 09:16
人气:
作者:admin
ET 200SP
Power Module
F -PM- E 24VDC/8A PPM ST 电源模块
技术特性:
故障安全数字模块
2个输入(SIL3/ Cat.4 / PLe)
1个输出PM-开关或PP-开关,输出电流8A(SIL3 / Cat.4 / PLe)
2路输出用于传感器供电
接收器输入(P-读数)
源输出(PM/ PP-切换)
电源电压L+
适用于将2线制传感器连接到IEC61131,类型1
通道特定的可分配输入延迟0.4ms至20 ms
诊断显示(DIAG红色/绿色LED)
每个输入或输出的状态显示(绿色LED)
每个输入或输出的故障显示(红色LED)
诊断,例如,特定于通道的短路/断线
诊断,例如缺少负载电压,模块特定
整个模块中特定于通道或钝化的
常规端子分配

•DI n:输入信号,通道n
•VSn:内部传感器电源,通道n
•DQ-P0:输出信号,通道0,P切换
•DQ-M0:输出信号的接地,通道0,M-开关
•AUX:SELV / PELV电路的保护性导体连接或电压总线
如果配置了F模块PM则用地面切换负载
如果满足以下两个条件,则F-PM-E 24VDC / 8A PPM ST检测到短路:
●例如,如果通过F-PM-E 24VDC / 8A PPM ST切换了机箱与地面之间具有连接的负载,以改善EMC性能。
●如果电源设备上已连接了机箱和接地。
从F模块的角度看,M开关通过机箱接地连接桥接。
●使用配置为PP交换模块的F- PM-E 24VDC / 8A PPM ST。
●将负载端底盘与地面之间的电阻值增加到100 kΩ以上。
●将负载端机箱与地面之间的电容值减小到2μF以下。
切换接地负载(底盘与地面之间的电阻):

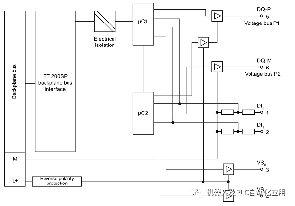
方框图F-PM-E 24VDC / 8A PPM S

短路测试:
在这里,可以为设置了“内部传感器电源”的F模块的通道启用短路检测。
仅当使用没有电源的简单开关时,短路测试才有用。对于带电源的开关,例如3/4线接近开关,不可能进行短路测试。
短路检测会短暂关闭传感器电源。停用时间段的长度等于组态的“传感器测试时间”。
如果检测到短路,则F模块将触发诊断中断,并钝化输入。
检测到以下短路:
●L +的输入短路
●另一个通道的输入为“ 1”时发生短路
●另一个通道的输入和传感器电源之间发生短路
●传感器电源和另一个通道的传感器电源之间发生短路
如果禁用了短路测试,则必须使接线具有防短路和跨电路功能,或者选择一种连接类型(差异性,非等效性),该类型也可以使用差异来检测交叉电路。
用短路测试的执行时间(传感器测试时间+传感器测试后传感器启动时间),将短路测试开始之前输入的最后一个有效值传递给F-CPU。因此,短路测试的激活会影响相应通道或通道对的响应时间。
短路测试时间:
启用短路测试后,将在配置的时间内关闭相应的传感器电源。如果模块在指定的时间内未在输入上检测到“ 0”信号,则会生成诊断消息。
短路测试后传感器的启动时间:
除了关闭时间(“传感器测试时间”)外,还必须指定启动时间以执行短路测试。您可以使用此参数来通知模块,在连接传感器电源后,所用传感器需要启动多长时间。这样可以防止由于传感器中的瞬态反应而导致输入状态不确定。
颤振监控:
颤振监控是数字输入信号的过程控制功能。它在评估为1oo1的过程中检测并报告异常信号序列,例如,输入信号在“ 0”和“ 1”之间频繁波动。这种信号特征的出现表明传感器出现故障或过程控制不稳定。
下图以图形形式显示了颤动监控的原理。

黑暗测试是具有位模式测试的关机测试。
对于暗测试,在输出通道处于活动状态时将测试信号切换到输出通道(输出信号“ 1”)。然后短暂禁用此输出通道(=“暗期”)并回读。速度足够慢的执行器对此无响应,并保持打开状态。
黑暗测试的功能原理(PM切换)

黑暗测试的测试脉冲

活化光测试:
在输出端使用0信号检测过载和断线。
对于轻度测试,当输出通道处于非活动状态(输出信号“ 0”)时,将几个测试信号切换到输出通道。在光照测试(=“光照周期”)期间短暂打开输出通道并回读。速度足够慢的执行器对此无响应,并保持关闭状态。
灯光测试的功能原理(PM切换)

光测试的测试脉冲

应用:布线上的负载到数字输出,PM开关
故障安全数字输出包括用于DQ-P0的两个P-开关和用于DQ-M0的一个M-开关。它们将负载连接在P-开关DQ -P0和M-开关DQ -M0之间。两个P开关和M开关始终处于激活状态,以便向负载施加电压。该电路达到SIL3 / Cat.4 / PLe。
电源模块F-PM-E 24VDC / 8A PPM ST的接线图

应用:将负载连接到数字输出,PP开关
故障安全数字输出包括用于DQ-P0的两个P-开关和用于DQ-M0的一个M-开关。在这种情况下,请在P-开关DQ -P0和机箱之间连接负载。两个P开关始终处于激活状态,以便向负载施加电压。该电路达到SIL3 / Cat.4 / PLe。

电源模块F-PM-E 24VDC / 8A PPM ST的接线图
与安全相关的标准输出模块的停机,PM开关
将打开F- PM-E 24VDC / 8A PPM ST电源模块,以及与之匹配的BaseUnit,一个新的电位组。在电位组中使用的标准DQ模块可以通过F-PM-E 24VDC / 8A PPM ST电源模块进行与安全相关的关闭。为此,F-PM-E 24VDC / 8A PPM ST电源模块执行与安全相关的电压母线P1和P2关断。

与安全相关的标准输出模块关闭
标准输出模块的安全相关关机,PP开关
将打开F- PM-E 24VDC / 8A PPM ST电源模块,以及与之匹配的基本单元,一个新的电位组。在电位组中使用的标准DQ模块可以通过F-PM-E 24VDC / 8A PPM ST电源模块进行与安全相关的关闭。为此,F-PM-E 24VDC / 8A PPM ST电源模块执行与安全相关的电压母线P1关闭。

安全关闭标准输出模块
LED显示屏:

①DIAG(绿色/红色)
②通道状态(绿色),通道故障(红色)
③PWR(绿色)

下一篇:国内MEMS传感器厂商有哪些