时间:2020-04-27 09:32
人气:
作者:admin
在抗疫的电子产品中,用量最大的就是测温仪了,全国增大产量的同时,也引发了对该产品质量和性能的考虑。
国家质量监督检验检疫总局于2003年6月发布了《测量人体温度的红外温度计校准规范》,其中对红外温度计和红外筛选仪的计量性能要求如下。
从上图可以获知,在35-42℃的范围内,必须要做到0.1℃的分辨率,最大允许误差为0.2/0.3℃。这个要求看似简单,实现起来却难住了不少设计方案的工程师。
额温枪原理与技术难点
额温枪的原理就是将热释电传感器输出的电压信号准确转换成温度值显示出来,其中的关键器件就是热释电传感器,也被成为人体红外传感器。虽然测量原理不算复杂,但成品额温枪依然有五大技术难点。
1.传感器输出信号幅度小,实测电压低至1~2μV。
2.传感器输出信号幅度会受到环境温度的影响,需要做环境温度补偿。
3.传统额温枪方案不对外开放,有相关经验的工程师少。
4.做好额温枪需要电子、光学、热学的综合知识。
5.设计和生产需要精密的实验测试环境(恒温环境)和仪器设备(恒温槽)。

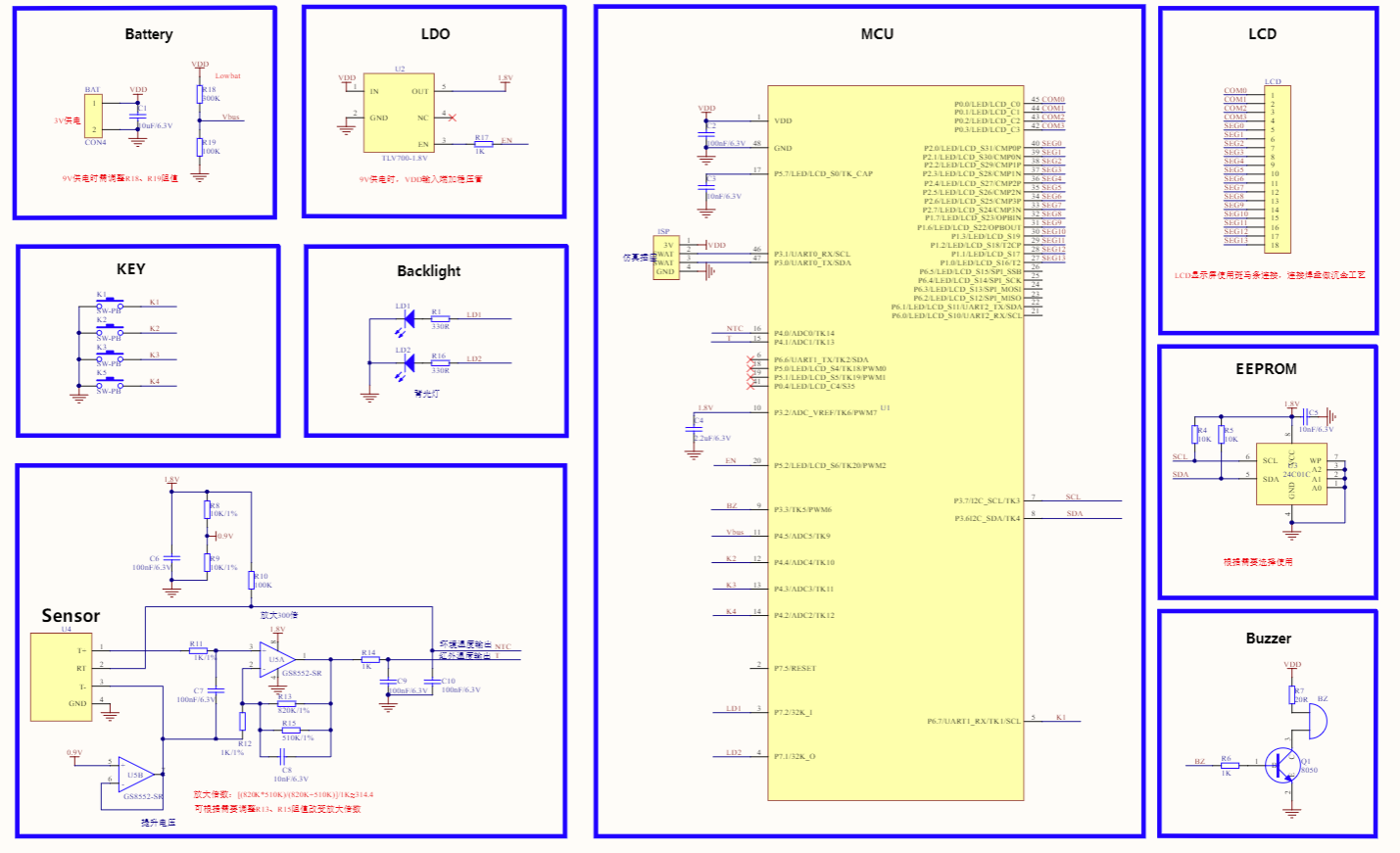
HQPCBA0303额温枪原理图 / 华秋智造
以上是华秋智造的HQPCBA0303额温枪原理图,包含了电池,LDO,按键,背光,传感器,MCU,LCD,EEPROM和蜂鸣器。以下是这款额温枪的参数说明。
工作电压:1.8~5.5V
工作温度:0~45℃(建议16~35℃)
工作电流:5mA @ 3V
待机电流:< 10μA @ 3V
测量时间:1s
测量精度:±0.2℃(16~35℃)
显示精度:0.1℃
量 程:0~60℃(超出35~42℃精度下降)
适用探头:直接兼容所有热电堆模拟传感器
电源

该方案可选3V/9V供电,但9V电池并不常用,此处选用3V。带使能脚LDO可以降低待机电流,做到10μA以下,将待机时间延长至一年以上。通过LDO产生稳定1.8V给运放供电并做ADC参考电压。而主控则直接与电池正极连接,并用两个电阻来进行低压检测,尽可能选取较大阻值,否则会导致待机电流偏高。
该设计也可以进一步加入防反接设计,从而预防元器件烧毁的情况。防反接的设计有三种:
1.串联二极管:会产生一定压降,9V电池的话没有问题,但不适用于3V电池供电。
2.正负极反向并联二极管:这种方式简单可靠,但反接时电流较大。
3.加MOS管:压降小,但成本较高。
按键、LCD和背光显示、蜂鸣器

按键:可以并联小电容提高ESD抗扰能力,以便通过EMC测试。


LCD显示:LCD与斑马条连接时,PCB要用沉金工艺,不然时间一长会出现氧化,出现内阻加大,接触不良等情况,影响显示效果。
背光显示:背光灯可以改低电平点亮或者加入三极管增大驱动能力

蜂鸣器:并联一个电阻可以换用成本更低的无源蜂鸣器
EEPROM数据存储

EEPROM:优先使用内部Flash存储数据,同时预留EEPROM防止内部Flash可擦写次数不够。

Flash擦写次数可达2万次,人流密集场景下每天1000次的测量频率,数据只能够保存20天。在程序上可以采用分区循环存储从而提高可存储次数。
传感器信号处理

该方案兼容不同的传感器,考虑到不同传感器的信号强度不同,需要通过改变放大电路的电阻阻值来调整放大倍数(300/500/820)。当选择运放供电电压时,1.8V对测量分辨率有好处,但不同放大器的供电参数不同,建议留适当余量。
至于为什么要选取1.8V作为ADC参考电压呢?我们可以看看下面的分辨率区别。
1.8V电压 12位ADC 0.44mV/Bit 最高85℃
2.5V电压 12位ADC 0.61mV/Bit 最高115℃
以0.9V作为中心精准电压,保证高于和低于环境温度的目标都能测量。0.9V可以让放大器工作在线性放大区,可以根据实际需求适当调整。该方案选用聚洵GS8552的双通道运放,一路用来放大,一路用来保证0.9V的输出。如需降低成本的话可以选用GS8251,其中0.9V直接用电阻分压,但选用的阻值要小。
主控选型
HC32L136 / 华大半导体
本方案综合性能,价格与供货三个元素,选用了华大的HC32L136。
该芯片拥有64K字节的Flash存储器,自带LCD驱动和12高精度ADC。但因为采用的是ARM M0内核,所以工作电流稍大(3V 24MHz工作电流为130μA)
标定
测量仪器做出来后还要进行标定,额温枪的标定方式分为三种。
单点标定:要求简单,无需恒温房,只需一个恒温槽,精度较低,可以满足筛选要求。标定时间<10秒。
双点标定:要求适中,普通空调恒温房,需要两个恒温槽,大部分精度为±0.2℃,部分精度±0.3℃。标定时间10~20秒
多点标定:要求较高,专业恒温房,至少需要两个恒温槽,精度高,批量符合过检标准。标定时间30秒。
认证
如果要想将额温枪产品出口到欧洲的话,还需要通过CE认证。认证的简要流程如下:
1.厂家需要做ISO13485医疗器械质量管理体系,找欧盟公告机构、有资质发该体系证书的机构审核。
2.测试
通过额温枪四个标准的测试
EN60601-1 医用电气安全通用标准
EN60601-1-2 电磁兼容
EN60601-2-56 额温枪专标,性能标准
EN60601-1-11 医疗产品家用环境试验标准
3.技术文件编写,根据MDR医疗器械指令编写产品技术文件,递交发证的欧盟机构审核。
4.找到欧盟代表,拿资料去欧盟主管当局申请注册备案。
5. 2和3审核通过后,欧盟欧盟公告机构将所有资料递交给欧盟总部机构颁发CE证书。
额温枪从设计到上市的流程就是这些,作为一款二类医疗器械,稳定性和精度是必须保证的。尤其是在当下国外疫情未见缓势,国内额温检测仍未松懈的情况下,通过CE验证且精密的可靠额温枪能提供更大的助力。
如果没有专业恒温房又想要过认证呢?华秋可以协助建立标准生产流程、指导过认证,并实现更迅捷的出货速度,从完整开发方案到PCBA模组的配齐服务,最低至20元以内。
本文由电子发烧友网原创,未经授权禁止转载。如需转载,请添加微信号elecfans999。
无需修改程序、兼容所有模拟传感器的华秋额温枪pcba,了解详情>>