时间:2022-08-03 09:52
人气:
作者:admin
市场分析公司 Technavio 最近表示,预计未来几年系留无人机和无人机市场将增长 70% 以上。
无人机制造公司 Flyfocus 改进了其系留无人机的飞行时间、有效载荷和安全性。
系留无人机具有特殊功能,例如快速数据传输、电池连续充电的可能性、更好的控制和最大的安全性。FlyFocus 的新型 CableGuard 可以在系留模式下翱翔至 70 米的高度。
在接受采访时,Flyfocus 的发言人指出,应用还包括安全和监控。它们在长途飞行中“连接”的能力在特殊需要的情况下提供了应急通信网络。随着应用需求开始引起更大的兴趣,设计要求必须满足高度要求的附加功能,例如操作扩展,因此需要更出色的耐候性,但最重要的是,要有足够的电源和安全系统来保护无人机免受黑客攻击。
为什么是系留无人机?
系留无人机的技术发展为边境巡逻、直播活动、临时通信塔、低空卫星监视等开辟了新的可能性。但是许多应用程序肯定在路上。
系留无人机的出现始于 2016 年,因为它们参与了军事系统。遥控无人机是一种系在地面上的无人驾驶飞行器。它由地面基站和无人机组成,无人机通过系绳(电缆)与基站相连。无人机可以远程操作以执行特定任务。系留无人机可用于各种应用,尽管其中大部分都专注于空中观察和电信。特别是,由于系留连接的可靠性,系留无人机非常适合数据捕获和遥测。
通过从系留无人机开始,然后向后跟踪电缆连接,任何人都可以随时了解所有者是谁。从表面上看,这似乎次于安全性,但皮带本身的形象,加上主人的确定性,可以让附近的人放心。然而,连接电缆对所有者来说也有好处:如果飞行系统突然失控,系留的无人机将永远无法徘徊和迷路。
能源管理
系留无人机的主要挑战之一是涉及转子驱动电机和控制电子设备的电源管理。电力流经长电缆会引入必须补偿的传输损耗。电缆(传输线)的目的是将无人机保持在预定高度并保证电力和数据传输。厚度和长度的限制也与应用有关。每条传输线都可以被认为是由无限长 ∆x 的无限元素组成,每个元素等效于一个包含无限电感、电容、电阻和电导的电路。传输线的正确模拟允许定义参数。导体中电磁场传播的现象在波长与导体尺寸相当的频率下变得显着。在这些频率下,两点之间的电气连接不能再通过集中参数系统来描述,而必须使用分布式参数方法来描述。我们可以看到沿传输线的电压和电流由一对相反方向的波组成。
以特斯拉的方式思考,提供低损耗的可能性是采用可以通过电缆传输的高电压,然后在无人机内部以所需的水平进行功率转换。高直流电压降低了系绳中流动的电流。显然,重量是选择 DC/DC 组件的关键因素。
固定比率总线转换器模块
Flyfocus 使用 Vicor 的转换器技术,特别是 BCMx 模块,这些模块通常提供 98% 的效率,能够在 400 VDC 的输入电压下以 48V 提供 1,750 W 的功率。BCM 采用 ChiP 或 Vicor 集成适配器 (VIA) 封装,可简化冷却并提供集成 PMBus 控制、EMI 滤波和瞬态保护。由于这些转换器是固定比率设备或称为总线转换器并且不包含输出电压调节,因此确保了高效率。这些类型的转换器适用于双向电源转换。
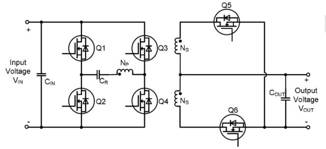
Vicor 的 BMC 系列采用正弦振幅转换器 (SAC) 拓扑来提供高水平的转换效率。虽然大多数 DC/DC 转换器拓扑采用 PWM 技术来控制次级功率输出,但 SAC 提供了一种解决限制 PWM 频率的开关损耗挑战的优雅方法。SAC 的目标是减少噪声谐波的产生,从而通过更轻、更小的组件提高效率。低 EMI 减少了滤波组件的使用。这种类型的转换器使用 MHz 量级的方波信号,远高于经典的 PWM,并且幅度与输出负载相匹配。

图 1:SAC 转换器的简化布局(来源:Vicor)

图 2:系留无人机电源系统框图(来源:Vicor)
Flyfocus 发言人强调了电源管理配置对项目成功的重要性。“图 2 显示了我们使用 Vicor 模块的配置:BCM6123 为无人机的内部电子设备提供隔离和 400 VDC 的 48 VDC 总线电源。通过使用这项技术,我们能够使电源转换器部件的总重量达到 200 克的数量级。”
系留无人机技术正在获得动力,作为一种功率配置,可提供高效率和低重量,使无人机设计人员能够最大限度地提高有效载荷能力并减少系绳阻力。系留无人机正在市场上寻找公共服务任务的应用,并在不同领域进行 24/7 监视和监控。
审核编辑:汤梓红