时间:2025-03-19 14:49
人气:
作者:admin
早期的翻盖功能虽然简单,仅能实现拨打电话,但在当时已然代表了一项重要的技术突破。如今,这种对技术的期待并未消退,反而愈发强烈——人们期待手机具有更强大的功能组合:更高分辨率的屏幕、更长的电池寿命、更快的处理速度,尤其是更小的外形尺寸。
拥有这样想法的人不在少数。无论是手机、耳机、手表,还是日常家电如吹风机,消费者都期望它们在功能和尺寸上不断优化。如果成本、尺寸或功能没有改进,大多数消费者就不太可能购置已拥有产品的升级款。
缩小体积,增强功能的趋势也影响了设计人员,他们专注于提高系统功能和性能,同时降低整体系统尺寸和成本。
为了帮助系统设计人员,包括 在内的商正在开发功能丰富、体积更小的 ()和嵌入式处理器。这些器件采用经过优化的封装,在印刷电路板 () 上占用的空间更小,从而能够为更多元件和更大电池提供更多空间,以延长使用寿命。在封装内部,这些器件的设计也在不断发展,集成了大量元件以扩展功能,同时减少对分立式元件的需求。
本文将探讨封装和模拟元件集成如何在保障嵌入式处理器功能的情况下帮助减小其尺寸,以及优化封装对制造工艺的影响。
封装
封装创新是领域少数肉眼可见的改进之一。为了帮助减小封装尺寸,半导体制造商将传统引线选项改为先进的封装选项,以此去除不必要的塑料外壳和引线。这些封装选项的尺寸与芯片尺寸直接相关,可以减少实现预期功能所需的面积。
TI 在其嵌入式处理产品系列中提供了多种微型封装:
四方扁平无引线封装 (QFN)QFN 封装不使用传统的引线,而是由塑料外壳边缘周围的扁平触点和底部的裸露导热垫组成,以提高导热性能。图 1 显示了 MSPM0C1104 的封装图,这是一款 20 引脚微控制器,尺寸仅为9mm2。

图 1:采用 20 引脚 0.8mm QFN 封装的 MSPM0C1104 图纸
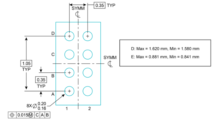
晶圆芯片级封装 (WCSP)与其他封装类型相比,这些封装的外形尺寸更小。焊球阵列直接连接到硅片,使封装尺寸等于硅片尺寸(请参见图 2)。这一封装在1.38mm2的空间内装入了 8 个焊球,使每平方毫米区域集成更多功能。此外、MSPM0C1104 还采用比同类器件小 38% 的 WCSP 封装,使其成为全球超小型 MCU。

图 2:MSPM0C1104 八球 WCSP 封装图纸(标称值为 1.50 x 0.86mm,厚度为 0.35mm)
集成
解决电路板空间有限问题的另一种方法是优化设备中的功能集成。每个元件都有自己的塑料封装、引线和所需的布局空间,与具有集成功能的单个芯片相比,它们会占用更多的电路板空间。
在推动小型化的过程中,集成模拟和数字外设的 MCU 和将发挥重要作用。以脉动式血氧计为例。与 图 3 所示的离散设计方法相比,将 ()、和集成到 MCU 中可以减少所需元件的数量,从而缩小 PCB 尺寸,如图 4 所示。

图 3:采用分立式模拟元件的脉动式血氧计设计

图 4:采用集成元件的脉动式血氧计设计
选择在 MCU 中集成哪些功能需要做出一些权衡。功能集成可以减少设计中的元件数量,但包含不必要的功能可能会违背意图并增加单芯片解决方案的尺寸。
这就是功能优化如此重要的原因。添加的外设与裸片尺寸和器件成本直接相关。未利用的功能可能会浪费空间和金钱,并降低空间受限设计的效率。了解市场的真实需求可打造出具有成本和尺寸优势的嵌入式解决方案。例如,8 焊球 MSPM0C1104 WCSP不仅体积小巧,而且具有众多集成功能和元件。它采用 1.38 mm2 封装,搭载 16KB 的闪存存储器,具有三通道的 12 位 C 和三个计时器。通过使用 MSPM0C1104 等器件来优化每平方毫米的功能数量,可以在设计中提升空间利用效率。

图 5:MSPM0C1104 与无线耳机之间的尺寸对比
随着物理变得越来越小,设计和生产方法也在不断发展。虽然采用更小的元件有助于充分减小 PCB 尺寸,但还需要考虑布局、处理和生产流程。
采用芯片级封装进行设计时,有两种类型的 PCB 焊盘图案十分有用:阻焊层限定 (SMD)和非阻焊层限定 (NSMD),如图 6 所示。SMD 类型包含与基板重叠的较大铜焊盘,而 NSMD 类型包含较小且更具精度的铜焊盘。NSMD 类型焊盘可在芯片级封装中提供更高的均匀覆盖能力、更好的布线性能和更低的应力。

图 6:NSMD 和 SMD PCB 焊盘图案
元件放置和处理可能也并非易事。对于半导体和产品制造商而言,制造过程中使用的拾取和放置机器以及真空笔可充分降低损坏 WCSP 和 BGA 封装裸片的风险。为了提高放置精度,拾取和放置机器中的视觉系统可以定位封装轮廓或单个凸点。焊锡凸点几何形状可实现 PCB 焊盘的自定心和校正。随着电气元件尺寸的减小,制造也在不断发展以适应变化。
结语
创新是一个循环的过程。消费者一直期待功能丰富的轻量级产品。工程师们正在进行设计以平衡利益冲突。半导体行业正在不断发展,以优化封装和功能选项。在当前一代产品上市后,团队就会开会来集思广益,以寻找下一个最佳产品,然后这个重复这一循环。
TI在半导体小型化方面所做的努力包括选择性功能集成、封装优化和制造工艺进步,为工程师在微型世界中设计产品提供更多选择和可能性。
Fidus Sidewinder-100集成PCIe NVMe 控制系统,有