时间:2025-07-17 11:30
人气:
作者:admin
英文全称 Universal Serial Bus,即通用串行总线,是一个外部总线标准,用于规范与外部设备的连接和通讯。
FTDI 公司的USB2.0 芯片FT232H 进行USB
FH232H芯片在内部不仅完成了USB 硬件差分电平转换,还封装了USB 的相关协议,留出数据交互接口
FH232H可以默认配置为模式,还可配置为JTAG,FIFO,IIC,SPI,本次将其配置为FIFO进行实验。
作为只需要关注数据交互接口的时序即可实现USB功能。

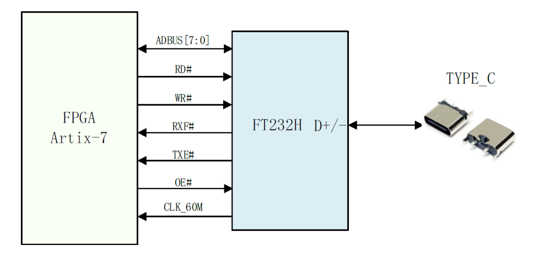
SE/Multi_purpose UART/FIFO controler:该模块为多功能UART/FIFO ,它集成了面向用户的IO,直接负责与用户端(FPGA)进行数据交互。当把FT232H 配置成不同的模式时,管脚会有不同的含义

(I/O是对于FT232H来说)
BUS[7:0]: (I/O) 数据,双向IO接口(读写不能同时发生)
RD: (IN) FT232H中的数据输出使能,由FPGA发送给FT232H,低电平有效
WR: (IN) FT232H中的数据输入使能,由FPGA发送给FT232H,低电平有效
RXF: (OUT) FT232H中的FIFO数据可读标志位,低电平有效
TXE: (OUT) FT232H中的FIFO数据可写标志位,低电平有效
OE: (IN) FT232H中的数据输出,低电平有效
CLKOUT: (OUT) 60MHz,由FT232H产生并传递给FPGA作为本次实验主时钟
SIWU: (OUT) FT232H中的数据立即发送使能,低电平有效

读时序:232拉低RXF表示有数据可读 > FPGA拉低OE使能输出 > 等待数据有效 > FPGA拉低RD > 有效数据 > 232拉高RXF > 读空 > FPGA需要同时拉高RD和OE
写时序:232中FIFO未满 > 232拉低TXE > FPGA拉低WR > 向232写入数据 > 232拉高TXE > 写满
硬件设计:参考https://github.com/WangXuan95/FPGA-ftdi245fifo,正点原子达芬奇Pro

连接好硬件后进行FT232H模式修改:
在官网下载ft_prog
安装后运行,去掉其他FT器件,按如图所示操作

编写代码实现回环(参考正点原子源码)
配置管脚,按硬件连接配置管脚

xilinx vivado FIFO IP核配置:


顶层模块
moduleusb_loopbk ( input usb_clk_60m, //FT232输出的60M时钟input sys_t_n, //系统复位 ,低电平input usb_rxf_n, //FT232H中FIFO数据的可读标input usb_txe_n, //FT232H中FIFO数据的可写标output usb_oe_n, //FT232H数据输出使能output usb_rd_n, //FT232H读使能信号output usb_wr_n, //FT232H写使能信号output usb_siwu_n, //send immedia/wake upoutput c7, //send immediate/wake unout [7:0] usb_data //FT232H双向数据总线); //wire definewire[7:0] fifo_data_in; //从FT232进到FPGA的数据wire[7:0] fifo_data_out; //从FPGA输出到FT232的数据wire wr_en; //FPGA FIFO写使能wire rd_en; //FPGA FIFO读使能wire full; //FPGA FIFO写满信号wire empty; //FPGA FIFO读空信号//*****************************************************//** main code//*****************************************************assignusb_siwu_n =1'b1; //立即发送,唤醒assignc7 =1'b1; //立即发送,唤醒//USB 同步FIFO读写 usb_rw u_usb_rw ( .usb_clk_60m(usb_clk_60m), .rst_n (sys_rst_n), .usb_rxf_n (usb_rxf_n), .usb_txe_n (usb_txe_n), .usb_oe_n (usb_oe_n), .usb_rd_n (usb_rd_n), .usb_wr_n (usb_wr_n), .fifo_wr_en(wr_en), .fifo_rd_en(rd_en), .empty (empty), .usb_data (usb_data), .fifo_data_in(fifo_data_in), .fifo_data_out(fifo_data_out) ); //FPGA FIFO调用 fifo_generator_0 u_fifo_generator_0 ( .clk (usb_clk_60m), // input wire clk.srst(1'b0), // input wire srst.din (fifo_data_in), // input wire [7 : 0] din.wr_en(wr_en), // input wire wr_en.rd_en(rd_en), // input wire rd_en.dout(fifo_data_out), // output wire [7 : 0] dout.full(full), // output wire full.empty(empty) // output wire empty ); // ila_0 u_ila_0 (// .clk(usb_clk_60m), // input wire clk// .probe0(fifo_data_out), // input wire [7:0] probe0 // .probe1(fifo_data_in), // input wire [7:0] probe1// .probe2({usb_rxf_n,usb_txe_n,usb_oe_n,usb_rd_n,usb_wr_n}), // input wire [7:0] probe2// .probe3(0) // input wire [7:0] probe3// );endmodule
USB模块:
moduleusb_rw ( input usb_clk_60m, //FT232 输出的60M 时钟input rst_n, //系统复位 ,低电平//FT232Hinput usb_rxf_n, //FT232H 中FIFO 数据的可读标志input usb_txe_n, //FT232H 中FIFO 数据的可写标志outputreg usb_oe_n, //FT232H 数据输出使能outputreg usb_rd_n, //FT232H 读使能信号outputreg usb_wr_n, //FT232H 写使能信号inout [7:0] usb_data, //FT232H 双向数据总线//FPGA FIFOoutputreg fifo_wr_en, //FPGA FIFO写使能outputreg fifo_rd_en, //FPGA FIFO读使能input empty, //FPGA FIFO读空信号input [7:0] fifo_data_out, //FPGA FIFO中读出的数据outputreg[7:0] fifo_data_in //写入FPGA FIFO的数据); // localparam definelocalparamIDLE =4'b001; //FT232H 空闲localparamREAD =4'b010; //FT232H 读状态,此时数据从FT232H发送到FPGAlocalparamWRITE =4'b100; //FT232H 写状态,此时数据从FPGA发送到FT232H//reg definereg[2:0] cur_state; //读写现状态reg[2:0] next_state; //读写次状态reg usb_oe_n_d1; //usb_oe_n下一拍//*****************************************************//** main code//*****************************************************//在FT232H写状态,将FIFO的数据输出赋值给将USB数据总线,其他时候为高阻态assignusb_data = (next_state == WRITE) ? fifo_data_out :8'hzz; //产生FT232H数据输出使能usb_oe_nalways@(posedgeusb_clk_60mornegedgerst_n)beginif(!rst_n) usb_oe_n <= 1'b1; elseif (!usb_rxf_n) usb_oe_n <= 1'b0; else usb_oe_n <= 1'b1; end//FT232H数据输出使能usb_oe_n打一拍always @(posedge usb_clk_60m ornegedge rst_n) beginif (!rst_n) usb_oe_n_d1 <= 1'b1; else usb_oe_n_d1 <= usb_oe_n; end//状态跳转always @(posedge usb_clk_60m ornegedge rst_n) beginif (!rst_n) cur_state <= IDLE; else cur_state <= next_state; end//读写状态跳转条件always @(*) begincase (cur_state) IDLE: beginif (usb_rxf_n == 1'b0) //usb_rxf_n拉低,,ft232中数据可读,下一时钟进入去读FT232H数据 next_state <= READ; //usb_txe_n拉低且FPGA FIFO不空进入FT232H写elseif ((usb_txe_n == 1'b0) && (empty == 1'b0)) next_state <= WRITE;//ft232可写且本地fifo不为空else next_state <= IDLE; end READ: begin//usb_rxf_n拉高,ft232数据读空,从FT232H读回到空闲状态if ((usb_oe_n_d1 == 1'b1) && (usb_rxf_n == 1'b1)) next_state <= IDLE; else next_state <= READ; end WRITE: begin//usb_txe_n拉高或者FPGA FIFO被读空,回到空闲状态if ((usb_txe_n == 1'b1) || (empty == 1'b1)) next_state <= IDLE; else next_state <= WRITE; enddefault: next_state <= IDLE; endcaseend//状态赋值always @(*) begincase (next_state) IDLE: begin fifo_data_in <= 8'hzz; usb_rd_n <= 1'b1; usb_wr_n <= 1'b1; fifo_wr_en <= 1'b0; fifo_rd_en <= 1'b0; end//读状态时,将usb数据赋值给fifo_data_in READ: begin fifo_data_in <= usb_data; usb_wr_n <= 1'b1; fifo_rd_en <= 1'b0; //在usb_oe_n为低且在usb_oe_n下一拍也为低时拉低usb_rd_n,其他时候为高if ((usb_oe_n_d1 == 0) && (usb_oe_n == 0)) usb_rd_n <= 1'b0;//拉低读取标志位,开始读取ft232数据else usb_rd_n <= 1'b1; //在usb_oe_n下一拍为低,且usb_rxf_n也为低时使能FIFO写if ((usb_oe_n_d1 == 0) && (usb_rxf_n == 0)) fifo_wr_en <= 1'b1;//使能本地fifo写入数据else fifo_wr_en <= 1'b0; end//写状态时,使能fifo_rd_en和usb_wr_n WRITE: begin fifo_data_in <= 8'hzz; usb_rd_n <= 1'b1; fifo_wr_en <= 1'b0; usb_wr_n <= 1'b0; fifo_rd_en <= 1'b1; enddefault: begin fifo_data_in <= 8'hzz; usb_rd_n <= 1'b1; usb_wr_n <= 1'b1; fifo_wr_en <= 1'b0; fifo_rd_en <= 1'b0; endendcaseendendmodule
下载完成后断开下载线,只保留USB连接线,使用串口助手 ATK-FUSB测试:


成功的话会在接收窗口看到同样的数据返回。
上一篇:FPGA在机器学习中的具体应用
Fidus Sidewinder-100集成PCIe NVMe 控制系统,有