时间:2025-03-24 10:36
人气:
作者:admin
1 前言
(1) 什么是CRC校验?
CRC即循环冗余校验码:是数据领域中最常用的一种查错校验码,其特征是信息字段和校验字段的长度可以任意选定。循环冗余检查(CRC)是一种数据传输检错功能,对数据进行多项式计算,并将得到的结果附在帧的后面,接收设备也执行类似的,以保证数据传输的正确性和完整性。
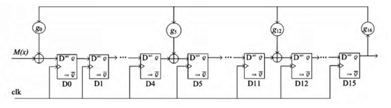
LFSR计算CRC,可以用多项式G(x)表示,G(x) = X16+X12+X5+1模型可如下图所示。

(2) 校验原理
其根本思想就是先在要发送的帧后面附加一个数(这个就是用来校验的校验码,但要注意,这里的数也是二进制序列的,下同),生成一个新帧发送给接收端。当然,这个附加的数不是随意的,它要使所生成的新帧能与发送端和接收端共同选定的某个特定数整除(注意,这里不是直接采用二进制除法,而是采用一种称之为“模2除法”)。到达接收端后,再把接收到的新帧除以(同样采用“模2除法”)这个选定的除数。因为在发送端发送数据帧之前就已通过附加一个数,做了“去余”处理(也就已经能整除了),所以结果应该是没有余数。如果有余数,则表明该帧在传输过程中出现了差错。
要校验的数据加上此数据计算出来的crc组成新的数据帧,如下图所示。

模2除法:
模2除法与算术除法类似,但每一位除的结果不影响其它位,即不向上一位借位,所以实际上就是异或。在循环冗余校验码(CRC)的计算中有应用到模2除法。
(3) 步骤
CRC校验中有两个关键点,一是预先确定一个发送送端和接收端都用来作为除数的二进制比特串(或多项式),可以随机选择,也可以使用国际标准,但是最高位和最低位必须为1;二是把原始帧与上面计算出的除数进行模2除法运算,计算出CRC码。
1. 选择合适的除数
2. 看选定除数的二进制位数,然后再要发送的数据帧上面加上这个位数-1位的0,然后用新生成的帧以模2除法的方式除上面的除数,得到的余数就是该帧的CRC校验码。注意,余数的位数一定只比除数位数少一位,也就是CRC校验码位数比除数位数少一位,如果前面位是0也不能省略。
3. 将计算出来的CRC校验码附加在原数据帧后面,构建成一个新的数据帧进行发送;最后接收端在以模2除法方式除以前面选择的除数,如果没有余数,则说明数据帧在传输的过程中没有出错。
(4) 计算实例
现假设选择的CRC生成多项式为G(X) = X4+ X3+ 1,要求出二进制序列10110011的CRC校验码。下面是具体的计算过程:
①将多项式转化为二进制序列,由G(X) = X4+ X3+ 1可知二进制一种有五位,第4位、第三位和第零位分别为1,则序列为11001
②多项式的位数位5,则在数据帧的后面加上5-1位0,数据帧变为101100110000,然后使用模2除法除以除数11001,得到余数。
③将计算出来的CRC校验码添加在原始帧的后面,真正的数据帧为101100110100,再把这个数据帧发送到接收端。
④接收端收到数据帧后,用上面选定的除数,用模2除法除去,验证余数是否为0,如果为0,则说明数据帧没有出错。
2 流程
(1)并行计算crc用语言描述是复杂繁琐的,所以可以使用在线工具生成verilog或者VHDL模板:http://www.es.com/webtools/crctool,模板生成的代码稍加修改即可使用。
(2)本次校验模型为G(x) = X16+X12+X5+1。在在线工具中操作相关选项生成模板。

模板v文件如下:
1 //////////////////////////////////////////////////////////////////////////////// 2 // Copyright (C) 1999-2008 Easics NV. 3 // This source file may be used and distribud without restricon 4 // provided that this copyright statement is not removed from the file 5 // and that any derivative work contns the original copyright notice 6 // and the associated disclaimer. 7 // 8 // THIS SOURCE FILE IS PROVIDED "AS IS" AND WITHOUT ANY EXPRESS 9 // OR IMPLIED WARRANTIES, INCLUDING, WITHOUT LIMITATION, THE IMPLIED 10 // WARRANTIES OF MERCHANTIBILITY AND FITNESS FOR A PARTICULAR PURPOSE. 11 // 12 // Purpose : synthesizable CRC function 13 // * polynomial: x^16 + x^12 + x^5 + 1 14 // * data width: 16 15 // 16 // Info : tools@easics.be 17 // http://www.easics.com 18 //////////////////////////////////////////////////////////////////////////////// 19 module CRC16_D16; 20 21 // polynomial: x^16 + x^12 + x^5 + 1 22 // data width: 16 23 // convention: the fit serial bit is D[15] 24 function [15:0] nextCRC16_D16; 25 26 input [15:0] Data; 27 input [15:0] crc; 28 reg [15:0] d; 29 reg [15:0] c; 30 reg [15:0] newcrc; 31 begin 32 d = Data; 33 c = crc; 34 35 newcrc[0] = d[12] ^ d[11] ^ d[8] ^ d[4] ^ d[0] ^ c[0] ^ c[4] ^ c[8] ^ c[11] ^ c[12]; 36 newcrc[1] = d[13] ^ d[12] ^ d[9] ^ d[5] ^ d[1] ^ c[1] ^ c[5] ^ c[9] ^ c[12] ^ c[13]; 37 newcrc[2] = d[14] ^ d[13] ^ d[10] ^ d[6] ^ d[2] ^ c[2] ^ c[6] ^ c[10] ^ c[13] ^ c[14]; 38 newcrc[3] = d[15] ^ d[14] ^ d[11] ^ d[7] ^ d[3] ^ c[3] ^ c[7] ^ c[11] ^ c[14] ^ c[15]; 39 newcrc[4] = d[15] ^ d[12] ^ d[8] ^ d[4] ^ c[4] ^ c[8] ^ c[12] ^ c[15]; 40 newcrc[5] = d[13] ^ d[12] ^ d[11] ^ d[9] ^ d[8] ^ d[5] ^ d[4] ^ d[0] ^ c[0] ^ c[4] ^ c[5] ^ c[8] ^ c[9] ^ c[11] ^ c[12] ^ c[13]; 41 newcrc[6] = d[14] ^ d[13] ^ d[12] ^ d[10] ^ d[9] ^ d[6] ^ d[5] ^ d[1] ^ c[1] ^ c[5] ^ c[6] ^ c[9] ^ c[10] ^ c[12] ^ c[13] ^ c[14]; 42 newcrc[7] = d[15] ^ d[14] ^ d[13] ^ d[11] ^ d[10] ^ d[7] ^ d[6] ^ d[2] ^ c[2] ^ c[6] ^ c[7] ^ c[10] ^ c[11] ^ c[13] ^ c[14] ^ c[15]; 43 newcrc[8] = d[15] ^ d[14] ^ d[12] ^ d[11] ^ d[8] ^ d[7] ^ d[3] ^ c[3] ^ c[7] ^ c[8] ^ c[11] ^ c[12] ^ c[14] ^ c[15]; 44 newcrc[9] = d[15] ^ d[13] ^ d[12] ^ d[9] ^ d[8] ^ d[4] ^ c[4] ^ c[8] ^ c[9] ^ c[12] ^ c[13] ^ c[15]; 45 newcrc[10] = d[14] ^ d[13] ^ d[10] ^ d[9] ^ d[5] ^ c[5] ^ c[9] ^ c[10] ^ c[13] ^ c[14]; 46 newcrc[11] = d[15] ^ d[14] ^ d[11] ^ d[10] ^ d[6] ^ c[6] ^ c[10] ^ c[11] ^ c[14] ^ c[15]; 47 newcrc[12] = d[15] ^ d[8] ^ d[7] ^ d[4] ^ d[0] ^ c[0] ^ c[4] ^ c[7] ^ c[8] ^ c[15]; 48 newcrc[13] = d[9] ^ d[8] ^ d[5] ^ d[1] ^ c[1] ^ c[5] ^ c[8] ^ c[9]; 49 newcrc[14] = d[10] ^ d[9] ^ d[6] ^ d[2] ^ c[2] ^ c[6] ^ c[9] ^ c[10]; 50 newcrc[15] = d[11] ^ d[10] ^ d[7] ^ d[3] ^ c[3] ^ c[7] ^ c[10] ^ c[11]; 51 nextCRC16_D16 = newcrc; 52 end 53 endfunction 54 endmodule
(3)修改模板最终如下:
1 `timescale 1ns/1ps 2 module crc16_test ( 3 input wire i_clk , //; 4 input wire i_rst_n , //同步复位; 5 input wire i_din_valid , //输入数据有效; 6 input wire [15:0] i_din , //输入数据; 7 output wire o_dout_valid , //输出CRC值有效; 8 output wire [15:0] o_dout //输出CRC; 9 ); 10 reg [15:0] r_dout; 11 wire [15:0] d; 12 wire [15:0] c; 13 assign d = i_din; 14 assign c = r_dout; 15 always @(posedge i_clk) begin 16 if (~i_rst_n) 17 r_dout <= 16'hffff; //初始值为ffff; 18 else if (i_din_valid) 19 begin //计算逻辑; 20 r_dout[0] = d[12] ^ d[11] ^ d[8] ^ d[4] ^ d[0] ^ c[0] ^ c[4] ^ c[8] ^ c[11] ^ c[12]; 21 r_dout[1] = d[13] ^ d[12] ^ d[9] ^ d[5] ^ d[1] ^ c[1] ^ c[5] ^ c[9] ^ c[12] ^ c[13]; 22 r_dout[2] = d[14] ^ d[13] ^ d[10] ^ d[6] ^ d[2] ^ c[2] ^ c[6] ^ c[10] ^ c[13] ^ c[14]; 23 r_dout[3] = d[15] ^ d[14] ^ d[11] ^ d[7] ^ d[3] ^ c[3] ^ c[7] ^ c[11] ^ c[14] ^ c[15]; 24 r_dout[4] = d[15] ^ d[12] ^ d[8] ^ d[4] ^ c[4] ^ c[8] ^ c[12] ^ c[15]; 25 r_dout[5] = d[13] ^ d[12] ^ d[11] ^ d[9] ^ d[8] ^ d[5] ^ d[4] ^ d[0] ^ c[0] ^ c[4] ^ c[5] ^ c[8] ^ c[9] ^ c[11] ^ c[12] ^ c[13]; 26 r_dout[6] = d[14] ^ d[13] ^ d[12] ^ d[10] ^ d[9] ^ d[6] ^ d[5] ^ d[1] ^ c[1] ^ c[5] ^ c[6] ^ c[9] ^ c[10] ^ c[12] ^ c[13] ^ c[14]; 27 r_dout[7] = d[15] ^ d[14] ^ d[13] ^ d[11] ^ d[10] ^ d[7] ^ d[6] ^ d[2] ^ c[2] ^ c[6] ^ c[7] ^ c[10] ^ c[11] ^ c[13] ^ c[14] ^ c[15]; 28 r_dout[8] = d[15] ^ d[14] ^ d[12] ^ d[11] ^ d[8] ^ d[7] ^ d[3] ^ c[3] ^ c[7] ^ c[8] ^ c[11] ^ c[12] ^ c[14] ^ c[15]; 29 r_dout[9] = d[15] ^ d[13] ^ d[12] ^ d[9] ^ d[8] ^ d[4] ^ c[4] ^ c[8] ^ c[9] ^ c[12] ^ c[13] ^ c[15]; 30 r_dout[10] = d[14] ^ d[13] ^ d[10] ^ d[9] ^ d[5] ^ c[5] ^ c[9] ^ c[10] ^ c[13] ^ c[14]; 31 r_dout[11] = d[15] ^ d[14] ^ d[11] ^ d[10] ^ d[6] ^ c[6] ^ c[10] ^ c[11] ^ c[14] ^ c[15]; 32 r_dout[12] = d[15] ^ d[8] ^ d[7] ^ d[4] ^ d[0] ^ c[0] ^ c[4] ^ c[7] ^ c[8] ^ c[15]; 33 r_dout[13] = d[9] ^ d[8] ^ d[5] ^ d[1] ^ c[1] ^ c[5] ^ c[8] ^ c[9]; 34 r_dout[14] = d[10] ^ d[9] ^ d[6] ^ d[2] ^ c[2] ^ c[6] ^ c[9] ^ c[10]; 35 r_dout[15] = d[11] ^ d[10] ^ d[7] ^ d[3] ^ c[3] ^ c[7] ^ c[10] ^ c[11]; 36 end 37 end 38 reg r_dout_valid = 0; 39 always @(posedge i_clk) //输入数据在一个时钟内完成CRC计算,下一个时钟输出; 40 begin 41 r_dout_valid <= i_din_valid; 42 end 43 44 assign o_dout_valid = r_dout_valid; 45 assign o_dout = r_dout ; 46 47 endmodule // end the crc16_test model;
3
仿真结果和在线工具计算结果进行比较,在线工具地址:http://www.ip33.com/crc.html。
(1)编写tb文件,对代码进行测试,测试结果如下图所示:

(2)在线校验。输入需要校验的数据,选择参数模型,输入初始值(此次crc结果的前一个crc值,代码中初始化为ffff)。可以对比发现计算无误。
第一次计算0011(初始值为ffff),结果为1f1f。
第二次计算0013(初始值为1f1f),结果为d2c1。

4 综合
本次综合参考芯片为:xc7k325fg676-2
(1) 资源使用量如下图所示。

(2) 模块时钟约束为100M,裕量如下图所示,满足时序要求。

上一篇:一文详解Vivado时序约束
下一篇:FPGA学习笔记
Fidus Sidewinder-100集成PCIe NVMe 控制系统,有