时间:2025-05-16 09:46
人气:
作者:admin
本篇文章来自 大神、Ardiuvo & Hackster.IO 博主 am Taylor。在这里感谢 Adam Taylor 对 ALINX 产品的关注与测试。为了让文章更易阅读,我们在原文的基础上作了一些灵活的调整,包括对一些专业名词进行了补充解释,便于初学者快速理解。原文链接已贴在文章底部。欢迎大家在评论区友好互动。
最近,我在办公室里搞了一块ALINX VD100。
这是一块基于 Versal Edge 平台的开发板,功能特别强大,可以用来做图像处理、等各种高阶应用。
为了方便随时开发,我把它连到了公司局域网,远程就能连接,由此开始了我的折腾之旅。
这次,我最想探索的是:怎么在这块板子上跑图像处理的应用。
VD100不仅带了两个 MI 摄像头,还能直接连上LCD屏幕,基本满足了图像应用开发的需求。
第一步:让屏幕先亮起来!
搞摄像头太复杂,我决定先从屏幕入手——先通过测试图案生成器(st Pattern Generator)验证 LCD 屏幕图像显示链路的有效性。
ALINX VD100开发板支持的 LCD 屏幕,分辨率是1280×720(WXGA 标准)。
数据传输采用的是VESA 标准的 LVDS 接口。
这里稍微解释一下:
LVDS(低压差分)是一种高速又抗干扰的数据传输方式,特别适合屏幕传输高速画面。
VESA 和 JEIDA 是常见的两种 LVDS 传输标准,咱们用的是 VESA。VESA 更国际通用,JEIDA 常见于日本厂商。
在 VESA 标准下使用 RG888 格式时,屏幕的每一帧图像数据和控制信号(如同步信号 hsync、vsync)会被打包进 4 条数据通道里,同时还有第 5 条通道专门传时钟(Clock),方便接收端正确还原数据。

每次跳动时,每条数据通道都会同步传7 位数据。
听起来有点复杂?简单说就是:用 4+1 条小路,高速搬运屏幕画面。
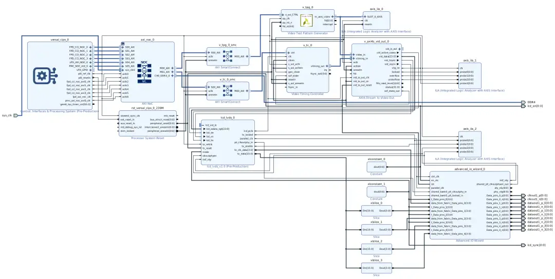
开发流程:搭建系统设计
为了让板子顺利传屏幕数据,我们需要在 Vivado(AMD/Xilinx 的开发工具)里做一套设计,包括:
CIPS
→ 配置 VD100 平台上的 V100 SoM。
NOC
→ 配置 MC,并开两条 MAXI 输出,提供数据存取支持。
测试图生成器 (Video Test Pattern Generator, TPG)
→ 通过 AXI Lite 总线连接到 NOC,生成标准图像(比如彩条、棋盘格)。
视频时序生成器 (Video ming Controller, VTC)
→ 通过 AXI Lite 总线连接到 NOC,生成 LCD 显示需要的同步信号(如 hsync、vsync)。
AXI4-Stream to Video Out
→ 与上述两个生成器相连,把测试图和时序信息组织成并行视频流(RGB888格式)。
LCD_LVDS IP核
→ 把并行视频信号转成符合 LVDS 规范的数据流。
Advanced IO Wizard
→ 负责真正的串行化操作,把数据以 LVDS 标准发出去(包括 4 路数据+ 1 路时钟)。
最终 LCD 屏幕接收到 LVDS 信号并显示图像。
这套设计(可以在我的 GitHub 上找到)如下所示:

通过这个系统,我们可以使用 CIPS 内置的来控制测试图案,从而验证各颜色通道是否正常。
设置和驱动 LCD 显示器的 CIPS 端代码也非常简单,如下所示:
#include < stdio.h >
#include "platform.h"
#include "xil_printf.h"
#include "xvtc.h"
#include "xpaete.h"
#include "xv_tpg.h"
#include "xvi.h"
#include"vga.h"
XV_tpg tpg;
XVtc VtcInst;
VideoMode video;
XVtc_Config *vtc_config ;
int main()
{
XVtc_SourceSelect SourceSelect;
XVtc_Timing vtcTiming;
u32 height,width,status;
init_platform();
print("Setting up Timingnr");
vtc_config = XVtc_LookupConfig(XPAR_XVTC_0_BASEADDR);
XVtc_CfgInitialize(&VtcInst,vtc_config ,XPAR_XVTC_0_BASEADDR);
print("Setting up Videonr");
video = VMODE_1280x720 ;
vtcTiming.HActiveVideo = video.width;
vtcTiming.HFrontPorch = video.hps - video.width;
vtcTiming.HSyncWidth = video.hpe - video.hps;
vtcTiming.HBkPorch = video.hmax - video.hpe + 1;
vtcTiming.HSyncPolarity = video.hpol;
vtcTiming.VActiveVideo = video.height;
vtcTiming.V0FrontPorch = video.vps - video.height;
vtcTiming.V0SyncWidth = video.vpe - video.vps;
vtcTiming.V0BackPorch = video.vmax - video.vpe + 1;;
vtcTiming.V1FrontPorch = video.vps - video.height;
vtcTiming.V1SyncWidth = video.vpe - video.vps;
vtcTiming.V1BackPorch = video.vmax - video.vpe + 1;
vtcTiming.VSyncPolarity = video.vpol;
vtcTiming.Interlaced = 0;
print("Setting up TPGnr");
XV_tpg_Initialize(&tpg,XPAR_XV_TPG_0_BASEADDR );
status = XV_tpg_IsIdle(&tpg);
XV_tpg_Set_height(&tpg, (u32) video.height);
XV_tpg_Set_width(&tpg, (u32) video.width);
height = XV_tpg_Get_height(&tpg);
width = XV_tpg_Get_width(&tpg);
XV_tpg_Set_colorFormat(&tpg,XVIDC_CSF_RGB);
XV_tpg_Set_bckgndId(&tpg,XTPG_BKGND_TARTAN_COLOR_BARS);
XV_tpg_Set_maskId(&tpg, 0x0);
XV_tpg_Set_motionSpeed(&tpg, 0x4);
XV_tpg_EnableAutoRestart(&tpg);
XV_tpg_Start(&tpg);
print("Setting up Sourcenr");
et((void *)&SourceSelect, 0, sizeof(XVtc_SourceSelect));
SourceSelect.VBlankPolSrc = 1;
SourceSelect.VSyncPolSrc = 1;
SourceSelect.HBlankPolSrc = 1;
SourceSelect.HSyncPolSrc = 1;
SourceSelect.ActiveVideoPolSrc = 1;
SourceSelect.ActiveChaPolSrc= 1;
SourceSelect.VChromaSrc = 1;
SourceSelect.VActiveSrc = 1;
SourceSelect.VBackPorchSrc = 1;
SourceSelect.VSync = 1;
SourceSelect.VFrontPorchSrc = 1;
SourceSelect.VTotalSrc = 1;
SourceSelect.HActiveSrc = 1;
SourceSelect.HBackPorchSrc = 1;
SourceSelect.HSyncSrc = 1;
SourceSelect.HFrontPorchSrc = 1;
SourceSelect.HTotalSrc = 1;
print("Run Timing Gennr");
XVtc_SetGeneratorTiming(&VtcInst, &vtcTiming);
XVtc_SetSource(&VtcInst, &SourceSelect);
XVtc_EnableGenerator(&VtcInst);
XVtc_RegUpdateEnable(&VtcInst);
XVtc_Enable(&VtcInst);
while(1){
};
cleanup_platform();
return 0;
}
LCD_LVDS 这个模块,我是直接从 ALINX 的 GitHub 仓库上下载的。
下载好后,把它加到 Vivado 里面,就能像拼积木一样拖进设计里。
LCD_LVDS 下载链接:https://github.com/alinxalinx/VD100_2023.2/tree/master/Demo/course_s1
写好所有程序后,我们让开发板运行,屏幕上果然显示出了测试图案,色彩鲜明,说明各个颜色通道都正常了。开发板和屏幕之间的沟通,算是正式打通了!


不过,这里面有个很有意思的事情。
Advanced IO Wizard 这个模块,默认是按 8 位一组来打包数据发出去的。
而我们的 VESA LVDS 传输,要求 7 位一组。这咋办?
我用到了一个叫做 Gearbox 的小模块,把 7 位数据转换成 4 位数据输出。
然后,用 Advanced IO Wizard 把 4 位数据高速串行发出去。
这样就实现了 7 位序列化,虽然中间多了一步变换,但整体还是很高效的。
不过,其实只要手动配置一下,Advanced IO Wizard 也是可以支持直接 7 位打包发送的,只是这次参考了 AMD 的官方应用笔记(参考代码叫 tx_piso_7to1),所以先用了 Gearbox 的方式。
未来有机会的话,我想试着优化一下,直接用 7 位串行模式,把系统做得更简洁高效!
接下来要做的
现在图像输出环节已经搞定了,接下来就是更刺激的前端部分:
通过 MIPI 接口接入摄像头,把真实拍到的图像,实时显示到屏幕上。
真正的图像处理任务,马上就要开始啦!
(未完待续)
审核编辑 黄宇
Fidus Sidewinder-100集成PCIe NVMe 控制系统,有