时间:2025-07-14 11:21
人气:
作者:admin
“Icepi Zero 是一款 Raspberry Zero 尺寸的便携式 开发板,基于 ECP5。”
Made with 系列将支持新的展示方式。直接将以下链接复制到浏览器中(或点击“阅读原文”):https://www..cn/ecadViewer/viewerPage?xmlId=02070198-e0ce-4a9c-9d3b-bf71cef6644d&fileZip=%2Fdata%2Fdesign%2Fdemo%2F02070198-e0ce-4a9c-9d3b-bf71cef6644d.zip即可动态查看设计的原理图、、3D 及 BOM,查询设计中器件、走线、焊盘的属性详情。还可以在原理图中与小助手互动,帮您更高效地学习设计细节:


概览Icepi Zero 是一款经济实惠的 FPGA 开发板,采用 Raspberry Pi Zero 的外形设计。该开发板搭载了 Lattice ECP5 25F 芯片,既能实现强大的设计功能,又能保持小巧便携的尺寸。此外,它还配备了 HDM-mini ,支持轻松实现数字输出。

目前市面上最强大的FPGA开发板价格昂贵且体积庞大。
我一直希望拥有一款低成本便携式 FPGA 开发板,支持视频输出功能,以便自行设计 ,但市面上尚未有此类产品。
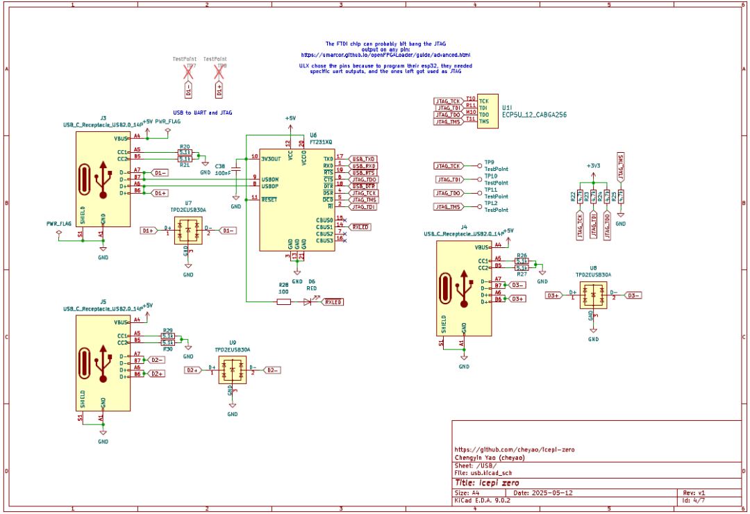
Icepi Zero 旨在解决这一问题。它搭载了一颗强大的 ECP5 FPGA,采用小型 Raspberry Pi Zero 形态,是 FPGA 开发领域的终极便携解决方案。此外,它还配备了 HDM-mini 接口和 3 个 -C 接口,可与多个外部 I/O 设备进行连接。
Icepi Zero 适合所有人:学生可以利用它学习现代的内部结构。游戏玩家可以利用它老旧硬件。可以利用它在多种架构上测试代码。
Icepi Zero 还内置了 USB 到 JTAG ,因此无需外部器。此外,Icepi Zero 完全开源,无任何附加条件。如果你想拥有它,可以自行制作电路板!

功能与规格
Raspberry Pi Zero 尺寸
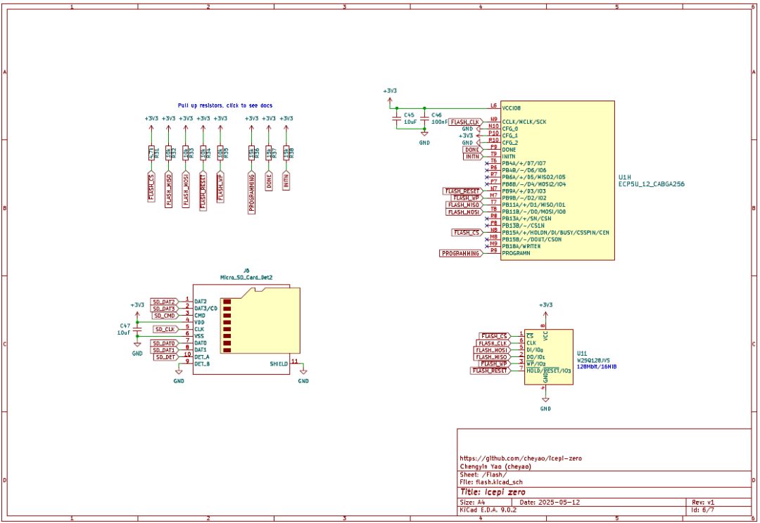
Lattice ECP5U FPGA:
24k LUT
112 KiB内存
一个 MiniGPDI 接口
三个 USB-C
256Mbit 166MHz
MicroSD 卡槽
板载 US B到 JTAG 和 转换器
40MHz 外部
128Mbit 闪存
4 个用户
1 个用户按钮

原理图 & PCB











LicenseSolderpad Hardware License v2.1仓库 & 下载
可以在Github中获取开源仓库:
https://github.com/cheyao/icepi-zero
Fidus Sidewinder-100集成PCIe NVMe 控制系统,有