时间:2024-04-12 16:22
人气:
作者:admin
实验VIvo工程为“ibert_st”,目录中还有一个“ibert_ex”,是生成的测试工程。
Vidado软件为我们提供了强大的误码率测试器IBERT,不但可以测试误码率还能测试眼图,给我们使用高速带来很大的便利,本实验做个抛砖引玉,简单介绍IBERT的使用。
1.1硬件介绍
使用IBERT测试误码率和眼图必须有个收发环通的硬件,开发板上有2个光纤,本实验把2个光接口收发两两连接,形成2个收发环通链路。
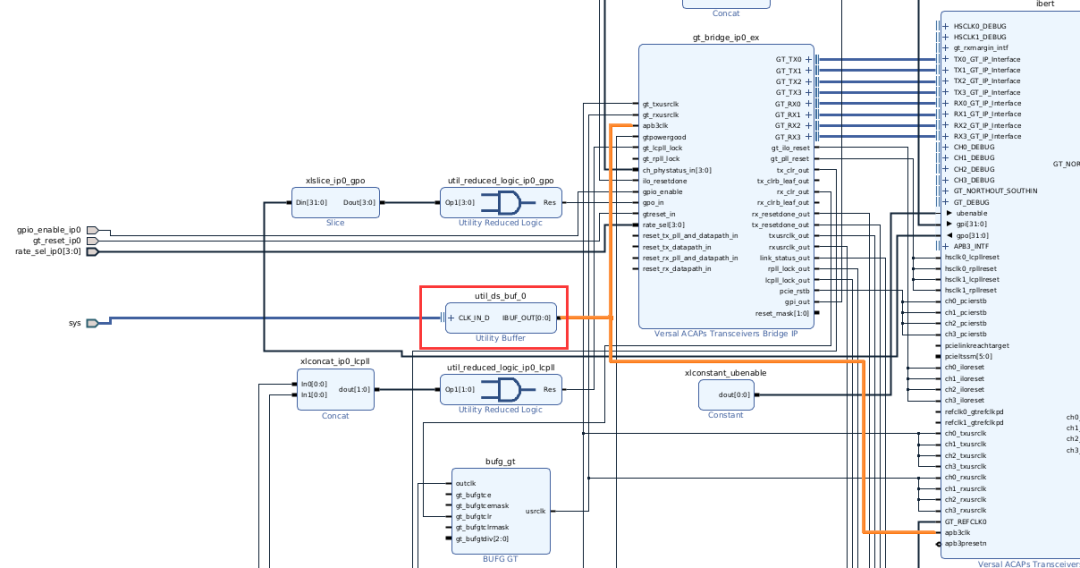
1.2Vivado工程建立
1)新建一个工程名为“ibert_test”
2)在“IP Catalog”中搜索“gt”快速找到“Versal APs Transceivers Wizard”,双击

3)“Component Name”改为”ibert”,并修改preset为“Aurora 64B/66B”

4)点击Transceiver Configs Protocol 0,配置发送和接收参数,点击OK



5)点击Generate

6)右键“Open IP Example Design...”,选择example工程路径


7)添加buffer连接到apb3clk

8)添加反向器连接到复位

9)其他一些配置为常数0

10)删除输出信号

11)配置sfp_disable为0

12)将CIPS改成PL system

13)约束引脚

14)生成pdi文件

1.3下载调试
1)插入光模块,然后使用光纤将2个光口对接,连接好JTAG下载线,给开发板上电

2)使用JTAG下载BIT文件到开发板,可以看到速度接近10.312bps。

3)选择IBERT,右键,选择“Create Links”

参考原理图,光纤连接到了Quad104的CH0和CH1,选择Link 0为Quad_104 CH_0 TX和CH1 RX对应,Link 1为Quad_104 CH_1 TX和CH0 RX对应

4)修改配置,码流选择PRBS 31,Loopback配置成None

5)配置完,可以点击BERT Reset,可以看到Erro都是0,重新开始测试。

6)选择一个链路,右键“Create S...”


7)默认配置出来的眼图,注意:使用不同的软件版本,测量眼图可能会有差异。

审核编辑:刘清
Fidus Sidewinder-100集成PCIe NVMe 控制系统,有