时间:2022-07-05 09:29
人气:
作者:admin
EasyGoDeskSim2022 内测版本已经完成,正在紧锣密鼓的进行内测。预计将于8月份正式发布。
新版本的EasyGoDeskSim实时仿真软件将提供更多实用的FPGA仿真功能,进一步提高产品的易用性与便捷性。下面,就随着小编来抢先了解体验一下部分新功能。
新功能1——多FPGA Solver融合解算
目前针对电力电子系统的实时仿真,大多采用FPGA来完成ns级别的实时仿真,主流有两种实现方式:
一种方式是采用HDL coder的方式。
优点:灵活,可任意自定义用户的算法。
缺点:1.对于用户的编程水平提出较高的门槛要求,需要对FPGA编程有一定的基础(了解时序,数据类型等);2.对于简单的电力电子系统(比如2电平, 3电平通用的模块来说)容易实现系统的节点电压方程,但是当系统比较复杂的时候,就比较难用数学方程来实现了; 3.需要进行FPGA 编译成bit流文件才能下载至FPGA 中运行, 需要耗费较多编译等待时间。
一种是采用特殊的开关建模方式来完成电力电子系统的FPGA 仿真。
优点:无需FPGA编译;任意拓扑搭建。
缺点:目前只能在FPGA 用通用的电力电子器件,当有一些需要添加一些自定义的模型的时候无法满足。
DeskSim2021版提供了三种FPGA Sovler模式:1.Nosolver模式;2.PowerElectronicSolver模式;3.FPGA Codersolver模式。(具体solver的功能详见软件帮助文档)。
2022版本增加了第4种solver模式:Power Electronic & FPGA Coder 混合解算模式。既可以结合两种方式FPGA仿真的优势,又可以弥补两种方式各自的缺点。

Power Electronic & FPGA Coder 混合解算模式下, 我们既可以在FPGA上进行电力电子系统功率电路的任意搭建,又可以用搭建自定义的模型模块,使得FPGA上的高速实时仿真更加的灵活易用,可以适用于比如基于FPGA的自闭环,自定义的高速电机模型等等更多场景。最最最重要的一点,模型的任意搭建运行都建立在FPGA不需要进行编译的前提下,大大提高易用性。

新功能2——多开关建模方式多核仿真
目前常用的开关建模方式有两类。
一类是基于Ron/Roff 建模。开关导通的时候,仿真成 Ron 并联 RsCs,开关断开的时候仿真成RsCs。
优势是仿真结果数值相对比较稳定,不受开关频率以及工况变化的影响;缺点是计算量大,不利于进行大规模电力电子系统的实时仿真。

一类是基于L/C 电流源建模。开关导通的时候,仿真成 小电感Lon,开关断开的时候仿真成小电容Coff, Lon 和 Coff 都可以看作成一个电流源并联一个导纳的形式。
优势是使得整个电路拓扑的系数矩阵不会因为开关的切换而变化,不需要在运算过程中重新计算系数矩阵,仿真过程更为简单,计算量小,易于进行实时仿真,缺点是工况变化时会受Gs值影响精度,开关频率高了也会导致损耗变大,对仿真步长要求更高。


DeskSim2022采用最新的解析算法,将两种开关建模方式进行融合,可实现混合实时仿真,更好的模拟电力电子系统的电磁暂态特性。

通过解耦模块进行电路解耦,一部分采用Ron/Roff 建模,一部分采用L/C 电流源建模,可以结合两种建模方式的优势。


新功能3——FPGA 多步长混合仿真
DeskSim 2022 的FPGA支持多种solver的混合应用,对于每一种solver可以采用不同的仿真步长。
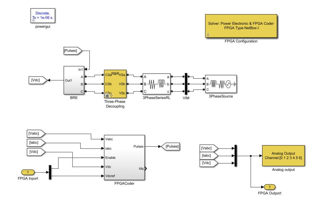
以下图模型为例,模型运行在FPGA上,FPGA解算方式采用的是 Power Electronic & FPGA Coder 解算,其中电力电子电路部分采用了两种开关建模方式,通过Three-Phase Decoupling进行解耦;同时,还有一部分模型采用了FPGA coder的自定义模型。

当模型载入到DeskSim中时,电力电子拓扑模型的仿真步长与FPGA Coder模型的仿真步长是可以分别设置的。
电力电子拓扑模型通过Powergui 中设置为1e-6,FPGA Coder部分设置为2.5e-6。系统实时运行时将自动完成不同步长的同步与交互处理。

更多特色的软件功能,欢迎继续关注后续DeskSim2022的产品发布。
Fidus Sidewinder-100集成PCIe NVMe 控制系统,有