时间:2020-10-11 11:17
人气:
作者:admin
摄像头之于计算机,就如同眼睛之于人类。我们认识世界,首先就是从像视觉这样的感官开始的。在利用感官获取信息后,我们将其筛选过滤,再将其储存至大脑中。那么,对于计算机来说,它是如何利用设备认识世界的呢?其过程,又与人类认识世界有哪些相似的地方呢?本期,小编为大家带来暑期学校优秀项目的图像处理合集。这些项目均利用了摄像头,获取图像后进行识别。
所有项目均附上了GitHub链接,并已开源。
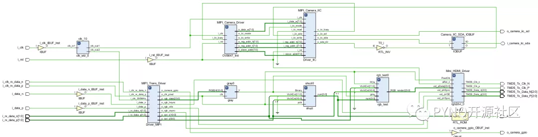
基于OV5646猜拳手势识别
项目介绍:该项目基于SEA-S7平台实现手势识别,可识别剪刀、石头、布手势并与FPGA进行比拼,得出猜拳结果。除此之外,程序预留接口,玩家可以与FPGA通过上位机访问FPGA,得到处理数据、原始数据,进一步拓展应用范围实现“手势数字”识别。
知识点:
HDMI数据显示
从中可以学习到了摄像头的使用
像素数据的处理、算法设计
上位机人机交互功能实现
状态机设计
UART通讯设计
Github链接:https://github.com/For-up/SEA-S7Guess
项目系统框图:
基于FPGA的数字识别
项目介绍:此项目基于Camera_Demo官方例程进行修改,在原有的摄像头采集的功能上,增加了图像处理和数字识别的功能。通过对采集图像进行灰度处理和二值化处理,进而根据 (0~9) 数字的特征进行分类,并可以通过外接LCD显示被测数字,同时通过HDMI外接屏幕观察处理后的图像。该项目可以作为OCR(Optical Character Recognition)的数字识别模块,经过优化可以在身份证识别,信用卡识别,车牌识别等应用场景使用。
Github链接:
https://github.com/SCAU-Winford/Digital-Recognition-Based-on-FPGA
项目系统框图:

数字识别
项目介绍:在图像处理领域,图像识别是较为困难而关键的技术。这项技术被广泛的应用到娱乐、工业、军事等领域。本次设计数字识别系统已经在车牌识别、运动员号码识别等多处运用。本系统包括了摄像头读取图像、图像灰度处理、数字识别、HDMI显示四个主要模块,成功识别到纯底色上的一位数字,并在显示屏上的数字表中选中该数字,基本实现了本次设计的功能。
项目系统框图:

多功能创客彩灯
项目介绍:创客彩灯,觉得仅仅一个摄像头识别颜色的彩灯功能过于简单,我们希望设计一个功能完善,可以自定义模式,自定义灯光强度,自定义灯光颜色,具有操作界面和人机交互方式的一个系统的工程设计。
我们的输入设备包括一个摄像头,用于检测颜色;两个按键开关,用于状态选择,输出设备包括一块屏幕,用于显示和人机交互;一个RGB_LED彩灯,用于显示颜色。开机后可以根据选择菜单上的模式进行选择,包括摄像头识别模式、手动选择模式、亮度调节功能。其中摄像头识别和手动选择方式各可以显示七种颜色,亮度调节可以实现三种彩灯亮度的变换。
学到的知识点包括且不限于:FPGA状态机的搭建、摄像头信号进行的图像处理、ip的封装和使用。
受限于时间,本次工程仅仅由一个屏幕和一个彩灯作为输出,工程量较小。但是摄像头颜色识别可以用于人工智能领域,初步分类一些容易由颜色区分的物体,例如可以用于判断红绿灯、检测物体状态等,使用FPGA则可以大大提高识别的速度和精度。
Github链接:
https://github.com/harveyhuang18/Colorful-Lights-Based-on-SEA-Board-and-...
项目系统框图:

编辑:hfy
Fidus Sidewinder-100集成PCIe NVMe 控制系统,有