时间:2020-11-21 09:57
人气:
作者:admin
作者:lee
在实现多级CIC滤波器前我们先来了解滑动平均滤波器、微分器、积分器以及梳状滤波器原理。CIC滤波器在通信信号处理中有着重要的应用。
这篇文章来介绍梳状滤波器以及积分梳状滤波器,为up sample rate convert 和 down sample rate convert 的FPGA实现打下基础。
1 梳状滤波器

梳状滤波器的两端为1和-1的权值,具有简单的多信道频率响应。
Matlab:
close all
clear all
Clc
%set system parameter
Fs = 352800; %sampling frequency
L = 8192;
%comb
b =[1,0,0,0,0,0,0,0,-1];
a =1;
%频率响应和相位响应
[h,f]=freqz(b,a,L,Fs); %freqz函数求频率响应
mag=20*log(abs(h))/log(10); %幅度转换成dB单位
ph=angle(h)*180/pi; %相位值单位转换
figure(1),
subplot(211);plot(f,mag);
xlabel('频率(Hz)','fontsize',8);
ylabel('幅度(dB)','fontsize',8);
title('freqz()幅频响应','fontsize',8);
subplot(212);plot(f,ph);
xlabel('频率(Hz)','fontsize',8);
ylabel('相位(度)','fontsize',8);
title('freqz()相频响应','fontsize',8);

因为滤波器的幅频响应像一把梳子,所以称作梳状滤波器。
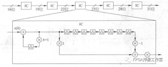
2 积分梳状滤波器

积分器和梳状滤波器的级联就是积分梳状(Integrator-Comb)滤波器。
Matlab:
close all
clear all
clc
%set system parameter
Fs = 44100; %sampling frequency
L = 8192;
%Integerator+comb
b =[1,0,0,0,0,0,0,0,-1];
a =[1,-1];
%频率响应和相位响应
[h,f]=freqz(b,a,L,Fs); %freqz函数求频率响应
mag=20*log(abs(h))/log(10); %幅度转换成dB单位
mag = mag -max(mag)
ph=angle(h)*180/pi; %相位值单位转换
figure(1),
subplot(211);plot(f,mag);
xlabel('频率(Hz)','fontsize',8);
ylabel('幅度(dB)','fontsize',8);
title('freqz()幅频响应','fontsize',8);
subplot(212);plot(f,ph);
xlabel('频率(Hz)','fontsize',8);
ylabel('相位(度)','fontsize',8);
title('freqz()相频响应','fontsize',8);


如图5所示,5个积分梳状滤波器级联的幅频响应如图6所示。

编辑:hfy
Fidus Sidewinder-100集成PCIe NVMe 控制系统,有