时间:2018-08-17 09:52
人气:
作者:admin
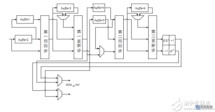
大家好,又到了每日学习的时间了,今天我们来聊一聊基于fpga设计9/7小波变换原理。
9/7小波变换包括行变换,列变换。
期中行变换包括第一步行变换,第一步行更新,第二步行变换,第二步行更新。
列变换包括第一步列变换,第一步列更新,第二步列变换,第二步列更新。


Fidus Sidewinder-100集成PCIe NVMe 控制系统,有