时间:2017-12-06 06:26
人气:
作者:admin
plc梯形图是使用得最多的图形编程语言,被称为PLC的第一编程语言。梯形图与电器控制系统的电路图很相似,具有直观易懂的优点,很容易被工厂电气人员掌握,特别适用于开关量逻辑控制。
梯形图常被称为电路或程序,梯形图的设计称为编程。
plc梯形图编程中,用到以下四个基本概念:
01软继电器PLC梯形图中的某些编程元件沿用了继电器这一名称,如输入继电器、输出继电器、内部辅助继电器等,但是它们不是真实的物理继电器,而是一些存储单元(软继电器),每一软继电器与PLC存储器中映像寄存器的一个存储单元相对应。该存储单元如果为“1”状态,则表示梯形图中对应软继电器的线圈“通电”,其常开触点接通,常闭触点断开,称这种状态是该软继电器的“1”或“ON”状态。
如果该存储单元为“0”状态,对应软继电器的线圈和触点的状态与上述的相反,称该软继电器为“0”或“OFF”状态。使用中也常将这些“软继电器”称为编程元件。
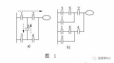
02能流如图1所示触点1、2接通时,有一个假想的“概念电流”或“能流”(Power Flow)从左向右流动,这一方向与执行用户程序时的逻辑运算的顺序是一致的。能流只能从左向右流动。利用能流这一概念,可以帮助我们更好地理解和分析梯形图。图1a中可能有两个方向的能流流过触点5(经过触点1、5、4或经过触点3、5、2),这不符合能流只能从左向右流动的原则,因此应改为如图1b所示的梯形图。

梯形图两侧的垂直公共线称为母线(Bus bar),。在分析梯形图的逻辑关系时,为了借用继电器电路图的分析方法,可以想象左右两侧母线(左母线和右母线)之间有一个左正右负的直流电源电压,母线之间有“能流”从左向右流动。右母线可以不画出。
04梯形图的逻辑解算根据梯形图中各触点的状态和逻辑关系,求出与图中各线圈对应的编程元件的状态,称为梯形图的逻辑解算。
梯形图中逻辑解算是按从左至右、从上到下的顺序进行的。解算的结果,马上可以被后面的逻辑解算所利用。逻辑解算是根据输入映像寄存器中的值,而不是根据解算瞬时外部输入触点的状态来进行的。
05plc梯形图与继电器控制系统图的区别通过plc梯形图与继电器控制系统图的对比,可以看到梯形图中的图形符号与继电器电路图中的符号十分相近,两图的结构也十分相似,所表达的逻辑关系一致,这是因为梯形图是从继电器控制图演变而来的,但是在使用中又有一定区别,因此梯形图与继电器控制系统图既有相同也有不同之处,两者的区别如下。
①继电器控制图中使用的继电器都是实际物理继电器;在PLC梯形图中,仍然沿用了继电器这一名称,如:输入继电器、输出继电器、中间继电器等,但这些不是真实的物理继电器,而是PLC的内部寄存器,称为“软继电器”。
②继电器控制图中电器元件间的连接必须通过硬接线连接,要改变控制功能,必须改变控制电路的实际接线;而PLC的接线是通过程序实现的“软连接”,只需改变用户程序,不需改变外部接线,就可以改变控制功能。
③继电器控制图中触点的个数是有限的,使用寿命也有限;而PLC每一个编程元件对应一个内部寄存器,其状态可以在程序中反复读取,可以认为PLC的继电器触点个数无限,没有使用寿命的限制。
06梯形图的组成①母线:梯形图的左侧竖直线称为起始母线,右侧竖直线称为终止母线(终止母线可以省略)。母线相当于电路中的电源线,梯形图从左母线开始,经过触点和线圈,终止于右母线。
②触点:梯形图中的触点有常开触点和常闭触点两种。这些触点可以是外部触点,也可以是内部继电器的状态,每一个触点都有一个标号,同一标号的触点可以反复使用。触点放置在梯形图的左侧。
③线圈:梯形图中的线圈类似于接触器与继电器的线圈,代表逻辑输出的结果,在使用中同一标号的线圈一般只能出现一次。线圈放置在梯形图的右侧。
上一篇:简化的RISC CPU设计解析
下一篇:最全最详细的继电器的选型规范
Fidus Sidewinder-100集成PCIe NVMe 控制系统,有