全球最实用的IT互联网信息网站!
AI人工智能P2P分享&下载搜索网页发布信息网站地图
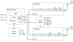
浅谈SDR设计SWaP和性能之间的权衡
阅读全文2022-06-22
基于FPGA的信号发生器系统结构分析
阅读全文2022-06-21
基于SRAM技术的Xilinx FPGA
典型的基于RTL的ASIC设计流程分析
阅读全文2022-06-20
如何在FPGA和ASIC之间做选择
正点原子探索版STM32F407,接入机智云之代码移植
开发者案例:基于机智云、RT-Thread智慧农业的
阅读全文2022-06-18
新功能发布 | TSMaster诊断模块之系统变量的灵活应
FPGA高速收发器的高速Serdes均衡技术
阅读全文2022-06-17
FPGA高速收发器如何解决信号完整性问题
英特尔FPGA 支持阿里云的加速即服务
使用Linux UIO框架实现ARM和FPGA的高效通信
英特尔Agilex FPGA在双轴电机控制系统的应
FPGA外接FT232H配置FIFO实现USB通信回环测试
CPU | 内存 | 硬盘 | 显卡 | 显示器 | 主板 | 电源 | 键鼠 | 网站地图
Copyright © 2025-2035 诺佳网 版权所有 备案号:赣ICP备2025066733号 本站资料均来源互联网收集整理,作品版权归作者所有,如果侵犯了您的版权,请跟我们联系。