时间:2010-04-12 14:30
人气:
作者:admin
介绍Atmel公司的无线收发器ATA5823/5824的基本工作原理及其在短距离无线传输中的应用。该系统是以C805lF530单片机为控制核心,其内置的A/D转换器将放大的压力、应变等信号转换为数字信号,再通过内置的SPI通信模块传送给ATA5823/5824,经ATA5823/5824编码调制后发射;接收端同样经ATA5823/5824接收并处理后传送至CPU或计算机,实现短距离无线传输。
随着通信和信息技术的发展,短距离无线通信技术的应用日益成熟。一般通信双方只要通过无线电波传输信息且传输距离限制在较短距离(几十米)以内。就可称为短距离无线通信。
Atmel公司生产的ATA5823/5824是UHF频段短距离无线收发专用器件,具备ASK和FSK两种调制方式,具有接收灵敏度高、功耗小、传输速率高、外围电路简单以及工作温度范同宽等特点,可用于轮胎气压监测、无匙进入系统及遥控、家庭自动化等短距离无线传输系统。
1 ATA5823/5824内部结构及特性
ATA5823/5824是一款高度集成的多通道、半双工,全双工的UHF频段ASK/FSK收发器,其内部结构如图l所示。FSK发射模式使用一个具有 N位小数分频的频率合成器,采用直接锁相环调制方式,而ASK发射模式采用

ATA5823/5824内部接收部分是一个低中频接收机,并具有很高的接收灵敏度。FSK模式下,传输速率20 KBaud时,接收灵敏度高达-105.5 dBm,而传输速率2.4 KBaud时接收灵敏度为-109 dBm;在ASK模式下,传输速率为10 KBaud时,接收灵敏度达-111.5 dBm,而传输速率为214 KBaud时,接收灵敏度高达-116 dBm。
ATA5823/5824采用7 mm×7 mm的QFN48贴片封装,工作温度范围宽达-40~105℃,低功耗模式下的耗电电流低于10 nA,电源工作范围为2.15~3.6 V或4.4~5.25 V,适用于
2 ATA5823/5824的SPI接口
ATA5823/5824通过高速的4线SPI接口与控制器连接,分别为片选CS、串行时钟SCK、串行数据输入SDI-TMDI和串行数据输出SDO- FMDO。该器件可通过硬件连接改变SPI接口从而实现与不同类型的控制器连接。例如,当CS-POL引脚为高电平时,片选信号CS是低电平有效,而 CS-POL为低电平时,CS则高电平有效。
SCK-POL和SCK-PHA定义接口时序的极性和SCK信号的相位。根据这2个引脚的高、低电平可组合成4种不同的接口时序,图2为其中一种接口时序。

3 在短距离无线传输中的应用
短距离无线传输领域中。无线
图3(a)和图3(b)分别给出无线传输系统结构框图和无线传感网络模块结构框图。

当系统工作于315 MHz时选用ATA5823,而工作于433 MHz时则应选用ATA5824。图3(b)中,单片机选用C8051F530。其工作温度范围为-40~+105℃,内部集成有A/D
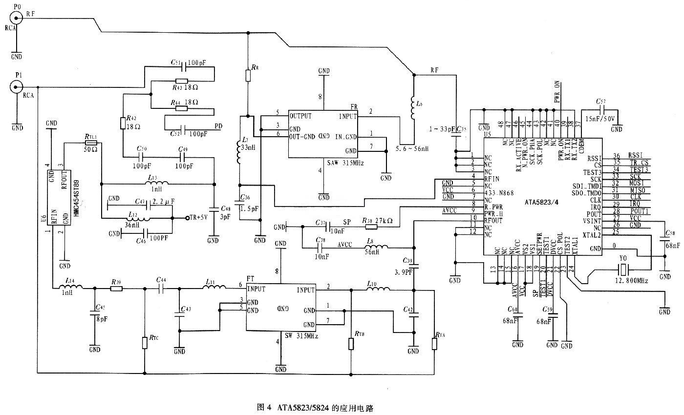
ATA5823/5824内部集成有收发开关。但其接收和发射引脚是独立的,在图4所示的应用电路中,为增大传输距离,在发射输出后进行功率放大,并采用收发天线分离方式,而未使用ATA5823/5824内部的收发转换开关。ATA5823/5824的射频输出引脚输出的射频信号经匹配网络后送入相应的滤波器,滤波后的信号送入功率

接收通道连接有与发射通道RTA等电阻具有类似作用的电阻RR。接收天线接收到的信号经匹配网络和滤波器进入ATA5823/5824的输入引脚。当接收通道无需滤波时,可不焊接滤波器,可在RR处焊接一只0 Ω的电阻。
主机通过RS232串口与计算机相连,将采集到的信息传送至计算机,同时启动计算机监控程序,进而对各个模块进行控制。
4 结束语
根据该系统结构和电路设计方案,应用ATA5823实现了压力、温度、加速度、应变测量结果的无线传输,其传输距离达20 m。通过所设计的相应计算机管理程序,能够实时显示测量数据并绘制变化曲线,并能将数据转换为EXCEL文档保存。实际试验证明,该系统无线传输模块埋入半米深的湿土层下,仍能有效传输测量数据,但此时传输距离仅约10 m。如果进一步完善传输协议,采用接力传输的方式将能拓展其应用场合。