时间:2010-01-26 16:08
人气:
作者:admin
MAX9312, MAX9314 双路、1:5差分LVPECL/LVECL/HSTL时钟和数据驱动器
概述
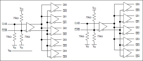
MAX9312/MAX9314是低扭曲、双路1:5差分驱动器,设计用于时钟和数据分配。这些器件接受两路输入。每个输入再生5路差分输出。差分输入经过调整后,可以允许单端输入,只需将片上VBB电源接到一个输入端作为参考电压即可。
MAX9312/MAX9314具有较低的器件到器件扭曲(30ps)和输出到输出扭曲(12ps),尤其适合于通过背板或电路板上的时钟和数据分配。在与差分HSTL和LVPECL信号接口时,这些器件工作在+2.25V至+3.8V的电源范围,能够实现在+2.5V或+3.3V标称电源的系统中,进行高性能的时钟或数据分配。与差分LVECL接口时,这些器件工作在-2.25V至-3.8V的电源范围。
MAX9312的片上VBB参考输出比正电源电压低1.425V。MAX9314提供的片上VBB参考输出比正电源电压低1.32V。
两种器件都提供节省空间的32引脚5mm x 5mm TQFP、5mm x 5mm QFN和工业标准的32引脚7mm x 7mm TQFP封装。
关键特性
应用/使用
低抖动数据中继器
精密时钟分配

功能框图