时间:2009-12-20 09:50
人气:
作者:admin
变容管调频无线发送器的制作及电路
工作原理
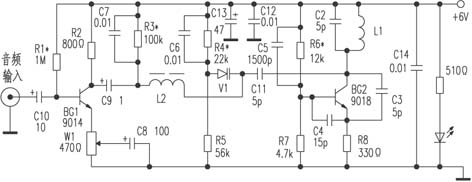
如图所示,整个发送器由低频放大、变容管偏置、振荡电路组成。音频信号由BG1放大后,送至变容管,使其容量随信号变化,对振荡电路直接调频,消除了采用三极管结电容调频的寄生调幅现象,谐波成分少。已调频的射频信号直接由L1向空间辐射。
元器件选择
电感L1用∮1mm的漆包线在∮8mm的圆管上绕5匝,脱胎空心。L2用∮0.1~0.3mm的漆包线在1/4W阻值大于100kΩ的碳膜电阻上绕100匝而成,接头焊于电阻两端,C2、C11、C4、C3、C5应采用优质瓷片电容。电阻均用1/8W,0.01μF的退耦电容用普通瓷片电容即可。
安装与调试
建议采用腐蚀法制作电路板,先焊接阻容元件,再焊接半导体元件,焊接完毕检查无误后,通上+6V电源,测9014发射极对地应有0.47~0.9V的电压,若不对,应调整R1。再测9018发射极对地应有1~2V的电压,若不对可调整R6,再测变容二极管两极应无电压,或两极电压差小于0.25V。若两极压差过大,可调整R3或R4。调整上述项目后,打开收音机FM段,收到发送器发射的信号,拉开至5米以上距离,若找不到发送器发送的信号,可调整L1,拉伸L1,基波频率上升,压缩L1,基波频率下降,使发送器发射频率避开当地电台,又能可靠接收。再接上单放机等设备的输出信号,仔细调整W1,使音乐在大音量时不失真为好(不可将单放机等设备音量开至最大,而要开在常用的音量位置)。以上项目调整完后,调试基本结束,将其装入结实的塑料或木盒中(不可用金属盒),加以装饰,用来听音乐或作电视伴音发射器,均与FM电台信号无异,清晰、稳定,可以称得上是一支“业余的专业发送器”。且无需天线,体积又小,由于在家中使用无须担心发射距离。
本人用它作电视伴音发射器,将音频输入接电视机的音频输出,用6V蓄电池供电,用一鳄鱼夹作开关。电路板用橡皮筋绑在电池上,连续用几十天,也不必担心电量用完。
实验点评
本发送器制作简单,性能可靠,成本低。具体制作时,笔者所用电路板为高频损耗小的环氧板,调试好后,各线圈均采用优质高频蜡封,效果很好。5pF的电容可用双面敷铜板代替(按1pF=1平方毫米计算)。

上一篇:自已制作调频发射机
下一篇:用与非门电路制作无线话筒及电路