时间:2009-12-20 09:53
人气:
作者:admin
用与非门电路制作无线话筒及电路
无线话筒在市场上随处可见,但是无一例外都是用LC振荡器或石英晶振电路构成的。众所周知,与非门具有放大(指小信号条件)及倒相的作用,所以只要用三个与非门,首尾相接,便构成一个环形振荡器(或者五个、七个、九个等奇数;级数多则频率低),再配上调频电路,同样也可做成一个无线话筒。
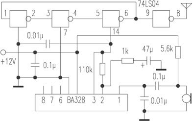
74L04是一块TTL集成电路,内有六个单端输入的与非门。笔者用其中三个与非门做成一个振荡器。当电源电压为5V时其振荡频率约为90MHz,电源电压降低时频率降低;电源电压升高时频率也升高。当然其振荡幅度亦会随之改变,但影响不大。这样,笔者使用改变电源电压的办法来改变频率(即达到调频)。具体做法是用一块音频放大集成电路BA328的输出,作为它的供电电源。
BA328是一块录音磁头的放大电路,当用于磁带信号作补偿及均衡时应该在第、脚之间接一个RC串并网络,但这里是用于线性放大,故只需接一只100kΩ~130kΩ的电阻即可。BA328输出端(脚)的电压应等于脚(供电)电压的二分之一,若供电电压为12V,则应有6V输出,如果不对,应调整此电阻。另外图中的1kΩ电阻是调节放大倍数的,减小它则增益提高。
对着驻极体话筒讲话时,输出端(脚)的电压能在5.8V到6.2V之间急速变化,此电压送到74LS04的脚上便能使它产生调频信号,再经第四个与非门放大、隔离而送往天线。
此无线话筒的供电电压也可改成6V或1.5V。另外,它的输出功率较小,读者可增加一级高频放大以改善之。
上一篇:变容管调频无线发送器的制作及电路
下一篇:自制电话分线器