全球最实用的IT互联网信息网站!

AI人工智能P2P分享&下载搜索网页发布信息网站地图

当前位置:诺佳网 > 电子/半导体 > 通信网络 >

4W调频发射电路图

时间:2009-12-22 10:05

人气:

作者:admin

标签: 发射电路 

导读:4W调频发射电路图-4W调频发射电路图TECHNICAL CHARACTERISTICS:Stabilised tendency of catering: Vcc=12~16VFrequency of emission: 88~108MHz...

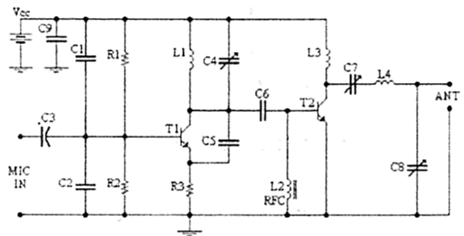
4W调频发射电路图

TECHNICAL CHARACTERISTICS:

Stabilised tendency of catering: Vcc=12~16V

Frequency of emission: 88~108MHz Consumption: 100~400mA

Materially:

The resistors are 1/4W.

R1, R2

10KOhm

R3

47Ohm

C1, C2

1nF

C3

4,7uF/16V

C4, C7, C8

0~45pF trimmer

C5, C6

10pF

C9

100nF

L1

4 turns, 7mm diameter *

L3

3 turns, 7mm diameter *

L4

5 turns, 7mm diameter *

L2

RFC (resistance 1MOhm with wrapped around her inductor of enough coils from fine isolated wire. Scratch of utmost inductor and you stick in utmost the resistance making thus a parallel L-r circuit.)

T1, T2

2N2219

ANT

Simple dipole l/2.

MIC IN

Microphone dynamic or other type. (It can also connected to a cassette player unit)

* The inductors is air from wire of coaxial 75W or other 1mm roughly.

 

Regulations:

With the C4 we regulate the frequency.

With their C7, C8 we adapt the resistance of aerial (practically to them we regulate so that it is heard our voice in the radio as long as you become cleaner).

Notes:

The T2 wants refrigerator.

温馨提示:以上内容整理于网络,仅供参考,如果对您有帮助,留下您的阅读感言吧!
相关阅读
本类排行
相关标签
本类推荐

CPU | 内存 | 硬盘 | 显卡 | 显示器 | 主板 | 电源 | 键鼠 | 网站地图

Copyright © 2025-2035 诺佳网 版权所有 备案号:赣ICP备2025066733号
本站资料均来源互联网收集整理,作品版权归作者所有,如果侵犯了您的版权,请跟我们联系。

关注微信