时间:2009-12-22 11:42
人气:
作者:admin
由BH1417制作高保真数码调频发射器
日本RHOM公司推出的新一代调频立体声发射IC:BH1417系列,其高频振荡部分采用频率合成电路,振荡频率稳定。音频信号的处理,将预加重电路、限幅电路、低通滤波电路(LPF)一体化,使音频信号的质量与BA 1404相比有很大改进。
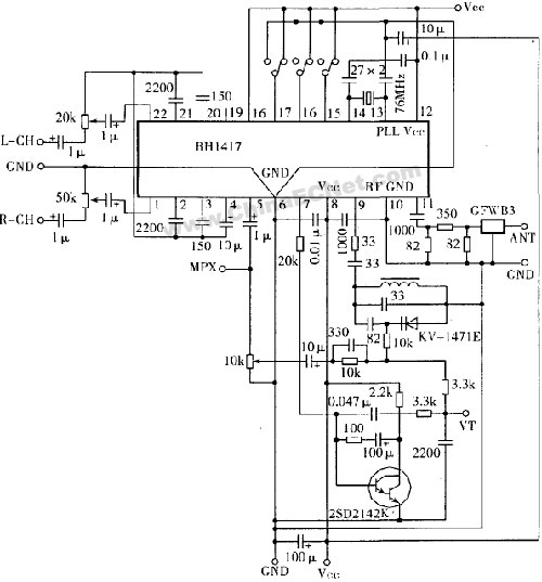
由BH1417制作的调频立体声发射板电路如附图所示。
第①脚和第{22}脚为音频信号输入端,耦合电容最好使用ELNA音频专用电解或钽电解。第③脚和第{20}脚为低通滤波器的可调端,接150pF电容可以滤除15kHz以上信号。第④脚接10μF电解电容,可以改善参考电压纹波系数。立体声信号从第⑤脚输出,10μF电解电容对音质也起着重要作用,接一只可调电阻可以调节声音大小。第⑦脚为PLL鉴相输出。第⑨脚的外围电容、电感、变容二极管等构成一个压控振荡电路。第{11}脚为射频输出端。第{15}一{18}脚为并行数据设置端,其高低电平所对应的输出频率如附表所示。


上一篇:2m,2w锁相调频发射机
下一篇:RFID系统天线设计