时间:2009-06-29 13:59
人气:
作者:admin
电感反馈振荡器电路


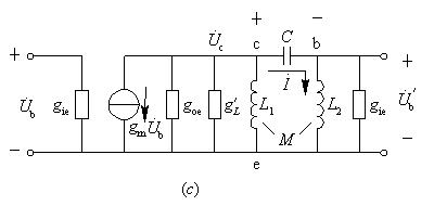
图 4-10电感反馈振荡器电路?
(a) 实际电路; (b) 交流等效电路; (c) 高频等效电路
同电容反馈振荡器的分析一样, 振荡器的振荡频率可以用回路的谐振频率近似表示, 即
式中的L为回路的总电感, 由图4-9有
实际上,由相位平衡条件分析, 振荡器的振荡频率表达式为 
起振条件
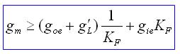
工程上在计算反馈系数时不考虑gie的影响, 反馈系数的大小为 
由起振条件分析, 同样可得起振时的gm应满足

上一篇:电容反馈振荡器的实际电路
下一篇:无线通信系统的组成