摘要:本文讨论EIA/
TIA-644低压差分
信号(LVDS)标准在3G移动
通信设备中的应用,LVDS具有低功耗、低辐射等优势,可理想用于W-C
DMA、EDGE和CDMA2000中的高速
时钟、数据传输。
3G移动通信,如:W-CDMA、EDGE和CDMA2000,让我们的
手机能高速接入丰富多彩的互联网世界。为了满足这一带宽的要求,基站(无线手持设备和有线
网络的
接口)必须处理和发送以指数率增长的巨量数据。
基站内部,这些数据在背板、电缆和电路板上高速传送。 低压差分信号(LVDS)将成为传输这些数据的信号标准,它减少了空间、噪声和功耗,这些
参数在基站设计中要求较为苛刻。
本应用笔记讨论了LVDS串行器、解串器、多
端口中继器、交叉点开关以及电平
转换器在数据、时钟分配中的应用。重点讨论与3G基站
设计相关的LVDS电路、架构、
规格。
LVDS是物理层数据接口标准,由TIA/EIA-644和IEEE 1596.3标准定义,主要为在平衡阻抗可控的100Ω介质上实现高速、低功耗、和低噪声点对点通信而设计。与其它差分信号标准一样,LVDS由于消除了磁场,它比单端信号辐射的噪声要低得多。同时外来噪声作为共模信号
耦合到两根线上(即两根线上的噪声电平相同),因此它的抗噪声能力比单端信号要强得多。另外,LVDS
驱动器的输出采用
电流驱动方式(图1),与其它差分信号标准中电压驱动相比较,它减少了地线回流,消除了涌浪电流。降低电压摆幅(只有±350mV,PECL是±800mV,
RS-422是2V)使LVDS能达到与PECL (>800Mbps)等同的数据速率,而功耗只有PECL的十分之一。LVDS的高速、低功耗和低噪声特性使它成为3G基站信号传送的理想标准。

图1. LVDS驱动器采用电流输出驱动,与其它差分信号所采用的电压模式相比可以减小地电位偏差的影响,同时也消除了穿通电流。
除上述优点外,LVDS串行器和解串器还给基站设计节省了大量的空间和金钱。为了满足3G网络的宽带要求,新基站与2G系统相比需要大量的板卡-特别是基带处理板,它担负着繁重的
数字信号处理工作,诸如扩频、交织和差错控制。随着这些板卡之间数据吞吐量的增加,传统TTL背板不再胜任,因为首先TTL逻辑不适合较高的工作速度,其次,宽并行总线需要大且昂贵的背板,这导致整个系统的增大和费用的增加。
Maxim的MAX9205串行器和MAX9206解串器通过把11条TTL线(10个数据和1个时钟)转换为一对高速LVDS线(图2),有效解决了上述问题。采用这种方案可以把互连密度降低5倍。在3G系统及其它具有大量板卡的基站中,这些
产品能节省大量的空间和费用。

图2. LVDS串行器配合解串器(未显示)可有效节省宽数据线以及相关的、价格昂贵的、标准TTL信号所需要的背板。另外,LVDS可以满足3G网络所要求的速度。
MAX9205串行器把10位的并行LVTTL/LVCMOS数据转为LVDS串行数据流。一个高电平起始位和一个低电平停止位加入10位数据中,构成串行数据帧。因此每10位数据发送12位
信息。MAX9205允许输入16-40MHz的参考时钟,相应产生的串行数据速率从192Mbps (12位 x 16MHz)到480Mbps (12位 x 40MHz)。由于只有10位是输入数据,因此实际吞吐量是时钟频率的10倍。MAX9206解串器接收MAX9205的串行输出,把它转换回10位的并行数据。因为解串器从串行数据流中同时恢复出时钟和数据,所以它消除了并行总线中常见的时钟-数据和数据-数据偏移。MAX9205和MAX9206为减少板卡之间互连密度提供了一套完整的解决方案。因为3G基站通常采用单向连接,因此,用两片
IC完成这些功能非常适合3G基站,例如:“基带接收板”专用于对“
射频收发器”发送来的数据进行信号处理,在这种情况下,基带板上只需要解串器,相比之下集成的串行解串器就要浪费额外的空间和费用。
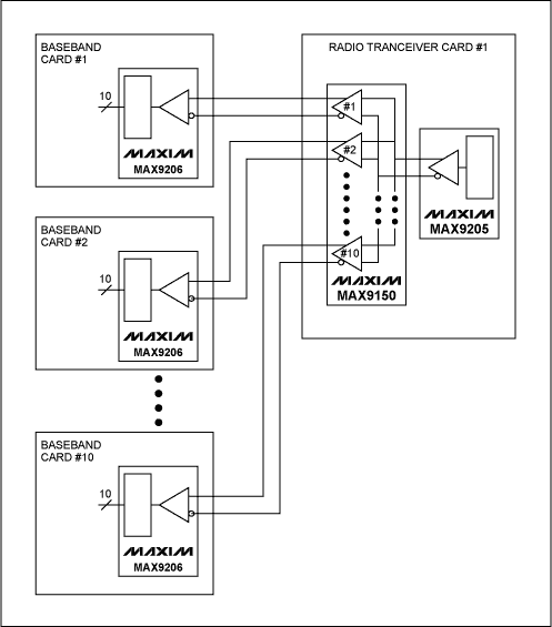
在已采用串行背板的基站中,一个LVDS多口中继器能进一步减少板空间和费用。在大多数的基站中,一些板卡必须向多个板卡广播或发送数据。很多系统采用多个基带板来并行处理一个射频收发器发送来的数据。最糟糕的解决方案是在射频板上采用与基带板解串器同样数量的串行器(图3a)。如果采用MAX9150之类的多点中继器,串行器的数量便会显著地下降到原来的十分之一(图3b)。MAX9150和一个串行器一起使用可以替代10个串行器。这一结构只有当多点中继器具有足够低的抖动特性时才有效。抖动是偏离某一事件或信号边沿理想时序的程度,它会影响解串器从串行位流中成功恢复时钟和数据。一个典型LVDS串行器/解串行器对的抖动裕量低至几百ps,这一裕量还会受布线、电缆和
连接器的影响进一步降低。因此在串行器和解串器之间的信号通道上的其它器件必须具有特别低的抖动。MAX9150的最大峰-峰抖动只有120ps,比市场上任何一款多点中继器的抖动指标都低。

图3a. 当多个基带卡从无线收发器卡接收数据时,
无线通信卡所包含的串行器数量与终端基带卡处解串器的个数相同。

图3b. 利用多端口中继器(MAX9150),可以使无线收发器卡的串行器数量降低10:1。
在高速串行信号通道的其它部分,基站结构通常要求一些简单交换、复用和中继功能。如同多点中继器,这些功能的增加对抖动裕量的影响必须尽可能小。MAX9152 2x2 LVDS交叉开关在一个器件中提供了几个功能,它包括了两个LVDS/LVPECL输入,两个LVDS输出,两个逻辑输入用于决定输入与输出的连接。它可以通过
编程把任一个输入连接到任一个输出或两个输出上。因此它可以配置为2x2交叉开关、2:1多路器、1:2解复用器、1:2扇出缓冲或两个中继器。这一多功能特性使MAX9152成为故障冗余保护切换、自诊断环回切换、数据分配时扇出缓冲和超长距离通讯时信号再生的理想选择。
在低速信号通道,比如时钟分配网络和控制总线,用LVDS代替TTL和RS-422等早期的信号标准,可有效改善相应系统的性能指标。基站射频收发板对辐射噪声特别敏感,LVDS是分配PLL频率综合器使用的参考时钟的理想信号标准。虽然这些电路并不需要LVDS的高速性能(基站参考时钟的典型值是几十MHz),但是它们得益于LVDS的低功耗和低辐射噪声。低速的控制总线,用于板间仲裁、握手和其他外设通讯,同样能从噪声和功耗的降低中受益。电平转换器,只用于LVTTL/LVCMOS与LVDS间的信号转换,给我们提供了从已存在的LVTTL/LVCMOS设计中构建LVDS时钟分配网络和控制总线的简单方法。Maxim的单、双和四路线驱动器和
接收器是理想的选择,具有小尺寸(SC70和SOT23封装)和低脉冲偏移量(在这些器件中脉冲偏斜是抖动性能的主要测量指标)等特点。
利用LVDS在时钟分配、控制总线、背板和其他高速信号传送领域的优势,3G基站将在带来带宽无线服务的同时,不会成比例地增加费用、尺寸和功耗。本文讨论的产品不仅以LVDS信号标准的形式而且以它们所支持的结构和布局提供这些优点,全面理解LVDS技术、产品和应用是工程师们开发下一代蜂窝基站的基础。