Abstr
act: The appl
ication no
te describes how to design a backplane of 8.192MHz that
simultaneously connects to any four frame
rs of the following: DS21Q41 quad T1 framer, DS21Q43 E1 framer, DS2141 T1 controller, DS2151 T1 single chip transceiver (SCT), and DS2153 E1 SCT.
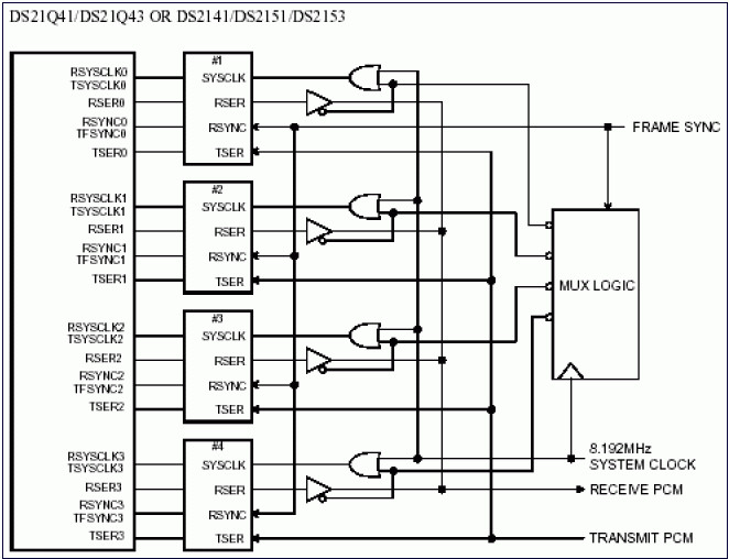
The DS2141, DS21Q41, DS21Q43, DS2151and DS2153 PCM signals
can interface to an 8 MHz system backplane. Typically this applica
tion is used to multiplex four 2.048 MHz PCM stre
ams onto a single 8 MHz PCM stream. To accomplish this the elastic st
ores are enabled and placed in the 2.048 MHz SYSCLK mode. Figure 1 describes a timing scheme in which a single RSYNC is generated for all four framers. Each framer in turn is driven with an 8.192 MHz clock burst of 8 cycles. Each clock burst causes the elastic store to output 1 DS0. This results in a Byte Interleaved 8.192 MHz PCM steam.

Figure 1. Quad multiplexed frames.