摘要:本应用笔记提供了一个DS3231与8051微
控制器接口的
硬件电路和软件例程。

图1. DS3231引脚配置
说明
本应用笔记介绍了DS3231与8051
微控制器的连接方式,并提供了一个基本的接口程序。本文采用的微控制器是DS2250,软件用
C语言编写。
工作原理
本程序利用微控制器的两个通用
端口作为I²C总线的主机,DS3231作为同一总线上的从机器件。该程序可以演示时间、日期的设置和读取,并能够读取、显示温度数据。利用本软件可以将时间、日期和温度信息显示到LCD监视器上,这里采用了一个标准的HD44780控制器。
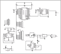
图1、图2分别给出了DS3231的引脚排列和典型电路。图3列出了程序清单。

查看大图
图2. DS3231典型电路
下载文本文件
图3. 范例软件