摘要:本文介绍DS1305
实时时钟与8051微
控制器DS2250的连接,所提供的基本
接口程序用
C语言编写。
DS1305引脚配置
概述
本应用笔记介绍了DS1305串行实时时钟(RTC)与8051
微控制器的接口方式,所提供的
程序代码能够实现基本的接口功能。本文所采用的微控制器是DS2250柔性微控制器模块,程序用C语言编写。该程序能够演示时间、日期的设置和读取,
RAM的读、写操作以及闹钟的设置和读取。
工作原理
接口程序利用微控制器的三个通用
端口与DS1305实时时钟的3线接口
通信,一个额外的端口引脚用于监视DS1305的INT0中断输出。
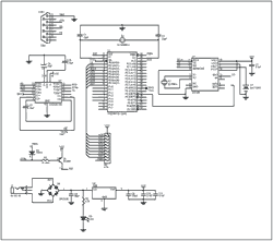
程序清单如图1所示,典型电路如图2所示。
下载zip文件
图1. 接口程序清单

查看大图
图2. DS1305典型电路