|
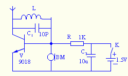
| 本节介绍一种简单的无线话筒。可在调频广播波段实行无线发射。本机可用于监听、信号转发和电化教学。由于结构简单、装调容易,所以很适合初学者装置。 一、无线话筒的电路图和工作原理 图3-34是调频无线话筒的电路图。 |  图3-34 无线话筒的电路图
| 驻极体话筒将声音转变为音频电流,加在由晶体管V、线圈L和电容器C1组成的高频振荡器上,形成调频信号由天线发射到空间。在10米范围内,由具有调频广播波段(FM波段)的收音机接收,经扬声器还原成原来的声音,实现声音的无线传播。 二、元件的规格和检测方法 本机结构简单,包括电池在内,共有8只元件。 C1为10PF瓷片电容器C2为10uF电解电容器R为lk 1/8W碳膜电阻k为拨动开关V为高频三极管9018日BM为小型驻极体话筒L为空心线圈。 驻极体话筒灵敏度越高,无线话筒的效果越好。它的外形和测试方法见图3-35,对话筒吹气时,万用表指针摆动越大,驻极体话筒越灵敏。 |  图3一·35驻极体话筒检测
| L是空心电感线圈。用?0.5毫米的漆包线在元珠笔芯上密绕10圈。用小刀将线圈两端刮去漆皮后镀锡,可点上一些石蜡油固定线圈然后抽出元珠笔芯,形成空心线圈(如图3-36)。 三、焊接电路 图3一37是调频无线话筒的印刷电路图。 |  图3一36 线圈L的绕法
| 
图3一37 印刷电路板
| 1.将各元件引脚镀锡后插入印刷电路板对应位置。各元件引脚应尽量留短一些。 2.逐个焊接各元件引脚。焊点应小而圆滑不应有虚焊和假焊。焊接线圈时,注意不能使线圈变形。 3.用一根长40-60厘米的多股塑皮软线做天线。一端焊在印刷电路板上,另一端自然伸开。 四、电路的调试 1.先检查印刷电路板和焊接情况,应元短路和虚、假焊现象。然后可接通电源。 2.用万用表直流电压档测量晶体管V基极发射极问电压,应为0·7伏左右。若将线圈L两端短路,电压应有一定变化,说明电路已经振荡。 3.打开收音机,拉出收音机天线,波段开关置于FM波段,(频率范围为88兆赫至108兆赫)将无线话筒天线搭在收音机上。 4.慢慢转动收音机调谐旋钮,同时,对话筒吹气或讲话。调到收音机收到信号声为止。若收音机在调谐范围内收不到信号,可拉伸或压缩线圈L,改变其宽度,再仔细调谐收音机直至收音机收到清晰的信号。然后逐渐拉开无线话筒和收音机间的距离,直到距离在8~10m时,仍能收到清晰信号为止。注意在调试中无线话筒发射频率应避开调频波段内的广播电台的频率。 5.将无线话筒印刷板装入机壳。机壳可以自制,也可采用圆筒形的塑料包装瓶。开关拨把应露在壳外,便于使用(参考图3-38)。 |  图3-38 无线话筒结构示意图
|
|
温馨提示:以上内容整理于网络,仅供参考,如果对您有帮助,留下您的阅读感言吧!
相关阅读
什么是5G AAU?
AAU5613是一款多频段室外AAU产品,支持Sub6GHz频段和毫米波频段。它采用了天线阵...
本类排行
相关标签
本类推荐
|