功率合成器,就是采用多个高频晶体管, 使它们产生的高频功率在一个公共负载上相加。 图3 -12是常用的一种功率合成器组成方框图。  图 3-12功率合成器组成
功率合成电路的原理是 用N个相同的功率放大器,通过混合电路使其输出功率在公共负载上叠加起来,即总输出功率PL=NP1 大功率电子管:几十千瓦---几百千瓦 大功率晶体管:几瓦—几十瓦 由3dB耦合器原理可知, 当两晶体管输入电阻相等时,则两管输入电压与耦合器输入电压相等 ……………………………[3-15]
晶体管的输出端, 当两管正常工作时, 两管输出相同的电压, 但由于负载上的电流加倍, 故负载上得到的功率是两管输出功率之和,即 
对功率合成器的要求是 1 如果每个放大器的输出幅度相等,供给匹配负载的额定功率均为P1,那么,N个放大器在负载上的总功率应为NP1 2 合成器的输入端应彼此相互隔离,其中任何一个功率放大器损坏或出现故障时,对其它放大器的工作状态不发生影响。 3 当一个或数个放大器损坏时,要求负载上的功率下降尽可能的小。 4满足宽频带工作要求。在一定通带范围内,功率输出要平稳,幅度及相位变化不能太大,同时保证阻抗匹配要求。

 图3-35同相功率合成器 (a)交流等效电路 (b)信号源开路使得等效电路
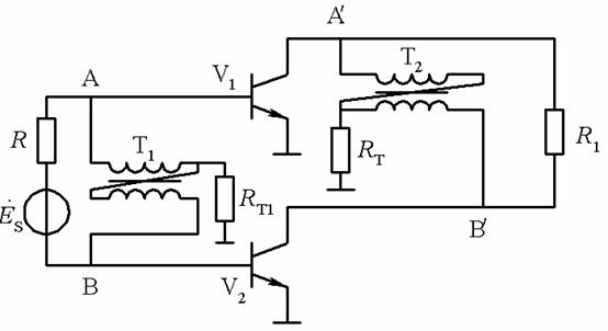
当UA=0时 由于流过负载的电流值由原来的一半,功率减小为原来的1/4,而A管输出的另一半功率正好消耗在平衡电阻RT上,即有图3-36是反相功率合成器的原理线路。输入和输出端也各家有-3dB耦合器作分配和合并电路。  图3-36是反相功率合成器的原理线路
图3-37是以反相功率合成器的实际线路。它工作于1.5~18MHz,输出功率100W.  图3-37是以反相功率合成器的实际线路
|