时间:2006-04-15 19:20
人气:
作者:admin
数字调谐收音机是采用数字控制、频率合成技术进行选台的收音机。这种收音机由于采用高稳定的晶体振荡器作为基准,所以其本机振荡器的频率稳定度可以满足业余无线电通信收听的要求。本文介绍的数字调谐收音机接收业余电台信号附加装置,制作容易,使用方便,无需改动收音机电路,收信时只要将该附加器移近收音机,就能稳定地接收到单边带话(SSB)和等幅报(CW)信号了。
工作原理由于业余无线电通信的信号调制方式与广播信号不同,用普通收音机是不能解调业余电台信号的。要使收音机接收SSB或CW信号,通常是在收音机的检波级加装一个差拍振荡器(BFO),差拍信号与外来信号共同加在检波级上,经差拍检波,收音机才能收听到业余电台信号。
该附加器实际上就是一个差拍振荡器。振荡器的频率可调节到与SSB、CW信号的频率一致,由差拍振荡器辐射的高频信号与SSB、CW信号一同被收音机接收,经混频、中放后共同加在检波级上。实验表明,这种方式使收音机同样可以接收到清晰的业余电台信号。
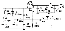
该附加器电路如图1所示。它是由2SK168等元件组成的高稳定度克拉泼振荡电路。调节可变电容C3,可使振荡器的频率约在7~7.1MHz之间变化,与收音机配合可接收40米波段业余电台信号。因谐波信号的存在,收音机在14MHz附近也能收听到SSB、CW信号。

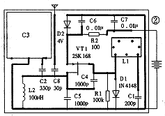
| 制作与调试按图2制好印刷板,电路板实际尺寸约40×60mm。为保证振荡器的频率稳定度,VT1选用2SK168、3DJ6等场效应管,C1、C2、C4、C5选用云母电容,C3用密封双连电容中的一连,若外壳允许,用空气双连电容(360pF×2)效果更好。L1需自制,用0.31mm的漆包线在8mm带磁芯骨架上绕20圈。取一段20cm长的硬质导线焊在C8的一端作为辐射天线。 |

| 接通电源,对振荡器进行调试。把频率计接在C8上,可变电容全部旋进,调节L1的磁芯,使振荡器的频率正好是7MHz。转动C3,观测振荡器频率变化范围是否在7~7.1MHz。若误差较大,可适当改变C2的数值。业余条件下无频率计也可与数字调谐收音机配合进行调整。将收音机调谐到7MHz,开大音量并靠近振荡器,缓慢旋转L1的磁芯,在某一位置可听到收音机的噪声明显减小,此时振荡器的频率就是7MHz。 平时收音时将收音机调谐在7MHz或14MHz附近,接上一段4~5米长的室外天线,仔细调节可变电容器并改变附加器与收音机之间的距离,使收听效果最好 |
上一篇:[图文]自动搜索调频收音机