时间:2006-04-15 19:21
人气:
作者:admin
本文介绍的是以YS764集成电路和少量元器件装成的直放式AM收音机。YS764可大量应用于生产卡片式收音机、打火机收音机等超薄型礼品收音机,有着非常看好的经济价值。YS764集成电路的外形像一只9014型小功率三极管,其三只引脚分别为2脚(输入端)、3脚(输出端)和1脚(公共地端)。附表是YS764集成电路的主要参数。
电路工作原理
图1是YS764收音机的电路原理方框图。该收音机采用磁性天线TA作为接收天线。它能够接收空间传播的电磁波信号,并将它转变成高频电信号接收下来。输入调谐回路由线圈L1和可变电容C1组成。调谐回路能从许多载波信号中选取所需要的某个电台的信号,起到选择电台的作用。高频放大器将接收到的微弱信号进行多级放大,然后再送到检波器。因为接收到的高频调幅信号的频率高达几百kHz到几十MHz。这么高的交变电流,是无法使耳机或扬声器发出声音的,所以必须通过检波器将高频信号中的音频信号取出来。然后再经过由三极管组成的音频放大器,将检波后的音频信号充分放大,最后通过耳机(扬声器)将电信号转换成声音信号播放出来。

典型应用电路
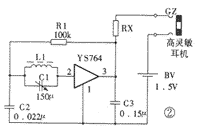
耳机式收音机 YS764能够直接推动一只高灵敏耳机。耳机的等效阻抗(RL)一般应在100~1500Ω(可适当串联RX满足要求)。图2是适用高灵敏耳机(塞)的工作线路。在图2线路中增加一单管放大器,可使用低成本的晶体耳机(见图3)。这是目前国外较流行的一种头戴式(或耳挂式)微型收音机的工作线路。图2、图3电路中L1、C1组成调谐回路。线圈L1可选择线径?0.1~0.3mm漆包线,在?5×23(mm)或者50×12×4(mm)等规格的磁棒上平绕80~130匝。调谐电容器C1可购买一种比微调电容器体积还小的微型可变电容,亦可用小型密封双连的天线代用。电池采用GB型扣式电池或6号电池。其它元件参数参见图。


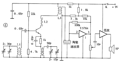
超外差式收音机 图4为超外差式收音机线路图。采用YS764集成电路作为收音机的中频放大器,可使电路结构简单,体积小巧。电路其它部分与普通超外差收音机相同。读者在采用YS764集成电路设计制做印刷电路板时,应注意以下几个问题:1输出去耦电容应尽量接近输出端和接地点。2所有接点连线要短,并且尽可能靠近YS764。3调谐电容C1要与电池、耳机(扬声器)的接点保持一段距离。4调谐电容C1的动片引线应焊接在自动增益控制电阻R1和旁路电容C2的连接点。以上措施,主要为了防止寄生耦合,减少噪音干扰和人体感应。YS764集成电路的工作频率范围宽、功率增益高,可应用于多方面的电路设计。
