时间:2006-03-11 13:15
人气:
作者:admin
新型FSK/DTMF兼容电话主叫显示器的设计
一、 新型FSK/DTMF兼容电话主叫显示器原理与电路设计
本文介绍的电话主叫显示器由控制模块(68HC05单片机)、存储器、液晶驱动器、FSK接收器、DTMF接收器、拨号电路、报警电路和键盘液晶显示屏等部分组成,其中前4部分功能由Motorola单片机--MC68HC05CL16完成。电路如图3.9-1所示。

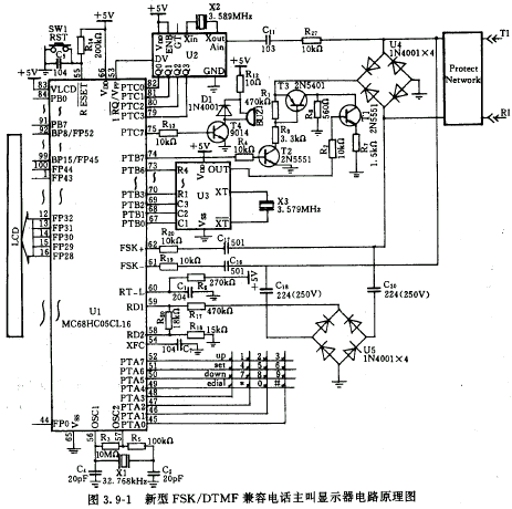
图 3.9-1 新型FSK/DTMF兼容电话主叫显示器电路原理图
图中U1是MC68HC05CL16单片机,是本电话主叫显示器的核心部分。它内含Motorola的68HC05CPU,性能稳定可靠;1840字节动态RMA,可保存至少60组来电信息,如果采用动态分配方式,甚至可达到100组;内嵌FSK接收器和液晶驱动器,大大减少电路板的面积和降低成本。U2是DTMF接收器。U3是DTMF拨号芯片,用于回拨电话号码的功能。
对于FSK信号,信号传送在第一次振铃和第二次振铃之间。振铃信号经过U5整流、分压,在U1的RD1脚得到大于1V信号,唤醒单片机准备接收。FSK信号经C16、C17、R19、R20的隔直和衰减,输入到U1的FSK+和FSK-脚,这是FSK接收器的差分输入端,单片机读取解调后的数据进行处理,提取出相应的电话主叫信息,送到液晶屏显示。
对于DTMF信号,信号传送一般在振铃之前,由U2接收。每得到一个DTMF号码,U2的DV脚都会产生一个脉冲,单片机检测到此脉冲后,通过PTVC0~PTC3脚读取U2的Q0~ Q3脚上的数据进行处理,提取出相应的电话主叫信息。
因为FSK信号和DTMF信号传送的时间不同,而且一台交换机只用一个调制方式,所以在同一电话主叫显示器中兼容两种解调方式不会有冲突,可以做到兼容,而且由单片机自动判断选择。
二、 新型FSK/DTMF兼容电话主叫显示器程序框图及工作过程
FSK/DTMF兼容电话主叫显示器的内嵌主程序流程图如图3.9-2(a)所示,FSK接收中断程序流程图如图3.9-2(b)所示,DTMF接收中断程序流程图如图3.9-2(c)所示。
为了降低功耗,单片机大部分时间处于WAIT 或STOP状态,由中断唤醒,开始工作。
本显示器的主要特征是采用系统控制单片机来进行FSK电话主叫信息的解码。FSK的解码过程主要由两部分组成:接收和译码。其中接收部分较简单,可以在中断服务程序中完成;译码部分较复杂,由译码子程序完成。FSK信号都是在第一次振铃中断启动FSK载波检测,这样可发降低功耗,并提高与DTMF的兼容性。当FSK接收器检测到载波信号,并完成一个字节数据的解调,就会产生一个内部中断,让单片机读取此数据。然后判断是否已接收完成这组信息,如果完成,关闭FSK载波检测中断允许,退出中断服务程序,进入FSK的译码子程序,否则继续等待接收。译码子程序是把接收到的数据中按国标或BELL202范围提取出有用的内容(时间、主叫号码、主叫姓名),并保存和显示。
DTMF的解码过程同样由两部分组成:接收和译码。由于DTMF信号在第一次振铃之前,接收器只能不断地判断是否有信息。当接收器检测到一个DTMF信号,就会产生一个脉冲,利用此脉冲作为单片机的外部中断信号,让单片机读取数据。完成一组住处的接收后,进行译码、保存和显示。
数据在传送过程中,总会有各种各样的干扰,导致解码过程出现错码和漏号,因此在数据处理方面应有较好的方案。本设计首先在时间上限制数据的接收,要求每组信息必须在4S内完成,并且每两数之间时间间隔必须小于2S,否则按结束处理;FSK信号如果校验字出错,除了显示"Error"还显示主叫号码"Privata""Outside"(信息不检查校验字),由用户自己判断此号码是否有错;如果在传送过程突然中断,除了显示"Error",还把不完整的数据也显示出来。由于现在我国在DTMF方式上还没有制定统一的规范,造成不同地区的交换机有不同的标准,因此本设计以瑞典标准为基础,对不同标准的DTMF数据都能很好的处理。
解码之后,还要进行一些判断。如果是重要号码,报警电路提示接听;如果是厌恶号码,则启动过滤程序将它过滤掉;如果存储器已满,则最早一组非保护信息被清除等。
图 3.9-2
三、 新型FSK/DTMF兼容电话主叫显示器的功能与特点
本显示器的主要功能和特点有:采用DRAM信息保存方式,大大降低产品成本;具有回拨功能,重要信息提示功能,厌恶信息过滤功能;针对FSK和DTMF功能不同要求,也可实现专用产品的分解生产,进一步降低产品成本;同时,采用Motorola单片机技术的内嵌软件解码,性能可靠,故障率低。
本设计中控制单片机选用了Motorola的MC68HC05CL16单片机,它内嵌有FSK接收器,并且解码过程由软件完成。些单片内嵌软件解码的主要特点在于不需要了解硬件结构,只要对相应的寄存器进行读写,就可以完成FSK解码的整个过程,使在接收器与单片机之间的接口问题的出错率降到最低;在编程方面,用户可根据自己的风格编写解码程序,为程序的修改和标准升级提供了很大方便,同时也降低了产品成本和缩小了整机体积。
四、 结束语
本文介绍的FSK/DTMF兼容电话主叫显示器是一种模块化的外接盒型产品。其留有电话机用的键盘接口,是多功能多品种的电话主叫显示产品的基础,可用于各种带电话主叫显示功能的电话机和相关产品。
上一篇:DTFM信号生成与检测 (1)