全球最实用的IT互联网站!
人工智能P2P分享搜索全网发布信息网站地图标签大全
基于ALOHA算法的RFID防碰撞技术研究
阅读全文2009-10-25
MAX1472 ASK发送器的输出匹配网络设计
阅读全文2009-10-23
MAXQ1103破坏性复位诊断程序
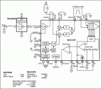
利用外部LNA改善接收机灵敏度
DS2408应用电路(4通道)
A Simple 1-Wire DAC
基于分布式组件的监测网络系统的设计与实现
阅读全文2009-10-22
基于Linux的Socket网络编程的性能优化
无线Ad-Hoc网络中P2P文件搜索机制的研究
不采用自适应算法的智能天线系统
阅读全文2009-10-21
无线连接Wi-Fi设备将帮助您解决三大设计
6G的下一步:太赫兹技术新进展
摩尔斯微电子与移远通信合作,将Wi-Fi
移远通信携手MediaTek在悉尼科技大学开展
CPU | 内存 | 硬盘 | 显卡 | 显示器 | 主板 | 电源 | 键鼠 | 网站地图
Copyright © 2025-2035 诺佳网 版权所有 备案号:赣ICP备2025066733号 本站资料均来源互联网收集整理,作品版权归作者所有,如果侵犯了您的版权,请跟我们联系。