时间:2023-08-01 17:16
人气:
作者:admin
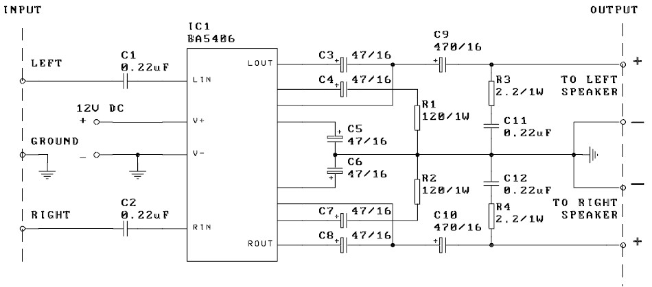
这是基于电源 IC BA5406 的 3W 立体声音频放大器的简单、易于构建和低成本的电路图,BA5406 是一款良好的通用立体声音频放大器,可以单独使用或合并到现有设备中。

该功率放大器采用简单的 5-15Vdc 电源工作。采用 28dB(标准)或 46dB(高)增益输出的组件设计。标准增益选项非常适合一般音频应用,并且适用于大多数前置放大器或 PC 声卡等。
BA5406包含两组AF功率放大器。它使用 12V 电源为 3 欧姆负载提供 5W x 2 功率。它具有最小的加电爆裂噪声,并且不受电源电压降的影响。它还具有最小的射频辐射。建议电源电压:最大 5-15V,典型值 12V。静态电流20-70mA,典型值为40mA。
组件清单:
电阻器:
R1、R2 = 120R(120 欧姆)
R3、R4 = 2R2(2.2 欧姆)
电容器:
C1、C2、C11、C12 = 0.22 uF (220 nF)
C3、C4、C5、C6、C7、C8 = 47 uF/16V (elco)
C9、C10 = 470 uF/16V (elco)
IC1 = BA5406
音频放大器规格:
| 电源 | 5 – 15V 直流 |
| 目前的消费 | 1 – 2 安培 |
| 输出 |
3 瓦 RMS/通道(4 欧姆,12V 直流电源) 2 瓦 RMS/通道(8 欧姆,12V 直流电源) 2 瓦 RMS/通道(4 欧姆,9V 直流电源) |
| 输出阻抗 | 4 – 8 欧姆 |
| 信噪比 |
> 85 分贝,G=28 分贝 > 68 分贝,G = 46 分贝 |
| 总谐波失真 | < 0.5% @ 1W |
| 频率。回复 |
40 Hz 至 100 kHz -3 dB (G = 28 dB,8 欧姆负载) 50 Hz 至 25 kHz,G=46dB |
| 获得 | 28dB 标准增益或 46dB 高增益(有关详细信息,请参阅下面的产品文档链接) |
| 输入电平 |
< 200 mV,全输出 (G = 28dB) 20 mV,G = 46 dB |
| 输入阻抗 | ~ 100K 欧姆 |