时间:2023-06-28 16:36
人气:
作者:admin
正当您即将将最新的胸戴式产品推向健康和健身可穿戴设备市场时,您意识到客户越来越多地寻求心电图 (ECG) 功能。这会让你倒退几个月,而你回去尝试设计这个功能,对吧?错!真?你问自己,这怎么可能?好吧,让我们看看你真正需要什么来实现这一点,你可能会惊讶地发现,这一切都可以以比你想象的更直接的方式开发。
第 1 步:模拟前端
检测 ECG 信号所需的模拟前端 (AFE) 需要几个不同的构建模块。其中包括带低通滤波器的输入放大器、可编程增益放大器(PGA)和具有数字滤波选项的高精度模数转换器(ADC)。显然,在可穿戴设备的密闭空间中,AFE的离散实现是不可行的。因此,需要采取综合办法。在为胸戴式可穿戴设备选择集成生物电位ECG AFE时,需要注意一些重要的规格和功能。理想情况下,它应使用具有非常高串联电阻(> 500MΩ)和高CMRR(> 100dB)的单个输入通道。除了符合静电放电 (ESD) 标准 (IEC61000-4-2) 和电磁干扰 (EMI) 滤波外,IC 还应能够检测引线是否已连接(即使在睡眠模式下)或在正常运行时它们是否已与佩戴者分离,同时还具有从过压条件(例如除颤)中快速恢复的能力。此功能必须以尽可能低的功耗提供。
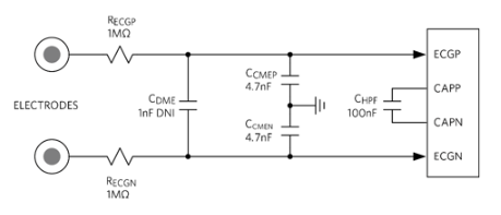
图1所示为MAX30003的功能框图,MAX40是一款完全集成的生物电势ECG AFE,用于满足这些要求的可穿戴设计。该设备的一个优点是它仅使用一对电极提供心电图波形(没有这种多导联,电线到处都是你在医院看到的心电图废话!该IC的另一个重要特性是,它还在同一封装中执行心率检测。其他心电图 AFE IC 不执行心率检测;相反,它们依靠微控制器来执行计算,这通常会消耗额外的150μW功率。该AFE的典型电流消耗仅为70μW(比同类器件低近60601%),可使用单节纽扣电池供电。它符合IEC2-47-<> ECG规范,适用于临床和健身应用。

图1.MAX30003生物电势AFE
第 2 步:设计运动伪影带通滤波器
运动伪像是由佩戴者运动引起的杂散测量。您需要一个带通滤波器来去除它们(或减少它们的影响)。这最好在模拟域中完成,然后再将电极信号转换为数字域。实现此目的的主要方法是使用高通和低通滤波器减少带宽。使用MAX30003,可将外部电容CHPF连接至CAPP和CAPN引脚来设置单极点高通转折频率,如图2所示。使用的值应将高通转折设置为 5Hz,特别是对于高运动使用,例如大多数运动和健身应用。对于临床应用,这可以低得多,通常低至 0.5Hz 甚至 0.05Hz。当几乎没有运动时,这为诊断提供了更高质量的心电图信息。

图2.输入模拟带通滤波器网络
图3显示了胸带应用的模拟带通波特图。

图3.胸带的模拟带通滤波器波特图
第 3 步:考虑您的电源选项
根据所使用的电池类型,有多种选择可以为整个可穿戴设备供电。最简单的选择是使用线性稳压器(图 4)从纽扣电池创建一个通用的 1.8V DC 电源轨,通常从 3.4V 到 2.2V 不等。但是,这种方法不是特别节能。

图4.简单的线性压差稳压器电源方案
虽然使用降压稳压器代替低压差(LDO)稳压器可以提高效率,但最佳解决方案是使用电源管理IC(PMIC),如图5所示。

图5.PMIC 和 3VDC 纽扣电池
使用此类解决方案的优点是PMIC可以为微控制器、AFE和数字接口提供单独的电源输出。
审核编辑:郭婷
1TOPS算力+6nm工艺,功耗再降30%!BES6000即将