时间:2022-08-18 09:36
人气:
作者:admin
作者:Noah Madinger, Colorado Electronic Product Design (CEPD)
蜂窝收发器的性能取决于电源轨的可靠性和稳定性。因此,必须做出的设计选择,以确保充足的功率裕量、适当的接地平面尺寸和足够低的纹波。当设计被压缩到可穿戴产品中时,这些选择会变得更加复杂,因为可穿戴产品不仅需要电池供电,还要符合监管标准。
本文讨论了可穿戴物联网设备会遇到的一些电源设计挑战,并提出了一种使用市售元器件解决这些挑战的设计拓扑。全文都会讨论关键的设计取舍,并提供一些建议的缓解方法。本文的最终目标是提出一种稳健的电源设计拓扑,为设计人员提供一个能在可穿戴物联网设备的各种限制条件下工作的高效解决方案。
定义挑战:可靠性和稳定性
在本文中,可靠性定义为,电源系统提供处于无线电收发器(在本例中为蜂窝收发器)工作范围内的电压轨的能力。同时这个能力还必须确保拉电流满足物联网产品中预期的典型和峰值电流消耗。
稳定性定义为电压轨上存在的纹波处于设备规格范围内的能力。这种纹波可能由稳压器的开关特性引起,也可能由于对电流需求突然跃升而作出瞬态响应所引起。无论原因如何,稳压器的响应能力都是确定其稳定性的基础。
蜂窝收发器的电源
毋庸置疑,蜂窝收发器模块使大小型设备的无线连接达到了前所未有的应用水平。这些设备的集成度越来越高,甚至集成了板载电源稳压器、温度补偿振荡器和先进的协处理器。但是,所有这些器件仍然依赖于关键的电源参数,即可靠性和稳定性。
以下产品样本是为了强调后一点。尽管这些产品都可以在市面上买到,并且都适合作为可穿戴物联网产品的基础器件,但仍须考虑电源因素。也就是说,如果没有正确的供电,这些器件都无法发挥最佳性能和能力。
u-blox
表 1 列出了 MPCI-L201-02S-00 蜂窝模块的电源参数。

表 1:u-blox 电源参数。
从该表格来看,u-blox 对该模块的供电有一些相当严格的要求。
连接到 VCC 或 3.3 Vaux 引脚的开关稳压器的特性应满足以下前提条件才能符合此模块 VCC 或 3.3 Vaux 要求:
电源能力:开关稳压器及其输出电路必须能够向 VCC 或 3.3 Vaux 引脚提供指定工作范围内的电压值,并且必须能够在使用最大传输功率(TOBY-L2 或 MPCI-L2 系列规格书中规定)进行突发传输 (Tx) 期间提供最大峰值/脉冲电流消耗。
低输出纹波:开关稳压器及其输出电路必须能够提供“干净”(低噪声)的 VCC 或 3.3 Vaux 电压曲线。
压降不能超过 400 mV。
在这些要求中,强调了两个关键方面:可靠性和稳定性。不仅电源轨必须在适当的电压范围内,纹波也必须最小化。有趣的是,“纹波”在该要求规格中被分为两种不同的类型:开关纹波和压降。第一种可以认为是高频纹波,与稳压器的开关有关。第二种是低频纹波,产生原因可能是电源无法快速响应高电流负载。这可能与稳压器的性能有关;但也可能来自电源路径内的过大电阻或电感。
蜂窝开发套件设计中使用的稳压器很可能就已足够,但是壁式电源供电的开发套件设计不适合电池供电的可穿戴应用。此外,作为可穿戴产品的必备条件,设计的物理空间缩小也会影响电源路径内的寄生电阻和电感。单靠适当地选择稳压器可能无法解决这种复杂情况,因此需要额外的缓解措施,特别是当这些寄生特征威胁到产品的合规性时。
Digi
表 2 列出了 XBC-V1-UT-001 蜂窝模块的电源参数。

表 2:Digi 电源参数。
从该表格来看,Digi 对该模块的供电有一些相当严格的要求,具体分析如下:
电源纹波应小于 75 mV 峰峰值。
电源应能够在 3.3 V 下提供至少 1.5 A 的电流 (5 W)。请记住,在较低的电压下工作需要电源能够提供更高的电流,才能达到 5W 的功率要求。
在 XBee VCC 引脚上放置足够的大容量电容,以在涌流期间将电压维持在最低规格以上。在蜂窝通信初始加电和从睡眠模式唤醒期间,涌流约为 2 A。
紧靠 XBee 蜂窝调制解调器 VCC 引脚放置较小的高频陶瓷电容器,以减少高频噪声。
使用宽电源走线或电源平面,以确保能够以最小的压降满足峰值电流要求。Colorado Electronic Product Design 建议电源和走线设计应使 XBee VCC 引脚上的电压在轻负载(约 0.5 W)与重负载(约 3 W)之间的变化不超过 0.1 V。
类似地,对于其他蜂窝模块,电源轨的稳定性和可靠性也是关键考虑因素。但是,这些指示更为具体,它们指出了最大纹波电压、预期的涌流,并提供了一些电路板布局的帮助提示。
降压-升压电源拓扑 – 为电池供电物联网可穿戴设备提供稳定可靠的解决方案
挑战就在眼前。设计满足以下要求的电源系统:
提供选定模块工作范围内的电源轨。
提供足够的电流以满足模块的平均和峰值电流需求。
满足上述所有要求,但要确保不超过纹波电压最大值,同时不允许电源轨中有太大的压降。
做到所有这些的同时,还要限制在适合可穿戴应用的物理空间内,并设法符合与该产品用例相关的监管标准。
如上所述,蜂窝模块对其电源系统有严格的要求。所有这些都可以在有限的物理空间内实现;但是,必须采用更高层次的考虑,才能使产品获得成功。图 1 拓扑体现了推荐的方法。

图 1:高级降压-升压开关稳压器示意图。(图片来源:Colorado Electronic Product Design)
这种拓扑的性能优于一些常见的设计替代方案,这些方案也将在下文讨论。下面逐一介绍此推荐拓扑的每个方面及其各自带来的设计挑战,以及如何应对这些挑战。
电池和电池组内阻
电池组的内阻将高于电池本身的电阻。这是由于可穿戴应用电池组采用的保护电路、互连线路、保险丝和其他项目导致。表 3 列出了手机中使用的普通小型锂聚合物电池组的拆解零件,该模型同样适用可穿戴物联网设备。

表 3:电池组内阻(逐项列出)。(图片来源:Battery University Group)
1) 将蜂窝模块直接连接到电池
在典型的电流消耗下,该电阻不会产生明显的压降;但是,在峰值负载下,电池电压可能会下降 0.13 V – 0.33 V(电压值取决于所示蜂窝模块消耗的最小和最大电流)。尽管此压降可能不会使电源轨跌落到模块的最小工作值以下,但会产生超出这些蜂窝模块规格的压降和纹波。性能将受到影响,因此,不建议直接从电池为模块供电。
2) 使用更大容量的电容
克服此压降的另一种尝试是增加更多的局部电容。但是,这个电容必须在整个电流消耗期间提供足够的电流,并在产品的整个工作温度范围内做到这一点。这本身对于无源元器件而言是难以实现的苛刻要求。
当考虑需要大电容量时,该方法会变得更加复杂。基于电容器的电流公式,

等式 1
此公式可用于计算给定电压、电流和时间长度下所需的电容,
使用 u-blox 器件作为参考,可以看到大电流脉冲可以保持有效状态 0.6 ms (4.615 ms / 8)。

图 2:u-blox 电流消耗曲线。(图片来源:u-blox)
那么,为了克服 0.26 V 的压降,在 0.6 ms 的时间内提供 2 A 电流需要多大的电容?使用上面的公式,计算得出的值为 4.62 mF (4.62 X 10-3 法拉)。最大的陶瓷电容器最好,因为它们通常具有较低的等效串联电阻 (ESR),约为 680 μF,并且通常不是表面贴装元器件。必须并联放置几个这样的电容器,并且必须考虑压降额、温度变化和公差。还可选择大容量钽电容器,但是对于这些钽电容器,ESR 限制了可以提供的电流量。同样,必须并联放置几个这样的电容器,以解决这些元器件的不良寄生特性。
事实上,不得不使用的多个电容器会消耗可穿戴产品中本已受限的宝贵电路板空间,并会大幅增加物料清单成本。此外,每次更换电池或电源路径中的任何其他部件时,都必须重新设计电容。这些限制使得电容解决方案在解决这种设计考虑时会产生诸多问题。
降压-升压开关稳压器
降压-升压稳压器是这种电源设计拓扑的核心。本节将介绍两种市售的降压-升压稳压器。对于可穿戴物联网应用而言,两者都是合适的选择。但是,在深入探讨这些细节之前,以下几点将有助于解释使用此类稳压器的必要性。
1) 单靠降压稳压器不够
在这一点上,我们之前讨论过将蜂窝模块直接连接到电池并不是一种好的设计选择。但是,本节进一步表明,虽然使用降压稳压器会比直接连接电池有所改进,但它仍然不是一种适用于大多数可穿戴物联网用例的设计选择。升压是必需的,下面解释了原因。

图 3:锂电池(标称 3.7 V)在 0.2 C、0.5 C 和 1 C 的放电电流下的放电曲线。(图片来源:Innovative Battery Technology)
当电池剩余 20% 的电量时,电池的电压可能在 2.8 V 至 3.7 V 的范围内。此时,当电压低于 3.0V 时,欠压保护电路可能会断开电池连接。基于此点,假定对于剩余 20% 容量的电池,“有效”电压范围为 3.7 V – 3.0 V。将这一信息与降压稳压器要求输入电压大于或等于输出电压这一事实相结合,设计上的难题开始凸显。
如果 VOUT 设置为 3.3 V,并且使用降压稳压器,则最低可用电池电压将是蜂窝模块拉动其峰值电流时电池所能维持的值,只要该值是 3.3 V 或更大。
在数学上,效率的计算方法为:

等式 3
重新整理该公式:

等式 4
假设降压稳压器的效率为 90%,那么如果设计采用了 u-blox 模块,则降压稳压器必须提供 3.3 V * 2.5 A = 8.25 W。这意味着输入功率必须为 8.25 W/0.9 = 9.2 W。
应用公式

式 5
可以看出,电池在其电池标称值 3.7 V 下,必须提供 2.49 A 电流。但是,这是提供给稳压器的电流,它必须首先通过电池组的串联电阻。因此,实际电池电压必须是稳压器输入端的电压与电池组串联电阻两端的压降之和:3.7 V + (2.49 A * 0.13 欧姆) = 4.02 V。因此,在电池组的串联电阻上得出 0.32 V 的压降。
这意味着该电池的最低可用值应为 3.3 V + VSeries_Resistance = ~3.62 V。如果电池组的电压低于此值,则降压稳压器的输入电压将不再大于或等于输出电压,因此,稳压将失败。这种稳压失败将导致蜂窝模块的电源轨下垂,并且还将违反纹波电压和下垂要求。性能会受到影响。
2) 其他考虑
简而言之,降压-升压稳压器的升压部分可让系统使用电池组最后剩余的 20% 容量。借助降压-升压功能,只要电池能维持对稳压器的供电,模块的电源轨就会得到支持,而不会在电池仍剩余电量的情况下过早停止工作。
值得注意的是,使用降压-升压稳压器时,最后 20% 的电池电量将比之前的 80% 消耗得更快。这是由于一旦输入电压低于输出电压设定点,所需的输入电流就会增加。但是,在选择电池组的最大放电电流时,应考虑到这种电流增加情况。
3) 产品示例 – Renesas ISL91110
下图展示了该零件的功能。该零件具有从轻负载运行到重负载运行的自动切换功能。这可有效提高输出电流全工作范围内的效率。

图 4:Renesas ISL91110 效率与 VIN 的关系。(图片来源:Renesas)

图 5:Renesas ISL91110 0 A 至 2 A 负载瞬变(VIN = 3.6 V,VOUT = 3.3 V)。(图片来源:Renesas)
4) 产品示例 – ON Semiconductor FAN49103
该零件也具有从轻负载运行到重负载运行的自动切换功能。尽管此参数适合设置为 3.4 V(而不是 3.3 V)的输出电压,但该零件仍可用于此示例应用。

图 6:ON Semiconductor FAN49103 效率与 I 负载 (mA) 的关系。(图片来源:ON Semiconductor)

图 7:ON Semiconductor FAN49103 0 A 至 2 A 负载瞬变(VIN = 3.6 V,VOUT = 3.4 V)。(图片来源:ON Semiconductor)
局部电容器
局部电容器担负着两个重要的功能:提供局部储能以满足负载电流的突然增加,以及滤除可能对性能不利的高频瞬变和纹波电压。
该设计布局中的建议电容器布置至关重要。应采用建议的方式布置电容,以确保使用“最干净”的电压轨为蜂窝模块供电。这意味着紧邻蜂窝模块的电容器必须具有最低的 ESR 和 ESL。事实上,它们的实际额定电容可以在微微法拉范围内。建议使用 C0G 陶瓷电容器。
现在,尽管这些小容量电容器可以很好地完成高频滤波,但它们几乎没有储能。为了实现这一目标,在距蜂窝模块电源引脚最远的位置放置一个数百微法拉范围的较大钽电容器。这并不意味着距离很远;只是它的放置位置没有前面提到的陶瓷电容器那么近。这种大电容器的另一个重要特征是,在预期电流瞬变的基本频率下,其 ESR 较低。建议的 ESR 值为 100 mΩ @ 100 KHz。
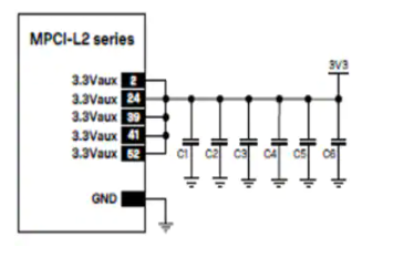
图 8 说明了 MPCI u-blox 蜂窝模块的建议布局。

图 8:u-blox MPCI-L2 系列的建议局部电容器布局方案。(图片来源:u-blox)
在图 8 中,C1 至 C3 是低容量、低 ESR、低 ESL 的 C0G 电容器。C4 – C5 是 0.1 – 10 μF 范围内的陶瓷电容器。最后,C6 是大容量钽电容器,它在瞬态负载电流的基本频率下具有低 ESR。
选择额定电压以减轻降额极为重要。对于陶瓷电容器尤其如此。
本节最后介绍了几种市售的电容器。提供了适用的参数。
1) KEMET
零件编号:T520D337M006ATE045
电容:330 μF
容差:20%
额定电压:6.3 V
ESR @ 100 KHz: 45 mΩ
2) Panasonic Electronic Components
零件编号:6TPF470MAH
电容:470 μF
容差:20%
额定电压:6.3 V
ESR @ 100 KHz: 10 mΩ
布局设计注意事项
虽然每个选定元器件的规格书中都列出了其特定的布局建议,但也有一些通用的布局指南,可以实现高效和低噪声性能。
1) 接地和电源灌铜
尽可能使用多边形灌铜。对于输入电压、输出电压、电感器和接地节点的连接尤其如此。简而言之,不要让铜层闲置,因为这些铜层为电流流动(其中包括任何杂散或开关电流)提供了低电阻和低电感路径。图 9 是 Linear Technology 的 LTC3113 降压-升压稳压器的建议顶层布局,它很好地说明了倾向灌铜的原因。

图 9:Linear Tech LTC3113 的建议顶层布局。(图片来源:Linear Technology)
2) 吸收电路
虽然我们已经尽一切努力减少寄生电阻和电感,但这是尺寸受限的可穿戴式设计。接地平面和电源平面无法达到应有的大小。此布局中的配置应允许放置 RC 吸收电路。虽然这些元器件最初不需要填充,但是如果豫留好填充区域,将给设计人员带来灵活性,以防需要此电路来减少辐射。
这些寄生元件会导致开关电流内产生瞬时振荡(图 10)。

图 10:降压稳压器开关电感器电流中的瞬时振荡。(图片来源:ROHM Semiconductor)
现在,如前所述,因为要满足空间要求,这可能是不可避免的问题。图 11 所示的吸收电路会将这些杂散能量吸向地面。如果不这样做,这些振荡可能会使设计的排放量超出合规的可接受限制。吸收电路是空间受限稳压器的有用静噪工具。

图 11:降压稳压器的建议 RC 吸收电路位置。(图片来源:ROHM Semiconductor)
3) 铁氧体磁珠
最后一个建议是解决随着输出功率产生的任何持续性高频噪声。选择在关键频率下具有适当衰减的大电流铁氧体磁珠,与降压-升压稳压器的输出串联。且应该放置在稳压器的输出与大容量旁路电容器之间。
案例研究 – 为 u-blox SARA 模块供电的 LTC3113
SARA 模块是一款 3G 蜂窝收发器。就像前面提到的蜂窝模块一样,它也会因为串联电阻的原因,在涌流中消耗大电流,导致电池电压下陷。图 12 中的 LTC3113 降压-升压开关稳压器电路旨在用于为该设计维持稳定、可靠的 3.3 V 电源轨。

图 12:LTC3113 降压-升压开关稳压器电路案例研究。(图片来源:Colorado Electronic Product Design)
这种稳压器设计与如图 12 所示布置的局部旁路电容器相结合,在所有消耗的工作电流下都能产生稳定的电源轨。图 13 的示波器曲线图捕获了 SARA 消耗的电流(蓝色)、来自降压-升压稳压器的 3.3 V 输出电源轨(绿色)、输入电池电压和该电源轨上的任何下陷(紫色)以及在输出电源轨上测得的纹波电压(橙色)。
可以看出,这种大电流尖峰不会在 3.3 V 稳压输出轨上引起下陷或明显纹波。但是,这确实会导致输入轨下陷。

图 13:LTC3113 降压-升压开关稳压器电路案例研究,图中显示了 SARA 模块消耗的约 0.9 A 模块电流(蓝色)、3.3 V 输出轨(绿色)、电池输入轨(紫色)和 3.3 V 输出轨纹波(橙色)。(图片来源:Colorado Electronic Product Design)
同样,输出轨的稳定性和可靠性在固态 3.3 V 下保持一致,并且纹波最小。但是,电池输入轨的电压下陷约为 0.32 V,这超出了 SARA 模块的规格,也超出了本文提到的其他模块的规格。降压-升压稳压器能够适应这些电流尖峰,并维持适合蜂窝模块在其所有预期条件下运行的电源轨。
结语
可穿戴物联网设计给设计工程师带来了一系列挑战,而电源系统则处于众多挑战的核心。降压-升压稳压器拓扑可在蜂窝模块的工作条件范围下提供稳定可靠的电源轨,从而直接解决这些挑战。这并不是说不需要精心的设计工作。而是说,如果遵循良好的设计规范,该拓扑将发挥作用。随着可穿戴物联网设计变得越来越紧凑,对性能的期望也相应提高。如需为紧凑型、高性能可穿戴物联网设计供电,可考虑这种稳健的拓扑。
1TOPS算力+6nm工艺,功耗再降30%!BES6000即将