时间:2022-08-18 11:03
人气:
作者:admin
健身耳穿戴设备尽管有巨大的潜力,但需要解决三个关键方面的重大设计挑战:生物测量、音频处理和无线充电。
功耗优化已成为大多数应用领域的基本要求,但是健身耳穿戴设备在传统“无线”耳机的要求之外又带来了特有的问题。传统耳机使用蓝牙连接进行音频流传输,但保留了与电池的有线连接。电池通常与音量控件和电源连接器一起封装在直插式封装中。相比之下,真无线设计消除了所有有线连接,要求产品设计人员将可充电电池内置于每个耳塞中。
因此,系统工程师必须找到能够满足紧密封装要求的设计解决方案,同时对用户来说要确保延长电池续航时间并简化电池充电过程。
本文讨论了如何有效地延长电池续航时间并简化电池充电,同时为这些设计的底层生物传感、音频和处理器器件提供多个电源轨。接着会简要说明无线充电的工作原理,之后将介绍基于标准的无线电源解决方案,使用这些解决方案开发人员可以快速打造复杂的真无线产品,并能够充分利用快速发展的第三方兼容充电平台。将介绍的解决方案来自 Maxim Integrated、Analog Devices、STMicroelectronics 和 Texas Instruments 等供应商。
如何管理健身耳穿戴设备的电源
工程师可以利用超低功耗片上系统 (SoC) 生物传感器、音频和蓝牙器件来最大程度地降低功耗并延长电池续航时间(图 1)。

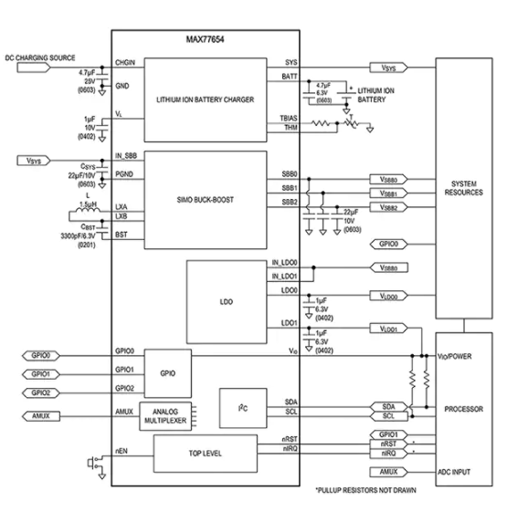
图 1:对于真无线健身耳穿戴设备设计,高度集成的电源管理集成电路 (PMIC) 和电量计 IC 提供了电池和电源管理的基础,仅需要无线电源即可为电池充电。(图片来源:Digi-Key Electronics,基于 Maxim Integrated 的原始资料)
除了具有丰富的功能,这些 SoC 还集成了自身的电源管理功能,以多种方式使用低功耗工作模式、时钟或电压选通功能或内部稳压器,从单个电源为不同的功率域供电。尽管这些功能有助于简化电源优化设计的实现,但通常会带来多个电源轨的要求,以适合每个器件。例如,本系列前面讨论的 SoC(Maxim Integrated 的 MAXM86161 生物传感器、MAX98090 音频编解码器;以及 ON Semiconductor 的 RSL10 蓝牙微控制器)就提出了不同的供电要求(表 1)。

表 1:健身耳穿戴设备设计中主要 SoC 的电压供应范围。(表格来源:Digi-Key Electronics,基于 Maxim Integrated 和 ON Semiconductor 的原始资料)
相比一套单独的稳压器件,像 Maxim Integrated 的 MAX77654 这样的多轨 PMIC 提供了一个更简单的单芯片解决方案。MAX77654 专为耳穿戴设备等空间受限的低功耗应用设计,在 2.79 mm x 2.34 mm 的封装中提供三个降压升压开关稳压器输出和两个低压差 (LDO) 稳压器,具有 6 mA 的低工作电流和 0.3 μA 的关断电流。开发人员能够以 50 mV 的步阶分别对 MAX77654 的三个降压升压稳压器进行编程,以提供 0.8 至 5.5 V 的稳压输出。同样,两个 LDO 稳压器输出能够以 25 mV 的步阶进行编程,以提供 0.8 至 3.975 V 的输出范围。
该器件基于单电感器多输出 (SIMO) 降压升压稳压器,仅需添加几个元器件即可提供完整的电源管理解决方案,从而有助于减小 BOM 和设计尺寸(图 2)。

图 2:Maxim Integrated 的 MAX77654 PMIC 可简化开发过程,能够通过两个 LDO 和三个降压升压稳压器提供多个可编程电压轨,其中由于器件采用 SIMO 技术而只需要单个电感器。(图片来源:Maxim Integrated)
在完整的系统中,MAX77654 的关断控制器和电源定序器可根据应用所需的特定顺序,管理内部电源状态的转换和定时,以启动(或关闭)电源轨。例如,在健身耳穿戴设备设计中,开发人员可以对器件进行编程,以按顺序接通各个 SoC 和子系统的电源,从而减少峰值电流需求或避免音频失真。
电池管理
除系统电源管理功能外,MAX77654 还集成了完整的锂离子电池充电器,可从包括 USB 在内的各种电源提供 95 mA 至 475 mA 的可编程恒流充电速率。Maxim 的 Smart Power Selector 技术可根据需要自动将电源从输入电源 (CHGIN) 切换到电池 (BATT) 和系统 (SYS)。充电完成后,Smart Power Selector 会自动断开电池与输入电源的连接。
MAX77654 提供了一组丰富的状态寄存器,允许开发人员监测和控制器件运行的方方面面。通过设置中断控制寄存器,开发人员可以对器件进行编程,以向主机处理器发出各种运行条件和故障警报,包括系统过压和欠压、温度、充电错误以及电池故障警报。
不过,对于消费类产品,开发人员通常会结合使用 PMIC 与电池电量计 IC(例如 Maxim Integrated 的 MAX17260)。MAX17260 仅消耗 5.1 mA 电流,采用 Maxim 的 ModelGauge m5 电池续航时间预测算法,并可动态估算运行期间的电池剩余续航时间和充电期间的充电完成时间。开发人员可以对该器件进行编程,以在运行期间的剩余电量低于指定阈值时,生成主机处理器中断。在健身耳穿戴设备中,开发人员可以使用该功能,并通过减少生物传感器的心率更新次数或减少音频带宽等策略,温和地实现应用功能降级,最终在电量低于可维持限值之前向用户发出警报。
无线充电
MAX77654 PMIC 和 MAX17260 电量计 IC 的组合提供了有效的电池管理解决方案。要打造真无线健身耳穿戴设备,剩下的一项重大挑战是提供合适的充电源。根据定义,该充电源无法利用有线电源适配器或 USB 等传统有线方法。对于这个问题,无线电源技术和相关硅解决方案的出现提供了现成的解决方案。
实际无线电源方法是利用初级线圈与次级线圈之间的紧密耦合感应或一对以相同共振频率运行的线圈之间的松耦合共振感应(请参阅“感应与共振无线充电”)。
多年以来,感应无线电源已广泛用于电子牙刷等消费类产品或助听器等医疗产品的充电,目前已达到一定的成熟度和设备支持度,使其成为甚至最先进电子产品的安全选择。因此,从原理上,开发人员仅需使用 Analog Devices 的 LTC4124 无线锂离子充电器,将电能从感应耦合线圈接收到 Analog Devices 的 LTC6990 压控振荡器 (VCO) 驱动的发射器线圈,即可实现无线充电。除了 LTC4124 接收器和 LTC6990 VCO,完整的无线电源设计仅需一个 MOSFET、一些无源元器件和一对线圈,例如 Würth Elektronik 的 760308101216 7.2 µH 接收器 (RX) 线圈和 Würth Elektronik 的 760308103206 7.5 µH 发射器 (TX) 线圈(图 3)。

图 3:通过使用 Analog Devices 的 LTC4124 无线电源接收器和 LTC6990 压控振荡器,开发人员仅需添加几个元器件即可实现完整的专用无线电源。(图片来源:Analog Devices)
尽管较早的无线电源解决方案可以简化设计,但已不再适合消费类产品,这是因为用户迅速接受了基于无线充电联盟 (WPC) Qi 规范的标准无线电源产品(请参阅“符合 Qi 标准的无线充电”)。如上所示,这种简单的设计为专用无线产品及其关联的充电座而打造,缺乏关键功能,例如接收器与发射器之间的通信、异物检测 (FOD) 以及 WPC Qi 规范中提出的其他要求。
除了支持更复杂的无线充电过程,Qi 兼容无线电源的快速接受还推动了低成本无线电源发射器平台的兴起。因此,在开发健身耳穿戴设备这样需要无线电源的消费类产品时,开发人员可以预期潜在用户已经拥有(并倾向于使用)现成的无线充电板,从而将精力主要放在兼容无线电源接收器的设计上。
实际限制
不过,利用通用的无线充电产品确实需要根本性转变设计角度。粗略估计,有效的耦合和电能传输需要匹配良好的发射器线圈和接收器线圈,这些线圈具有相似的尺寸,并且次级线圈与初级线圈的电感比通常为个位数。因此,为了能够满足用户对快速充电时间的预期,如果使用适合安装在健身耳穿戴设备中的直径非常小的线圈,则会使无线电源设计复杂化。此外,由于线圈间对准和定位对公差要求非常严格,因此需要产品设计采用定制耳塞盒或其他安装固定件,以确保耳塞线圈始终紧靠充电线圈。
由于存在这些多重挑战,真无线耳塞产品通常会采用更实用的方法,将 Qi 兼容的无线接收器内置于耳塞盒中。将耳塞放入耳塞盒中后,每个耳塞中内置的插针会与盒底座中内置的电源触点接触。然后,当将耳塞盒放在兼容的第三方无线充电板上时,电能会从充电板无线流动至耳塞盒接收器,再通过触点流入耳塞。使用这种方法,实现健身耳穿戴设备的无线充电将简单得多,并且有大量的 Qi 兼容无线电源接收器提供支持。
无线接收器解决方案
幸运的是,开发人员可以找到专门设计用来支持 WPC Qi 标准的各种无线电源接收器。实际上,可用设备远远超出了支持标准无线电力传输的最低要求,并提供了旨在简化整体系统设计的功能。例如,与许多此类器件一样,对于允许用户通过外部电源适配器或 USB 连接为充电盒供电的设计,STMicroelectronics 的 STWLC03 无线电源接收器支持一种简单的方法来禁用无线充电(图 4)。

图 4:与其他此类器件一样,STMicroelectronics 的 STWLC03 无线电源接收器提供了一个简单的选项,用于在检测到外部电源时禁用无线电力传输。(图片来源:STMicroelectronics)
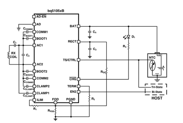
许多兼容 Qi 的无线电源接收器还集成了电池充电功能,允许开发人员在无法或不方便使用无线充电情况下,将电池放入耳塞盒中作为备用电源。例如,Texas Instruments 的 BQ51050B 支持三步充电序列,包括预充电、快速恒流充电和快速恒压充电,只需简单地连接到电池组即可(图 5)。

图 5:Texas Instruments 的 BQ51050B 无线电源接收器只需极少的额外开发工作,即可支持电池组充电。(图片来源:Texas Instruments)
除支持外部电源和电池充电外,兼容 Qi 的无线电源接收器还可以支持新兴的点对点无线充电方案,依靠一种移动产品(如智能手机)对另一种产品进行无线充电。例如,Maxim Integrated 的 MAX77950 只需极少的额外开发工作,即可实现对使用现有无线电源与点对点充电的组合支持(图 6)。

图 6:除了支持更常规的无线充电配置,Maxim Integrated 的 MAX77950 无线电源接收器还支持点对点无线电力传输。(图片来源:Maxim Integrated)
无线电源开发支持
尽管无线电源功能和相关设备不断发展,但开发人员仍可以找到现成的开发支持资源,包括开发板、设计指南和应用说明。例如,本文提到的每款无线电源装置都有配套的开发套件。
Analog Devices 为 LTC4124 无线电源接收器提供了一系列套件,其中包括发射器板和接收器板,可展示在增加接收充电电流水平时的无线电力传输。Analog Devices 的 DC2769A-A-KIT 和 DC2769A-B-KIT 套件的充电电流分别为 10 mA 和 25 mA。发射器板主要基于先前所述的 LTC4124 设计(参见图 3),并使用 Analog Devices 的 LTC6990 VCO,而接收器板则使用 Analog Devices 的 LTC4124 无线接收器。为展示更高的充电器电流,Analog Devices 的 DC2770A-A-KIT 和 DC2770A-B-KIT 分别提供 50 mA 和 100 mA 的充电电流,它们使用基于 LTC4124 的接收器板,但是每个套件的发射器板都改为采用 Analog Devices 的 LTC4125 无线电源发射器。
STMicroelectronics 为其器件提供了用于 STWLC03 无线电源接收器的 STEVAL-ISB036V1 评估板;Texas Instruments 提供 BQ51050BEVM 评估板,以支持 BQ51050B 无线电源接收器的开发;而 Maxim Integrated 为其 MAX77950 无线电源接收器提供了 MAX77950EVKIT 评估套件。除了评估套件硬件外,每家制造商还提供了全套设计资源,通常包括 BOM、原理图和物理设计布局指南,便于开发人员构建定制设计。
对于软件开发,通常也有现成或应要求提供的驱动程序和评估软件。例如,Maxim Integrated 的 MAX77950 评估套件软件包允许开发人员通过 USB 从 Windows® 10 计算机连接到 MAX77950EVKIT 来监测和修改 MAX77950 寄存器和配置,而集成的微控制器则通过共享的 I2C 总线来更新 MAX77950(图 7)。

图 7:Maxim Integrated 的 MAX77950 评估套件软件包和相关文档可引导开发人员进行不同的 MAX77950 器件设置,以探索不同器件配置对无线电源性能的影响。(图片来源:Maxim Integrated)
总结
真无线健身耳穿戴设备的设计给设计人员带来了实现更高效系统的挑战,同时也推动了高级无线充电技术的使用。如本文所述,高度集成的 PMIC 和电量计 IC 提供了高效的电源和电池管理解决方案。对于无线电源,基于标准的无线电源装置的出现为开发人员提供了多种选择,有助于在健身耳穿戴设备产品中实现无线充电功能。通过使用这些标准解决方案,开发人员可以快速打造复杂的真无线产品,从而能够充分利用快速发展的第三方兼容无线充电平台。
1TOPS算力+6nm工艺,功耗再降30%!BES6000即将