时间:2020-03-04 16:41
人气:
作者:admin
无线充电是一个潜力巨大的市场,吸引了业界广泛关注。受到各家标准互不兼容和消费市场冷淡的影响,无线充电市场初期增长缓慢,但随着可穿戴技术的出现和普及,无线充电得到了真正驱动其快速增长的动力。这两者的结合不仅能够引起人们的关注,更让谷歌、微软、苹果等众多一线大牌都参与进来,希望借无线充电智能手表的东风,在可穿戴设备的市场中占有一席之地,也让一大半曾表示不知无线充电为何物的消费者认识到了无线充电技术的概念和价值。然而,在无线充电市场中,可穿戴设备依然只占一小部分,无线充电能够带来回报的大部分机遇依然寄托在手机、平板电脑等应用之上。本文将重点介绍一些采用无线充电技术的新产品,涵盖可穿戴设备、车载设备以及介于这两者之间的应用。
图1:Moto 360智能手表采用无线充电座充电。
无线充电与可穿戴设备相得益彰
无线充电的基本原理是通过电磁感应来传输电能,具体而言就是向充电座内部的发射线圈通入交流电,从而产生磁场,使附近移动设备中的接收线圈产生感应电压,并以此来为该设备的电池充电。和通过USB或充电头充电相比,无线充电存在额外的能量转换损耗,因而充电效率较低,充电时间也更长,所以必须要有站得住脚的理由才能上马这项技术;但在设计可穿戴设备时,我们有非常充分的理由将无线充电纳入其中。可穿戴设备需要长时间穿戴在身上,这就决定了它看起来不能太过显眼,必须做到小巧、轻薄、不笨重,留给电池和相关电路的空间少之又少。如果是健身追踪器之类比较简单的可穿戴设备,一块小电池可能就足够它运行一周而无需充电;然而,在当今市场趋势下,可穿戴设备功能越来越丰富,这在智能手表上体现得尤为明显。许多智能手表不仅提供健身追踪功能,还配备了全彩色触摸屏、打电话、发消息等非常耗电的特性,即便采用当今最高效的锂离子(Li-Ion)和锂聚合物(Li-Pol)电池技术也拯救不了它们的续航表现。从产品评测来看,大多数智能手表用不了一两天就必须充电,有的甚至可能连一天都撑不到,其中就包括我们熟悉的Apple Watch。在频繁充电的问题无解的情况下,就有必要采取一种比插电充更加简单的充电方式,这时就该轮到无线充电出场了。在无线充电的场景下,要给智能手表充电,只需要把它放在充电座上即可,或者像Apple Watch那样在表盘背面吸附一个圆形的小型磁性连接器。由于智能手表和其他可穿戴设备的电池容量较小,无线充电所需时间也相对较短,从电量为零到充满约需一个小时,这与手机等较大型移动设备漫长的无线充电时间相比,还是比较容易接受的。除了充电更方便、充电时间可接受外,无线充电还能够让可穿戴设备采用完全密封或防水的设计,这对于穿戴在身体上的电子设备而言是一种非常具有吸引力的保护特性。

昨天 16:17 上传
下载附件(62.59 KB)
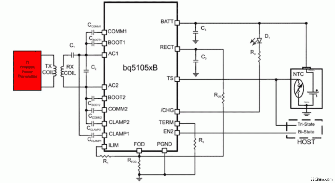
图2:采用bq5105x作为锂离子或锂聚合物电池无线充电器的典型系统框图。将bq5105x与bq500210发射端控制器配合使用,可以为电池直充方案实现完整的无线电力传输系统。
Texas Instruments(TI)可提供用途广泛的电源管理产品组合,包括面向可穿戴设备的无线和有线充电方案。事实上,Moto 360(见图1)作为首款配备无线充电功能的Google Android Wear设备,其采用的无线充电接收端方案就是TI的bq51051B。该方案符合无线充电联盟(WPC)的Qi互通标准,故Moto 360虽然自带充电底座,但也可以借助其他任何符合Qi标准的无线充电设备进行充电。bq51051B是一款高度集成的方案,它将多个重要的接收端元件,包括整流器、无线电力接收控制器和电池充电器集成在一个小型封装中。对于有线充电的可穿戴设备,TI还提供bq2510x单片锂离子和锂聚合物电池充电器IC,其电源输入可采用USB连接,也可以采用价格低廉的非稳压电源适配器。
Würth Elektronik拥有全套无线充电线圈方案,可以同时提供发射线圈和接收线圈,其760308100110和760308100111产品组合中增加了带圆形基板的无线充电发射线圈。这些线圈均符合Qi标准,非常适合在圆形“腕带式”应用(如某些智能手表)的充电座中使用。760308100110和760308100111分别针对A10和A11型Qi发射端设计。
车载应用
对于电动汽车而言,无线充电依然处在早期阶段,大多数车载无线充电方案依然处于试验状态,但用于车载控制台的无线充电方案已经涌现出来,Freescale WCT-5WTXAUTO无线充电参考设计就是其中一例。该方案基于高度集成的Freescale WCT100xA无线充电发射端5W线圈控制器拓扑,是一款符合Qi标准的多线圈参考设计,传输效率大于65%,并且考虑了在车载环境中实现无线充电器所需要面对的独特挑战,例如输入电压波动的问题,因为标称12VDC的车载电池在不同运行工况下提供的电压会在6V – 14V之间大幅变化。

图3:Freescale面向车载应用的多线圈无线充电参考设计框图。
该项设计还减少了谐波信号发射,以减轻对车载系统的干扰,并且满足汽车行业的EMC标准;支持异物检测,线圈之间有杂物阻挡时会发出警报;此外,控制台上的充电设备亦可自由摆放。
智能手机、平板电脑以及其他应用
近年推出的不少更“常规”的移动设备,包括智能手机、平板电脑等,也搭载了无线充电功能。 比较新型的无线充电接收端有Panasonic AN32258A-PR和IDT的IDTP9025A。这两款产品都符合Qi标准,都可以为移动应用提供高度紧凑的方案;IDTP9025A集成了高效的同步全桥整流器,而AN3225A-PR则为外部的全桥同步整流器提供了控制功能。两款产品都带有异物检测功能,都可以提供用于电源电路或电池充电的5V稳压输出。

图4:符合Qi标准的无线电源系统,采用Panasonic AN32258A和NN32251A。
对于多用途无线充电板而言,Freescale WCT100xA无线充电发射端控制器依然是不错的选择。WCT-5W1COILTX是适用于5W单线圈Qi应用的通用无线充电器参考设计,它就是采用WCT100xA来管理和执行所有发射端控制功能,传输效率大于75%。 如果需要采用兼容WPC标准的无线充电发射端线圈,不妨关注一下Vishay Dale的IWTX-4646BE-50。这是一款24uH、6A线圈,采用高导磁率屏蔽设计,有助于将磁场引导至耦合区,尽可能提高效率并避免干扰问题,并且其组成材料包含高饱和铁粉,因而该线圈不受任何可能在方案中使用的固定磁场影响。
1TOPS算力+6nm工艺,功耗再降30%!BES6000即将