时间:2017-12-30 18:17
人气:
作者:admin
智能手环是一种穿戴式智能设备。通过该设备,用户可以记录日常生活中的锻炼、睡眠等实时数据,并将这些数据与手机、平板同步,起到通过数据指导健康生活的作用。另外,智能手环还具有社交功能,能够将锻炼情况和睡眠质量发送到社交网络进行分享。
图 1_1某款智能手环
一个智能手环最小系统一般包括:可充电的电源模块、控制模块(图1_2中左边芯片)、蓝牙模块(右边芯片)、存储模块和加速计模块(上面芯片)。其中加速计是为了获得佩戴者在运动或睡眠过程中的加速度数据,通过分析这些数据则能够判断佩戴者的运动情况和睡眠质量;存储模块主要负责将实时数据暂存,接着在适当的时刻借助蓝牙模块将数据同步到手机端。方便起见本次要自制的记步手环将不采用存储器暂存,而是将数据实时地传送到手机端。同时为了便于大家对记步算法的理解,客户端将采用一个折线图的形式实时展示记步手环收集的数据。
图 1_2某款智能手环核心电路板
看了上面的分析大家可能会疑惑——仅仅用一个加速计怎么能实现记步和睡眠质量检测呢?其实确实可以!因为加速计可以实时获取自身的XY三个轴向的加速度。当其静止时合加速度会在重力加速度附近波动;当佩戴者处于深度睡眠过程中时,其合加速度将呈现出长时间的稳定于重力加速度附近;当其随着运动的佩戴者手臂而做周期性摆动时,其数据也是有一定规律可循的。这样,设计时只要通过分析从加速计获的数据就能实现对运动或睡眠质量的记录。
上面已经提到:为了方便,我们并未采用存储器实现记步手环的离线记录,而是实时地将数据发送到客户端由一个可视化的折线图动态绘制结果。如图3_1所示系统中记步手环部分包含单片机模块、蓝牙模块、加速计模块和电源模块,这样通过单片机的协调可以实现将加速计模块的数据通过蓝牙实时地传送给客户端程序。在客户端部分则负责将收集到的实时数据以折线图的形式动态地展示出来,此外客户端中也加入一个滑动条来控制记步阈值来真正让大家明白其设计思想(真正商业化的智能手环多数采用的是先将有效数据保存在手环的小型存储器中,上位机周期性地将数据收集并同步到服务器端)。

图 3_1 预期效果图
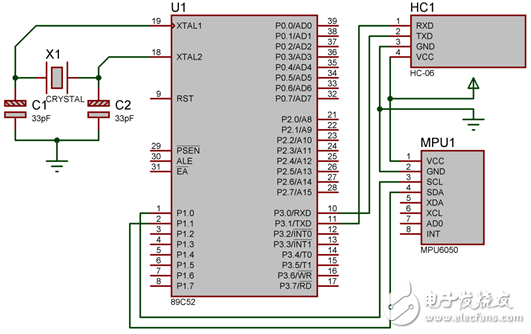
如图4_1,相比于上一个无线小风扇该硬件构成反而比较简单:蓝牙模块依然采用我们比较熟悉的HC-06模块,对于加速度的测量采用四周飞行器上常采用的MPU6050模块。该模块不仅含有加速计的功能,还具有陀螺仪的功能,其在汽车防侧翻、相机云台稳定、机器人平衡、空中鼠标、姿态识别等众多领域都有应用,这里我们只是利用了它的加速计功能。此外要注意:图4_1所示的单片机模块的电源引脚被隐藏了,在真正设计连接时一定不要忽略这两个引脚!

图 4_1 硬件电路图
1TOPS算力+6nm工艺,功耗再降30%!BES6000即将