时间:2017-08-02 16:05
人气:
作者:admin
如今,我们在市场上看到越来越多带有USB Type-C™和USB功率输出(PD)端口的电子产品。这些产品的覆盖范围从手机、笔记本电脑和移动电源到无人机、电动工具以及智能家居和便携式应用。USB PD标准允许在协商后进行高功率传输,并对端口背后的内容提出了新要求:即充电器IC。
一方面,作为器件,您的设备应能够协商源头提供的最高电压(5-20V)和电流,以便为电池充电,为系统提供电源。另一方面,作为主机,您的设备应从一健拷贝(OTG)方面向外围设备提供电池的最大电压(5V-20V)和电流。
对于具有单节或多节锂离子(Li-ion)电池系统的器件,降压升压电池充电器是与我所描述的要求相兼容的良好解决方案。当设备充电时,如果电压源高于电池,则降压升压电池充电器可以降低(降压)电压源以对电池充电,或者可以另行提升(升压)电压源。当向外围设备供电时,如果外围设备需要更低的电压,则降压升压充电器可以降低电池电压,如果需要更高的电压,则该设备可以升压。
随着越来越多的应用采用USB PD和C型USB 端口,降压升压充电器已受到广泛关注。以无人机为例,无人机是高耗电的设备。根据功率电平和电池容量,大多数无人机每次充电后可以飞行6到30分钟。由于飞行时间短,用户可以方便地购买备用电池,并且拥有多种充电选项,从无人机本身的端口充电到使用汽车或家里的摇篮充电器。

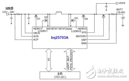
bq25703A应用图
由于C型USB端口是通用的,且具有很高的功率传输能力,是适合此类应用的理想选择。为了兼容具有不同电压和功率电平的电源,诸如无人机这样的多元电池组系统很有必要使用降压升压充电器。在飞行间隔期间,用户能够快速而安全地对电池进行充电也是至关重要的。bq25703A和bq25700A支持高达6.35A的充电电流,并具有广泛的保护功能,包括有助于从各种适配器获得最大功率的输入电流优化(ICO)。图1提供了bq25703A应用图中的附加信息。
最后,无人机应当能够在不同的温度条件下进行操作和充电。bq25703A系列提供了从-40°C到85°C之间±0.6%的电池充电调节精度。这种高水平的充电精度确保了电池在温度范围内获得最佳充电。
对于使用USB PD端口并需要在操作模式、不同适配器适应性和广泛安全特性之间平稳过渡的应用而言,降压升压电池充电器是一种理想解决方案。
其他信息
· 查看bq25700A-EVM和bq25703A-EVM。
1TOPS算力+6nm工艺,功耗再降30%!BES6000即将