时间:2017-08-17 14:00
人气:
作者:admin
引言
随着移动互联网的发展、技术进步和高性能低功耗处 理芯片的推出等,智能穿戴设备种类逐渐丰富,穿戴式智能 设备已经从概念走向商用化,谷歌眼镜、苹果手表、三星智 能腕表、耐克的燃料腕带、传感器智能服、太阳能充电背包 等穿戴式智能设备大量涌现,智能穿戴技术已经渗透到健 身、医疗、娱乐、安全、财务等众多领域。目前在国内手环 市场上,自带高精度心率检测功能的智能手环也日趋成熟, 小米还推出过心率手环,其中心率模块用的就是 AMS的动态心率检测芯片AS7000。
1 系统总体方案介绍
如图1基于AS7000心率手环系统框架所示,手环主要由 充电管理系统、三轴加速度传感器LIS3DH的计步检测运动 量信息系统、AS7000的动态心率检测系统、触摸、OLED显 示、手机App蓝牙信息交互系统共同组成。
1.1 充电管理系统

图1 基于AS7000心率手环系统框架
STNS01芯片内部集成了LDO稳压器和电池充电管理系统。它使用CC / CV算法给电池充电,充电电流可以使用一 个外部电阻来选择,充电电流最大400mA,浮动电压值是4.2V。输入电源电压通常用来为充电电池和LDO稳压器提供电 力。当一个有效的输入电压不存在并且电池存在的时候,设 备会自动切换到电池供电。
STNS01电池充电管理系统集成了过度充电、过放电和 过电流保护电路,这样可以有效地在故障条件下防止电池损 坏。它还有一个充电控制引脚控制停止充电,当我们从外部 检测电池过热时。STNS0芯片在shutdown模式,电池电力消耗可以减少到500 nA,这样可以最大化地保证电池寿命,尤其在货架期间 或航运期间。芯片的封装尺寸只有3×3mm,为智能手环的 PCB 布局减少了很多的空间。

图2 STNS01最小系统原理
如图2所示,其中芯片1管脚IN:电池管理芯片电压输 入引脚。
芯片2管脚SYS:电池管理芯片3.1V输出引脚,可以提供 电源,跟LDI输出引脚类似。
芯片3管脚LDO:电池管理芯片3.1V输出引脚,具体见 芯片数据手册描述。
芯片4管脚SD:LDO输出控制引脚,默认上拉使能。
芯片5管脚CHG:电池管理芯片错误提示引脚,闪烁说 明电源存在问题。
芯片6管脚CEN:充电使能引脚,上拉使能。 芯片7管脚GND:地。 芯片8管脚NTC:外部热敏电阻。 芯片9管脚ISET:充电电流控制引脚,接1kΩ电阻,电
流最大200mA。

图3 三轴加速度传感器LIS3DH最小系统原理图
芯片10管脚BTMS:电池电压输出引脚,分压之后一般 用来检测电池端电压。
芯片11管脚BATSNS:电池正极。
芯片12管脚BAT:电池正极。
1.2 三轴加速度传感器
方案中, 我们用了2个三轴加速度传感器, 其中一个 三轴加速度传感器是做运动记录的,我们可以使用传感器 做计步、睡眠等算法;而另外一个三轴加速度传感器是和 AS7000配合做动态心率检测功能的。三轴加速度我们使用 的是意法半导体的LIS3DH,工作电流消耗最低位2uA,这款3×3×1mm的加速度传感器最适合运动感应功能、空间和功 耗受限的应用设计,特别适合智能手环上的应用。
LIS3DH 在±2g/±4g/±8g/±16g全量程范围内,LIS3DH可提供非常 准确的测试数据输出,在额定温度和长时间工作下,仍能保持卓越的稳定性。本方案中,我们会使用LIS3DH完成计步功能的实现。计步器是一种日常锻炼进度监控器,可以计算人们行走的步数,估计行走 距离、消耗的卡路里,方便人们随时监控自 己的健身强度、运动水平和新陈代谢。
如图3所示,芯片4、6是作为I2C通讯引 脚,分别是对于I2C的时钟线和数据线。
芯片第7引脚是LIS3DH芯片从机地址的 选择,接地代表本机从机7位地址是0x18,芯 片第8引脚接高电平,代表选择的是I2C通讯 接口,如果接地代表选择SPI通讯接口。
芯片9、11管脚:分别对应三轴传感器 的中断信号输出引脚,一般用于数据缓存溢 出时的给MCU端的中断信号,有利于我们在 做计步算法 的时候管理MCU的功耗。
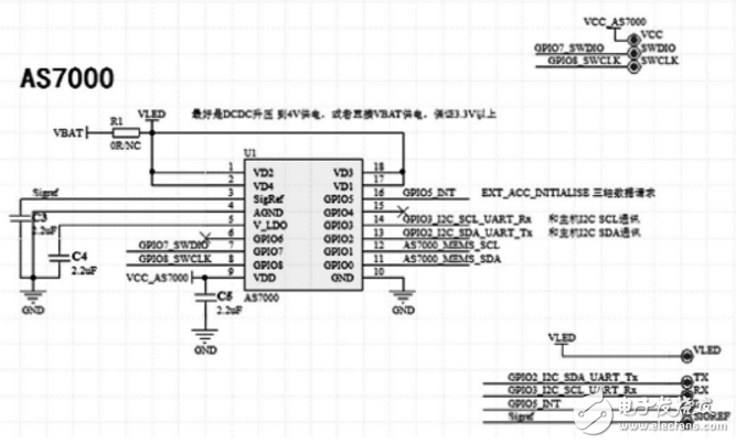
1.3 AS7000动态心率检测系统
心率我们采用AMS的心率检测芯片AS7000,该产品包含了高度集成的光学传感 器和相关软件算法。它可提供行业领先的高 精度光学心率测量(HRM)和心率变(HRV) 测量。AS7000的运作基于光电容积脉搏波描记法(PPG)。心脏收缩和扩张时流经血 管血量的变化会引起血管的扩张及收缩从而对光产生调制,通过测量该调制光可测得心率。
与产生原始PPG数据的现有光学AFE不同, AS7000集成的微处理器可运行艾迈斯半导体开发的特 殊算法,将PPG数据转换成HRM和HRV值。它内部集成了2 个绿色LED、光敏器件、模拟前段(AFE)、微处理器M0以及 HRM算法,它能实现高精度的测试,不管我们是在跑步、骑车,AS7000低噪声和高灵敏度的模拟电路,算法结合加 速度传感器,过滤虚假心跳PPG信号。同时,心率监督在智 能手环上的应用特别要考虑它的功耗问题,AS7000在心率 连续测试模式下,可以把功耗降低到579uA,如果在测试待 机模式下,可以降低到0.8uA。
AS7000的芯片内部已经集成了心率采样算法,所以我 们只要通过I2C接口去读取数据。
如图4所示,其中第13、14引脚是和Host主机端的I2C通 讯引脚。
第7、8引脚是AS7000的SWD仿真接口,AS7000内部是 一个M0内核的MCU,主要用于心率算法的处理。其中第8

图4 AS7000原理
引脚 GPIO8是控制AS7000芯片是否进入待机模式,GPIO8输 出高电平,AS7000待机;GPIO8输出低电平,AS7000正常运 行模式。
第11、12引脚是AS7000和LIS3DH的I2C通讯引脚,主要 是因为AS7000在实现动态心率测试的时候,需要过滤掉运 动时产生的干扰。
第16引脚是GPIO5,在动态心率算法的时候,AS7000 需要三轴加速度传感器数据,第一种是可以像本方案这样单 独挂一颗三轴加速度传感器,另外一种是可以向主机请求三 轴加速度数据。GPIO5就是在第二种方式的时候使用到的。 但是考虑到三轴加速度的同步性问题,我们一般推荐第一种 方式。
第3引脚,是Sigref引脚,AS7000的SWD功能是内部可 以关闭的, 当我们关闭S WD时, 我们需要在A S7000的上 电前,把Sigref引脚接到地,此时从上电之后的5s时间内, SWD是活跃的,可以通过SWD接口实现对AS7000的程序烧 写功能。
第1、2、17、18引脚是AS7000 LED灯的电源,我们最 好的设计是需要一颗DC/DC升压到4V供电,为了确保足够 大的LED电流,同时要注意的是DC/DC需要有一个EN使能 信号脚,用于控制功耗使用。本方案中我们是直接使用电池 电压作为电源,在测试中我们需要注意在电池电压3.6V以上 测试效果比较理想。同时我也使用了一个MOS管去控制整 个电源的导通或截止。
1.4 触摸
我们选择的是CY的SoC蓝牙芯片CYBL10573,它内部集 成了Capacitive Sigma-Delta(CSD)模块,可以提供一流的信噪 比和防水性能,所有GPIO都支持CapSense,使用灵活,并且支持单指和双指触摸应用。
1.5 OLED显示
显示这一块我们选择自发光OLED显示屏,只要 有一组I2C通讯接口就可以实现酷炫的界面显示。
1.6 手机app蓝牙互联
本方案我们使用CY的SoC蓝牙芯片CYBL10573, 内部集成低功耗BLE蓝牙模块,BLE子系统包含链路 层引擎和物理层。链路层引擎支持主设备和从设备模 式。链路层引擎通过在硬件中实现了对时间有严格要 求的各项功能( 如加密功能) , 从而降低功耗, 并 提供最少的处理器干预和高性能特性。 关键协议元 素(如主机控制接口(HCI)和链路控制)都是通过固件实 现的。同时提供了直接测试模式(DTM),以便能够使用 标准蓝牙测试器来测试无线性能。物理层包含一个调制解 调器和一个射频收发器,该收发器以1Mbps 的速度通过2.4
GHz ISM 带传输和接收BLE 数据包。发送时,该模块将进行 GFSK 调制,并在通过天线传输BLE 数据包之前将该数据包 的数字基带信号转换为射频。进行接收时,该模块会针对天 线中的射频信号进行GFSK 解调,以获得数字比特流。射频 收发器包括集成的Balun。该Balun 提供了一个单端射频端口 引脚,这样能够通过pi 匹配网络驱动一个电阻为50欧的天线 终端。可以将输出功率编程为–18 dBm ~ +3 dBm,以优化不 同应用程序的电流消耗。
最终智能手环要完成的功能:
1、基于AMS AS7000动态心率检测;
2、基于意法半导体的电池管理芯片STNS01供电、充电 的电源管理系统;
3、基于三轴加速度传感器芯片LIS3DH的计步运动量检 测;
4、基于CY SoC蓝牙的触摸Touch功能实现,以及和手 机App BLE4.0蓝牙信息交互功能;同时要完成SoC蓝牙自身的 OTA升级和对AS7000的心率算法升级功能;
5、OLED的界面显示;
最终,通过本方案我们希望可以帮助客户快速搭建自 己的智能手环系统。
1TOPS算力+6nm工艺,功耗再降30%!BES6000即将