时间:2024-01-29 15:17
人气:
作者:admin
例如,典型的轨到轨输出运算放大器不能提供真正的零电压,它只能保证其输出至少有几毫伏,而高分辨率DAC的分辨率可以达到几十微伏。该应用程序需要真正的零输出,因此出现了问题。
当然,需要一些负供应源来将“净空”增加到零附近。(我使用“余量”一词是因为我们处理的不是上部的正供给,而是下部的供给。更好的词是“余量”。)
有意再次使用 Cuk 配置电路,就像 EDN 中的旧电路一样,但输出电压仅为约 -1 V,输出电流较低(小于 2 mA)。
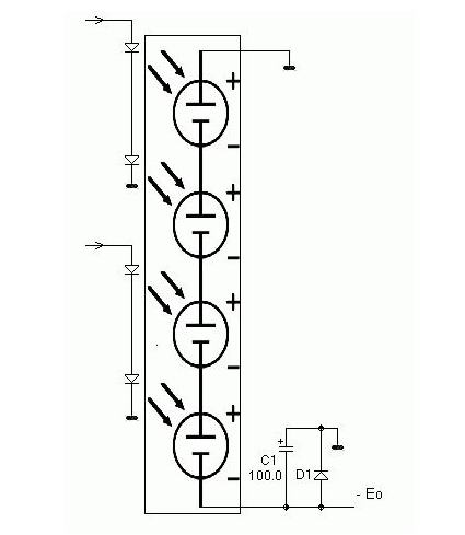
在探索替代方案时,出现了使用光电管代替任何普通电压转换器的想法。其结果如图 1所示的电路。

图 1使用光电管代替电压转换器来帮助为高分辨率单电源 DAC 的运算放大器缓冲器的输出提供真正的零电压。
该解决方案的尺寸与基于 Cuk 配置的电路相当,但效率较低。但由于多余的功率不超过 0.1 W,因此这可能并不重要。
这样的解决方案具有重要的优点:
这要简单得多。
它产生非常低的电噪声——当您处理低模拟信号时,这一点具有重要意义。(在此电路中,即使没有输出电容器 C1,输出噪声也小于 1 mV。)
其输出上的任何过电压均被排除(而如果反馈出现任何问题,Cuk 转换器可能会产生此类过电压)。
还应该注意完美的隔离级别,尽管这在我们的例子中并不重要。
由于该装置的外部轮廓是由光电管决定的,因此使用了微型光电管 AM-1417(东芝)。它的尺寸仅为 34 x 14 x 2 毫米,有 4 个部分(因此每个部分有 4 个 LED),可在没有任何负载的情况下产生约 3 V 的电压。
4 个 LED 是非常普通的亮红色系列 LED(L-513HURC,15° 角 1800 mcd),因为硅光电池在该光谱区域具有效率。
红色也更适合 +5 V 电源,因为它们的低正向电压可以非常简单地使效率加倍,只需将它们成对堆叠,并通过两者提供相同的电流。
该电路在 2k 负载、流经 LED 的电流为 20 mA 时产生 490…520 mV。这对于 AD8603/AD8607 等多种微功耗运算放大器来说绰绰有余。
通过改变流过 LED 的电流可以改变光电管的输出电压。
光电管是电流源而非电压源,因此需要电容器 C1 来降低电路的输出阻抗。如果负电压因某种原因消失,二极管 D1 会启用一条吸收电流的路径并保护该电解电容器。
正如我所提到的,输出功率对于精密微功耗运算放大器(例如 AD8603)来说已经足够了。如果您需要更多功率,您可以使用更高的 LED 电流、更高效的 LED/光电管对,或者简单地并联更多此类电路。