时间:2024-01-29 15:23
人气:
作者:admin
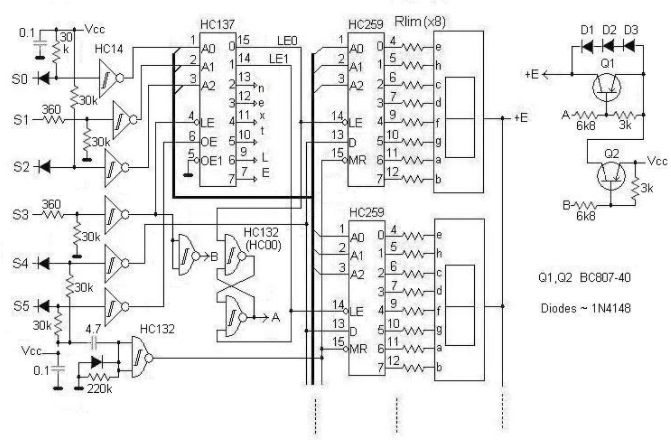
这种设计思路(图1 )展示了如何轻松地“老骨头上添新肉”,以及如何在之前发布的简易LED显示屏上添加一些新功能。

图1升级后的简易LED显示屏,保留了相同的界面,但增加了更多功能。
用您独特的设计让工程界惊叹: 设计理念提交指南
该设计保留了相同的界面,尽管一些控件具有附加功能。
该设计的新特点是:
由主机μP识别显示器;
亮度控制(2级或更多级);
由于对环境电噪声不太敏感,因此接口电缆较长;
保护 IC 免受 Vcc 损失;
上电时重置显示(所有段均亮);
可以熄灭发光;
一些附加功能,可用于进一步修改或用于外部应用;
当然,还有为真正的鉴赏家准备的 PWM。
如果有多个设备共享同一插槽,主机 ?P 可以通过读取位 S5…S0 并将结果与??代码 110101 进行比较来识别该显示器。
静态亮度有 2 个级别(尽管可能有更多级别)。
级别按显示器数字编程的顺序选择:从对应于 LE0 的数字,到对应于 LE1 的数字,或相反的顺序。
该选择由控制 BJT 开关 Q1 (BC807) 的 RS 触发器保留。
从 LE1 到 LE0 的序列将 RS 触发器的输出设置为 A=0,并且 BJT Q1 被激活。这对应于全亮度。
从 LE0 到 LE1 的序列将 RS 触发器的输出设置为 A=1,因此 BJT 开关 Q1 关闭,LED 接收的电流减少。
可以使用相同的原理向界面添加更多功能。
接口算法:
0. 初始/显示状态:S3=0,S5=1,其他引脚无关紧要;
更改显示屏上的数据所需的步骤为:
1. 设置数字地址:S2..S0 = 地址;
2. S3=正选通0-1-0以锁存地址;
3. 在S2..S0上设置一个段地址;
4. 设置 D 的值:如果该段必须为 ON,则 S4=1;如果为 OFF,则 S4=0;
5. S5=负选通1-0-1,锁存D的值;
6. 对另一段重复从(3)开始,当所有段都完成后,在有无人值守的数字时转到(1)。
7. 关闭发光:S3=1,S5=1
因此,要获得 PWM,您只需在保持 S5=1 的同时使用 S3 即可。

图 2中的电源开关更加简单,功耗也更低。
图 2电源开关比图 1 所示的 BJT 开关更简单且功耗更低。
它使用双配电开关 TPS2092 代替 BJT 开关。如果遇到过载或短路,该电路还将限制电流。