时间:2022-10-20 11:57
人气:
作者:admin
AG9311MCQ是台湾安格的一款TYPEC转HDMI带PD2.0快充和USB3.0输出的视频转换芯片,主要用于typec拓展坞和雷电3拓展坞或者Type-C扩展底座上面。AG9311MCQ通过USB Type-C将视频和音频从DisplayPort alternate mode传输到HDMI输出。AG9311MCQ支持2路通道实现HDMI 4K/2K@30Hz
输出,另外两路实现USB数据的传输。CS5266BN 是一款type-C/DP1.4至HDMI1.4b转换芯片,用于将USB Type-C源或DP1.4源连接至HDMI1.4b接收器。CS5266BN集成了一个兼容DP1.4的接收器和HDMI1.4b兼容发射机。CS5266BN包括两个CC控制器用于CC通信,以实现DP Alt模式和功率传输功能,一个用于上行Type-C端口,另一个用于下行端口。
综上所示:
CS5266BN与AG9311MCQ都是用于TYPEC转HDMI带PD快充加拓展的转换芯片,其在功能上是一致的。
CS5266BN的与AG9311MCQ管脚封装的方式:


综上所示:
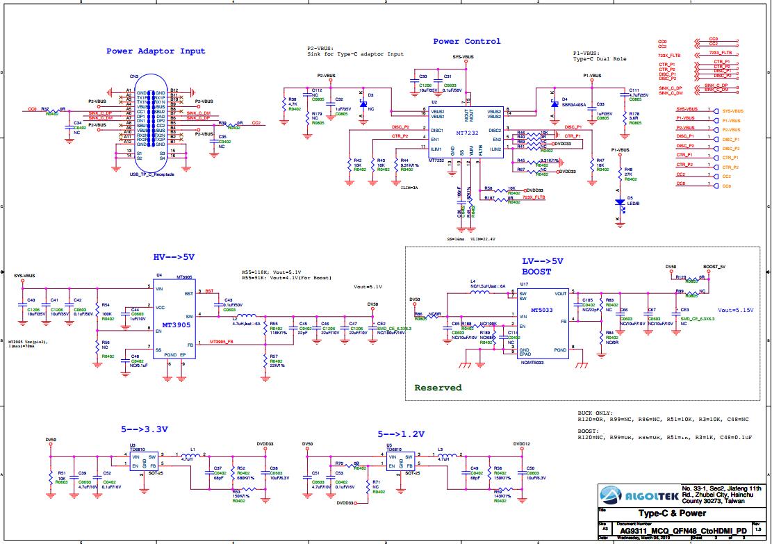
CS5266BN与AG9311MCQ的封装脚位是一致的,且CS5266BN兼容的是PD3.0的快充协议,AG9311MCQ兼容的是PD2.0的快充协议,CS5266BN设计Type-C三合一拓展坞电路原理图与AG9311MCQ设计电路原理图对比如下:




AG9311MCQ电路原理图设计较为复杂,外围的元器件较多。CS5266BN芯片集成度更好,外围器件较少,设计方面更加简单可以节省板框尺寸,整体方案BOM成本较低。


CS5266BN与AG9311MCQ参数对比如下:
CS5266BN参数特性:
HDMI规范V1.4b兼容发射机,数据速率高达每通道3-Gbps。
USB电源传输(PD)V3.0兼容
支持所有USB Type-C通道配置(CC)
内置振荡器,无需外部晶体
嵌入式MCU和SPI-flash
嵌入式V-sync/H-sync缓冲区
嵌入式EDID(如果终端设备没有,CS5266AN将响应EDID)
支持HDCP 1.4和HDCP2.3,带片上键以支持HDCP中继器。
支持RGB 4:4:4 8/10位bpc和YCbCr 4:4:4、4:2:2、4:2:0 8/10位bpc
192KHz x8通道的最大音频采样率
LPCM和压缩音频编码格式
用于芯片控制的辅助通道、I2C主机接口
USB Type-C DisplayPort(DP)Alt模式输入(接收器)
USB Type-C规范1.2和向后兼容Type-C规范1.0
VESA DisplayPort TM v1.4兼容。支持2车道。
内置CC控制器,用于插头和方向检测
用于充电器和正常通信的双CC端口
高达HBR2(5.4-Gbps)输入。内置高性能自适应均衡器。支持1兆赫辅助信道
USB Type-C通道配置(CC)功能
USB电源传输规范3.0兼容集成USB电源传输(PD-BMC)物理层。
支持热插拔检测(HPD)
AG9311MCQ参数特性:
符合HDMI1.4和HDCP1.4规范
支持高达3Gbps的TMD
支持分辨率高达4kx2k@30Hz输出
支持HDCP键预先编程
兼容EDID和MCCS
支持采样率48kHz/44.1KHz/32KHz的LPCM双通道
支持显示端口备用模式协议DisplayPort Alternate
符合USB PD2.0
集成Type-C RP and RD电阻器
支持2个 USB Type-C端口
支持USB宣称
集成USB2.0全速
集成16位单片机
集成用于固件升级的64KB闪存
支持I2C主/从、UART、USB2.0全速