时间:2019-11-28 09:25
人气:
作者:admin
LED开关电源过电流保护电路、LED开关电源过电压保护电路、LED开关电源软启动保护电路、LED开关电源过热保护电路……行内人士贡献几大实用电路图,同你做好LED开关电源的保护设计。
LED开关电源过电流保护电路
在直流LED开关电源电路中,为了保护调整管在电路短路、电流增大时不被烧毁。其基本方法是,当输出电流超过某一值时,调整管处于反向偏置状态,从 而截止,自动切断电路电流。如图1所示,过电流保护电路由三极管BG2 和分压电阻R4、R5组成。
电路正常工作时,通过R4与R5的压作用,使得BG2 的基极电位比发射极电位高,发射结承受反向电压。于是BG2 处于截止状态(相当于开路),对稳压电路没有影响。当电路短路时,输出电压为零,BG2 的发射极相当于接地,则BG2 处于饱和导通状态(相当于短路),从而使调整管BG1基极和发射极近于短路,而处于截止状态,切断电路电流,从而达到保护目的。

LED开关电源过电压保护电路
直流LED开关电源中开关稳压器的过电压保护包括输入过电压保护和输出过电压保护。如果开关稳压器所使用的未稳压直流电源(诸如蓄电池和整流器)的 电压如果过高,将导致开关稳压器不能正常工作,甚至损坏内部器件,因此LED开关电源中有必要使用输入过电压保护电路。
图3为用晶体管和继电器所组成的保 护电路,在该电路中,当输入直流电源的电压高于稳压二极管的击穿电压值时,稳压管击穿,有电流流过电阻R,使晶体管T导通,继电器动作,常闭接点断开,切 断输入。输入电源的极性保护电路可以跟输入过电压保护结合在一起,构成极性保护鉴别与过电压保护电路。

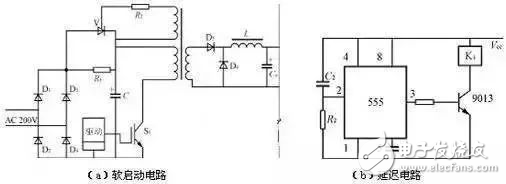
LED开关电源软启动保护电路
开关稳压电源的电路比较复杂,开关稳压器的输入端一般接有小电感、大电容的输入滤波器。在开机瞬间,滤波电容器会流过很大的浪涌电流,这个浪涌电流 可以为正常输入电流的数倍。这样大的浪涌电流会使普通电源开关的触点或继电器的触点熔化,并使输入保险丝熔断。另外,浪涌电流也会损害电容器,使之寿命缩 短,过早损坏。为此,开机时应该接入一个限流电阻,通过这个限流电阻来对电容器充电。为了不使该限流电阻消耗过多的功率,以致影响开关稳压器的正常工作, 而在开机暂态过程结束后,用一个继电器自动短接它,使直流电源直接对开关稳压器供电,这种电路称之谓直流LED开关电源的“软启动”电路 。

LED开关电源过热保护电路
直流LED开关电源中开关稳压器的高集成化和轻量小体积,使其单位体积内的功率密度大大提高,因此如果电源装置内部的元器件对其工作环境温度的要求没有相应提高,必然会使电路性能变坏,元器件过早失效。因此在大功率直流LED开关电源中应该设过热保护电路。

▶本文采用温度继电器来检测电源装置内部的温度,当电源装置内部产生过热时,温度继电器就动作,使整机告警电路处于告警状态,实现对电源的过热保护。
如图 4(a)所示,在保护电路中将P型控制栅热晶闸管放置在功率开关三极管附近,根据TT102的特性(由Rr值确定该器件的导通温度,Rr越大,导通温度越 低),当功率管的管壳温度或者装置内部的温度超过允许值时,热晶闸管就导通,使发光二极管发亮告警。
倘若配合光电耦合器,就可使整机告警电路动作,保护 LED开关电源。该电路还可以设计成如图4(b)所示,用作功率晶体管的过热保护,晶体开关管的基极电流被N型控制栅热晶闸管TT201旁路,开关管截 止,切断集电极电流,防止过热。