时间:2010-10-15 15:19
人气:
作者:admin
本文介绍了采用dsPIC33 GS系列DSC的数字LED照明开发套件主要特性,数字LED照明开发套件和降压子板方框图,数字LED照明开发套件和升压子板方框图,基板接口电路图,基板电源电路图,基板DMX和模拟电路图,LED照明基板所用元器件表,以及降压子板电路图,升压子板电路图和数字LED照明开发套件材料清单。
dsPIC33F系列是高性能16 位数字信号控制器(DSC),采用改进型哈佛架构和C 编译器优化指令集,具有16 位宽数据总线和24 位宽指令,3.0-3.6V 时的工作速度达40MIPS,适用于多回路开关电源(SMPS)和其它数字电源转换器如AC/DC转换器,DC/DC转换器,功率因素修正(PFC),不间断电源(UPS),逆变器,嵌入电源控制器和数字照明等。
LED lighting applications supported by Microchip’s LED Lighting development Kit include dimmable LCD backlighting, signage, LED replacement of fluorescent tubes and incandescent bulbs, architectural lighting, and automotive lighting applications. Automotive lighting products include exterior applications, such as headlights, daytime running lights and signal lights.
Key features of Microchip’s Digital LED Lighting Development Kit include:
Color control for RGB LEDs
Supports DMX512 Standard for brightness control
Flexible input voltage support, including both Buck and Boost topologies
Fully dimmable
Full digital control
Fault protection
Fully controlled with a single dsPIC33FJ16GS504 DSC.
图1。数字LED照明开发套件外形图
The LED Lighting Development Kit can be used to demonstrate the capabilities of Microchips “GS” series of dsPIC Digital Signal Controllers (DSCs) in controlling multiple High Brightness (HB) LEDs. The development kit uses separate daughter cards for both buck and boost applications.
数字LED照明开发套件包括:
The LED Lighting Development Kit contains the following items:
• LED Lighting Development Kit Base Board
• Buck Daughter Card
• Boost Daughter Card
• Light Diffuser
• Information Sheet
图2。LED照明基板外形图
LED照明基板所用元器件表:

图3。数字LED照明开发套件和降压子板方框图
图4。数字LED照明开发套件和升压子板方框图
图5。基板接口电路图
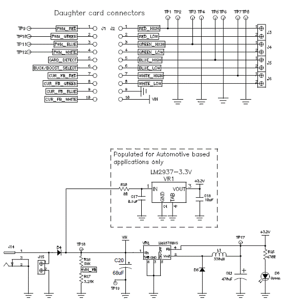
图6。基板电源电路图
图7。基板DMX和模拟电路图
图8。降压子板电路图
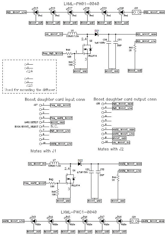
图9。升压子板电路图
数字LED照明开发套件材料清单(BOM):

