时间:2010-04-08 09:37
人气:
作者:admin
基于SX105x的多路可编LED驱动设计及应用
Semtech 公司的SX1507, SX1508和SX1509是超低功耗4/8/16路通用并行输入/输出(GPIO)扩展器,并集成了LED驱动器,工作电压1.2V-3.6V,主要用在手机,PDA,MP3播放器,数码相机,笔记本电脑,GPS和其它以电池为能源的设备.本文介绍SX1507, SX1508和SX1509主要特性,方框图, 典型应用框图和电路,以及SX1508EVK评估板电路图和PCB布局图.
The SX1507, SX1508 and SX1509 are complete ultra low voltage 1.2V to 3.6V General Purpose parallel Input/Output (GPIO) expanders ideal for low power handheld battery powered equipment. This family of GPIOs comes in 4-, 8-, 16-channel configuration and allows easy serial expansion of I/O through a standard 400kHz I2C interface. GPIO devices can provide additional control and monitoring when the microcontroller or chipset has insufficient I/O ports, or in systems where serial communication and control from a remote location is advantageous.
These devices can also act as a level shifter to connect a microcontroller running at one voltage level to a component running at a different voltage level, thus eliminating the need for extra level translating circuits. The core is operating as low as 1.425V while the dual I/O banks can operate between 1.2V and 3.6V independent of the core voltage and each other (5.5V tolerant).
The SX1507, SX1508 and SX1509 feature a fully programmable LED Driver with internal oscillator for enhanced lighting control such as intensity (via 256- step PWM), blinking and breathing (fade in/out) make them highly versatile for a wide range of LED applications.In addition, keypad application is also supported with the on-chip scanning engine which enables continuous keypad monitoring up to 64 keys without any additional host interaction and further reduce the bus activity.
The SX1507, SX1508 and SX1509 have the ability to generate mask-programmable interrupts based on falling/rising edge of any of its GPIO lines. A dedicated pin indicates to a host controller that a state change occurred in one or more of the lines.
Each GPIO is programmable via 8-bit configuration registers such as data registers, direction registers, pull-up/pull-down registers, interrupt mask registers and interrupt registers. These I/O expanders come in small footprint packages and are rated from -40℃ to +85℃ temperature range.
SX105x主要特性:
1.2V to 3.6V Low Operating Voltage with Dual Independent I/O Rails (VCC1, VCC2)
Enable Direct Level Shifting Between I/O Banks and Host Controller
5.5V Tolerant I/Os, Up to 15mA Output Sink on All I/Os (No Total Sink Current Limit)
Integrated LED Driver for Enhanced Lighting
Intensity Control (256-step PWM)
Blink Control (224 On/Off values)
Breathing Control (224 Fade In/Out values)
On-Chip Keypad Scanning Engine
Support Up to 8x8 Matrix (64 Keys)
Configurable Input Debouncer
4/8/16 Channels of True Bi-directional Style I/O
Programmable Pull-up/Pull-down
Push/Pull or Open-drain outputs
Programmable Polarity
Open Drain Active Low Interrupt Output (NINT)
Bit Maskable
Programmable Edge Sensitivity
Built-in Clock Management (Internal 2MHz Oscillator/External Clock Input, 7 clock values)
OSCIO can be Configured as GPO
400kHz I2C Compatible Slave Interface
4 User-Selectable I²C Slave Addresses
Power-On Reset and Reset Input (NRESET)
Ultra Low Current Consumption of typ. 1uA
-40℃ to +85℃ Operating Temperature Range
2kV HBM ESD Protection
Small Footprint Packages
Pb & Halogen Free, RoHS/WEEE compliant
SX105x应用:
Cell phones, PDAs, MP3 players
Digital camera, Notebooks, GPS Units
Any battery powered equipment
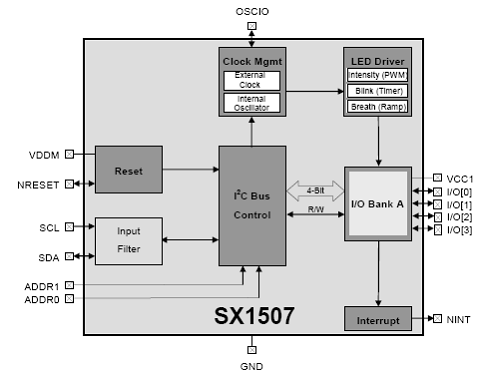
图1.4路SX1507方框图
图2.8路SX1508方框图
图3.16路SX1508方框图
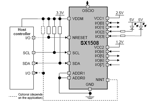
图4.8路SX1508典型应用电路
图5.8路SX1508典型应用框图
图6.SX1508EVK评估板外形图
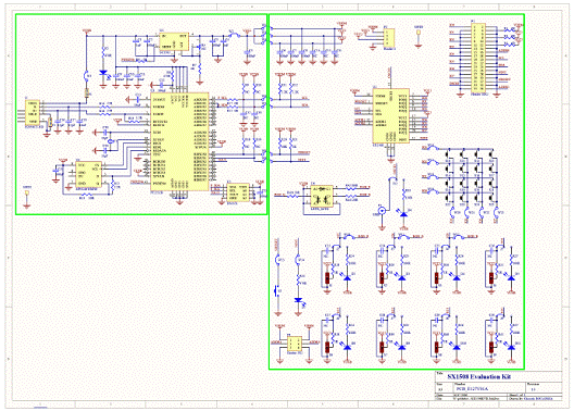
图7.SX1508EVK评估板电路图
图8.SX1508EVK评估板布局图
上一篇:LED照明系统设计指南六步骤
下一篇:触摸屏显示技术