时间:2008-10-30 23:52
人气:
作者:admin
uPD16305在等离子体显示器中的应用
摘要:介绍了NEC公司生产的专用于等离子体显示器的行驱动芯片μPD16305的性能特点及其它PDP显示系统中的应用。它为PDP扫描电极的驱动电路提供了高达180V的驱动信号,显示效果令人满意。
关键词:等离子体显示器 高压驱动 μPD16305
等离子体显示器(Plasma Display Panel,简称PDP)是近几年发展起来的新型板显示器件,它利用气体放电产生的紫外线激发荧光粉发光显示图像。它具有超薄的外形、平面显示、高亮度、宽视解、不受磁场影响等优点,是大屏幕壁挂电视的主流发展方向。但是,它的驱动电压高达180V,因而一些常用的显示驱动器无法满足PDP对高驱动电压的要求。例如,Supertex公司生产的用于场发射显示器(FED)的HV53/5408,只能提供90V的驱动电压。
为了降低驱动电路的成本、缩小驱动电路的体积,我们使用了NEC公司的μPD16305为核心设计的驱动电路,简单易调、点用体积小、显示效果好。下面对此芯片的性能特点测验它在PDP驱动电路的具体应用进行简要的介绍。
1 性能特点
μPD16305j NEC公司推出的专用于AC-PDP的行驱动器,它在工艺上使用高压CMOS结构。它由40位的双向移位寄存器、锁存器和高压CMOS驱动块组成。其逻辑块的供电电压为5V(CMOS电平输入),驱动块可实现200V、400mA的高电压、大电流输出。它还具有如下特点:片上集成了40位双向移位寄存器;低功耗(1mW);工作温度范围宽(-40~+85℃)。
为了使芯片的封装形式与标准封装一致,μPD16305采用了80管脚的标准QFP塑料封装。但对芯片有用的64个管脚分别由芯片的三个方向引出,并且引脚在芯片上呈逆时针排列。其中有40个高压输出管脚、10个电源管脚、1个逻辑输入管脚和1个逻辑输出管脚、6个控制管脚以及6个空管脚。各管脚功能说明如下:
Q1~Q40(管脚1~20,45~64):高压输出端
VSS1(管脚24、41):逻辑块地
VDD1(管脚26、39):逻辑块电源
VSS2(管脚22、23、42、43):驱动块地
VDD2(管脚21、44):驱动块电源
A(管脚30):右移数据输入端/输出端
B(管脚35):左移数据输入端/输出端
R/L(管脚25):移位方向控制端,
当R/L=1时,A脚为输入端,B脚为输出端,移位寄存器执行右移功能;
当R/L=0时,B脚为输入端,A脚为输出端,移位;寄存器执行左移功能
PC(管脚27):极性反转控制端
CLK(管脚31):时钟输入端
CLR(管脚32):数据清除端(低有效)
STB(管脚36):锁存使能控制端,
当STB=1时,执行锁存功能;
当STB=0时,数据通过
BLK(管脚37):输出置位控制端,
当BLK=1时,输出与PC同相;
当BLK=0时,输出与PC相异或后输出
NC(管脚28、29、33、34、38、40):空管脚
为了解决高压芯片的散热问题,μPD16305将高压输出对称地放置到芯片的两端;为便于电路的安装、调试,将控制管脚放置到芯片的同一侧。ΜPD16305的功能结构可分为三部分:40位双向移位寄存器、40位锁存器和高压输出功能块。它除了有40路的高压输出以外,还有一个低压的输入和一个低压的输出。并且这两个输入输出端口都是双向的,当一个为输入时,另一个为输出,其输出是移位寄存器输入相连,可以级联驱动40路以上的显示器。对于分辨率为852×480的PDP来说,只需12片μPD16305的主要功能块。
移位寄存器、锁存器和高压输出块的真值表分别如表1、2、3所示。
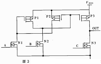
在这三部分电路中,高压输出驱动电路部分是μPD16305芯片的核心部分,它为负载提供了高电压、大电流的输出,高压输出直接驱动PDP屏的显示单元,点亮被选中的象素。图2为μPD16305高压输出驱动电路图。
图2中,A、B、C三路信号是由同一信号(锁存器输出的信号)经过分离得到的。它们分别输入到高压输出驱动块的三个输入端,其中A和B信号反相,A和C信号同相。
当A=1、B=0、C=1时,N1、P1、N3导通,N2、P2、P3截止,输出OUT=0;
当A=0、B=1、C=0时,N2、P2、P3导通,N1、P1、N3截止,输出OUT=VDD2。
由图可知,这种输出结构不同于普通的互补输出结构。这种电路结构的优点在于:它可以用前级的数字电平,驱动后面的功率级电路,这对于普通的推挽输出结构来说,是根本达不到的。
对于如图3所示的普通的CMOS互补输出结构,假设VDD2=200V、GND=0V、Vthn=15V、Vthp=-15V。若要使Vout=GND,即要使N管导通、P管截止,就需要满足①Vgs>Vthn;②VDD2-Vgs<-Vthp。这样,栅极电压Vgs至少应该等于VDD2+Vdtp,即Vgs至少应为200-15=185V,这就需要在芯片中加入电平转换电路,将CMOS数字电平提升到可以驱动功率管的高电平。对于40路输出的μPD16305来说,可以想象它所点的体积将是巨大的,因而不利于芯片的集成。
2 μPD16305来说,PDP驱动电路中的应用
μPD16305是一种CMOS结构的高压驱动电路,使用非常灵活。其输入可以是TTL电平,也可以是CMOS电平,高压输出调节范围可从0V~200V。其内部有一内置二极管,此二极管的阳极接在μPD16305的Vss2端,阴极接在μPD16305的VDD2端。由于PDP驱动电极(Y)波形出现有多种电压,所以驱动芯片μPD16305提供稳定、恒定的电源电压是不可能完成该波形的。解决多电源电压的方法是将μPD16305的高压电源和高压地“浮”起来运用,使驱动芯片的电源脚和地脚在不同时刻与同电压相接,从而使芯片输出符合相应的要求。
在维持期里,所有Y电极的波形完全一致。但在寻址期中扫描寻址时,各行的Y电极有效时间不同,出现有多种电压。所以在维持期和寻址期,可以通过MOS开关管的不同状态,使驱动芯片的电源脚和地脚在不同时刻与不同电压相接,以得到所需要的波形。这种连接方式降低了输出级MOS管上的电压,应用起来有很大余地。
在驱动PDP时,在维持期和寻址期的初始化阶段,利用的是μPD16305的全高或全低工作状态(可参见表3);而在寻址期的扫描阶段,利用的是μPD16305的移位工作状态,以实现逐行扫描。

μPD16305作为行驱动器使用时,控制信号与μPD16305的具体连接方式如图4所示。
μPD16305的控制信号中,信号R/L可直接接到低压电源VDD1上。因为在驱动电路中,只在逐行扫描阶段才利用了移位功能,而且移位是在朝一个方向进行的,因此没有必要增加额外的信号产生器,将期接至某一固定电位即可。
其它的控制信号如A、CLK、STB、CLK等,可根据从PDP屏上测得的数据,用可编程逻辑器件来产生,这里我们采用的是Altera公司的FLEX10K10系列的芯片。

电源信号和地信号是通过电平转换电路驱动功率MOS开关管提供的,电平转换电路的控制时序由CPLD产生。最终产生的驱动波形如图5所示。
在实际应用中,要确保μPD16305所有的UDD1、VDD2、Vss1、Vss2管脚都要被使用,并且Vss1和Vss2必须接到同一电位上;由于μPD16305的管脚33在芯片内部被连接到了封装外壳上,所以必须保证此管脚开路,不能使用;为了防止器件发生闩锁效应,加电源时必须按照先加VDD1、再加逻辑信号、最后加VDD2的顺序进行;关断电源时,按照相反的顺序进行操作。
uPD16305 pdf datasheet